Схема предохранителей и реле на ВАЗ
Проводка и перечень приборов на классических автомобилях I поколения Волжского автозавода почти не зависели от модели и года выпуска. Коробка плавких вставок была унифицирована.
Электрический стартер двигателя оснащался втягивающим реле, подключенным к замку зажигания и управлявшим положением шестерни бендикса относительно зубчатого венца на маховике.
Блоки на ВАЗ-2101
Описание назначения вставок в салонной коробке (порядок перечисления – слева направо):
- подсветка салона, клаксон, розетка для переносной лампы, прикуриватель и лампы в задних фонарях для предупреждения о снижении скорости;
- дворник ветрового стекла (электрический насос подачи жидкости на модели 2101 не предусматривался), вентилятор отопителя;
- дальний свет по левой стороне кузова и контрольный индикатор в комбинации приборов;
- дальний свет по правой стороне автомобиля;
- ближний свет (2 вставки для левой и правой фар соответственно);
- левый передний габаритный сигнал с контрольным индикатором в комбинации приборов, подсветка багажного отделения и щитка, освещение регистрационного знака;
- правый габаритный передний сигнал, лампы подсветки моторного отсека и гнезда для установки прикуривателя;
- система регулирования напряжения и обмотки возбуждения генератора на двигателе.
Каждая перемычка отвечает за защиту нескольких потребителей. Объединение цепей питания позволило упростить проводку и снизить количество вставок. Но в случае выхода из строя предохранителя обесточивается сразу несколько приборов.
Реле управления работой поворотников и аварийной световой сигнализации располагалось в глубине панели под комбинацией приборов. На нижней части передней стойки со стороны места водителя стояло реле для трапеции очистителей ветрового стекла.
Схема и блок реле в подкапотном пространстве.
На ВАЗ-21011
Автомобиль 21011 отличался немного обновленным обликом и усовершенствованной светотехникой. Были введены габаритные огни, интегрированные в фары головного света (защиту вывели на вставки, ранее использовавшиеся для отдельных габаритов).
В состав электрического оборудования входил стеклоочиститель с насосом для подачи жидкости. Двигатель помпы был подключен к уже имевшемуся на модели 2101 предохранителю дворников ветрового стекла.
Схема и распиновка блока в салоне.
На ВАЗ-21013
Схема подключения потребителей на 21013 была идентична использовавшейся на 21011. Автомобили отличались только рабочим объемом (1,2 л против 1,3 л) и мощностью двигателя. Поэтому на задней части кузова использовались разные заводские шильдики.
Машины, поставлявшиеся на экспорт, не оснащались дополнительным электрическим оборудованием (магнитолу дилеры могли ставить в рамках предпродажной подготовки).
Электросхема 2101.
На ВАЗ-2102
Модель 2102 отличалась использованием кузова типа универсал, рассчитанного на перевозку крупногабаритных грузов. Расположение проводки и распределительной коробки не менялось.
На некоторых автомобилях, поставлявшихся на экспорт, ставился очиститель заднего стекла с отдельным насосом для подачи жидкости. Дополнительный предохранитель не использовался (линия была подключена к цепи дворников ветрового стекла).
14.4. Предохранители
| ОБЩИЕ СВЕДЕНИЯ |
Расположение блока предохранителей с левой стороны панели приборов
| Расположение предохранителей и электрические цепи, защищаемые предохранителями, приведены на наклейке (показана стрелкой), расположенной с внутренней стороны на крышке блока предохранителей. |
Расположение предохранителей на блоке предохранителей
| № | Потребитель тока | А |
| 1 |
Обогреваемые жиклеры омывателей лобового стекла, обогрев наружных зеркал |
5 |
| 2 | Указатели поворота | 10 |
| 3 | Внутреннее освещение | 5 |
| 4 | Освещение номерного знака | 5 |
| 5 | Обогрев сидений, климатическая установка | 7,5 |
| 6 | Центральная блокировка замков | 5 |
| 7 | Фонаря заднего хода | 10 |
| 8 | Телефон | 5 |
| 9 | Блок управления АБС | 5 |
| 10 | Электронные системы двигателя | 10 |
| 11 | Селектор (при автоматической коробки передач) | 5 |
| 12 | Телефон | 7,5 |
| 13 | Сигналы торможения | 10 |
| 14 |
Плафоны и светильники для чтения, центральная блокировка замков |
10 |
| 15 | Автоматическая коробка передач | 10 |
| 16 | Стеклоомыватели | 10 |
| 17 | Обогреваемый цилиндр-упор задней двери | 7,5 |
| 18 | Дальний свет правый | 10 |
| 19 | Дальний свет левый | 10 |
| 20 | Ближний свет правый, корректор наклона фар | 10 |
| 21 | Ближний свет левый | 10 |
| 22 | Габаритные и стояночные огни правые | 5 |
| 23 | Габаритные и стояночные огни левые | 5 |
| 24 | Стеклоомыватели | 20 |
| 25 | Вентилятор системы вентиляции, климатическая установка | 25 |
| 26 | Обогрев заднего стекла | 20 |
| 27 | Очиститель заднего стекла | 10 |
| 28 | Топливный насос | 15 |
| 29 | Электронные системы двигателя | 10 |
| 30 | Подъемно-сдвижная панель люка крыши | 20 |
| 31 | Автоматическая коробка передач | 10 |
| 32 | Электронные системы двигателя | 10 |
| 33 | Очистители фар | 20 |
| 34 | Электронные системы двигателя | 10 |
| 35 | «Плюс» продолжительного электропитания прицепа | 30 |
| 36 | противотуманные фонари | 15 |
| 37 | Вывод «S» | 20 |
| 38 | Плафон багажного отделения, центральная блокировка замков | 10 |
| 39 | Аварийная сигнализации | 15 |
| 40 | Звуковой сигнал | 20 |
| 41 | Прикуриватель | 15 |
| 42 | Радиоприемник | 15 |
| 43 | Электронные системы двигателя | 10 |
| 44 | Обогрев сидений | 15 |
Предупреждение
Предохранитель, обозначенный
на блоке предохранителей под номером 24, на электрических схемах автомобиля
обозначается номером 224, то есть на электрических схемах к номеру предохранителя
впереди добавляется цифра 2.
Замена
| ПОРЯДОК ВЫПОЛНЕНИЯ | |||||||||
|
| Ток | Цвет |
| 5 | Светло-коричневый |
| 10 | Красный |
| 15 | Синий |
| 20 | Желтый |
| 25 | Белый |
| 30 | Зеленый |
Коробка предохранителей в моторном отсеке на аккумуляторной батарее
| Предохранители | А |
| Вентилятор системы охлаждения, 1-ая ступень | 30 |
| Реле электродвигателя АБС | 30 |
| Главное реле АБС | 30 |
| Металлические предохранители: | |
| Генератор | 150 |
| Бортовая сеть | 110 |
| Вентилятор системы охлаждения 2-ая ступень | 30 |
| Электронные системы двигателя | 50 |
| Предпусковой подогрев дизельного двигателя | 50 |
Автоматы защиты
Все вместе электроприводы стеклоподъемников и люка защищены также автоматом
защиты, который в случае перегрузки автоматически выключается (например, при
примерзании стекол) и через несколько секунд опять включается.
Фишки блока предохранителей и реле ваз 2107
Ниже в таблице представляю фишки блока предохранителей и реле ВАЗ 2107, расшифрованные клеммные колодки. Они расположены по порядку нумерации.
| Колодка | № штекера | Цвет | Электрические цепи |
|---|---|---|---|
| Ш1 | 1 | П | выключатель стоп-сигналов |
| 2 | ГБ | переключатель света фар | |
| 3 | СП | переключатель света фар | |
| 4 | К | замок зажигания (кл. 30/1) ВАЗ 2107 | |
| 5 | ОБ | включение противотуманных фонарей | |
| 6 | ГЧ | замок зажигания (кл. 15/1) | |
| 7 | К | включение подсветки приборов | |
| 8 | Ч | замок зажигания (кл. «INT») | |
| Ш2 | 1 | Р | замок зажигания (кл. 30/1) |
| 2 | ЖЧ | переключатель стеклоочистителя ветрового стекла | |
| 3 | ЖП | включение наружного освещения | |
| 4 | ПБ | включатель стоп-сигнала | |
| 5 | Г | включение поворотов, вкл. аварийной сигнализации | |
| 6 | КГ | тахометр ВАЗ 2107 | |
| 7 | З | включение света заднего хода | |
| 8 | СБ | указатель давления масла | |
| Ш3 | 1 | ЗП | включение обогрева заднего стекла |
| 2 | Р | переключатель стеклоочистителя | |
| 3 | ОЧ | включение противотуманных фонарей, контрольная лампа | |
| 4 | ЖГ | включение заднего хода, отопителя, обогрева заднего стекла | |
| 5 | ГЧ | включение аварийной сигнализации (кл. 1) | |
| 6 | Б | переключатель стеклоочистителя и реле стеклоочистителя | |
| 7 | С | переключатель стеклоочистителя | |
| 8 | контрольная лампа износа тормозных накладок | ||
| Ш4 | 1 | О | контрольные лампы (резерва топлива, стояночного тормоза, уровень тормозной жидкости), реле стояночного тормоза |
| 2 | ПЧ | включение аварийной сигнализации (кл. 5) | |
| 3 | СЧ | включение звуковых сигналов | |
| 4 | ПГ | прикуриватель, патрон переноски ВАЗ 2107 | |
| 5 | — | резерв | |
| 6 | — | резерв | |
| 7 | — | резерв | |
| 8 | П | замок зажигания (кл. 50) | |
| Ш5 | 1 | ЗБ | контрольная лампа давления масла |
| 2 | РБ | указатель уровня топлива | |
| 3 | КБ | контрольная лампа зарядки АКБ | |
| 4 | ГП | контрольная лампа резерва топлива | |
| 5 | РГ | контрольная лампа недостаточного уровня тормоз, жидкости | |
| 6 | ЗЧ | контрольная лампа включения дальнего света | |
| 7 | СГ | контрольная лампа давления масла | |
| 8 | Ж | контрольная лампа включения габаритов | |
| Ш6 | 1 | Б | эл. двигателя очистителя ветрового стекла и омывателя фар/левый |
| 2 | Ж | габаритный фонарь (левый передний), подкапотная лампа | |
| 3 | СЧ | звуковые сигналы ВАЗ 2107 | |
| 4 | О | блок управления электромагнитным клапаном (кл. 3) ВАЗ 2107 | |
| 5 | СГ | датчик контрольного давления масла | |
| 6 | Г | вентилятор охлаждения радиатора | |
| 7 | П | звуковые сигналы | |
| 8 | — | Резерв | |
| Ш7 | 1 | — | Резерв |
| 2 | ЖЧ | эл. двигателя стеклоочистителя ветрового стекла и фароочистителя | |
| 3 | РГ | датчик недостаточного уровня тормозной жидкости | |
| 4 | ГБ | эл. двигатель стеклоочистителя | |
| 5 | СП | блок управления электромагнитным клапаном (кл. 4) ВАЗ 2107 | |
| 6 | РЧ | датчик износа тормозных накладок | |
| 7 | БЧ | термовыключатель эл. вентилятора охлаждения радиатора | |
| 8 | Ч | эл. двигатель омывателя ветрового стекла | |
| Ш8 | 1 | З | дальний свет (левый борт) |
| 2 | ГП | катушка зажигания (кл.+Б) | |
| 3 | Г | эл. двигатель стеклоочистителя ветрового стекла | |
| 4 | К | катушка зажигания ВАЗ 2107 | |
| 5 | ГЧ | лампа указателя поворотов (переднего левого) | |
| 6 | С | ближний свет (левый борт) | |
| 7 | СБ | датчик давления масла | |
| 8 | ЗБ | датчик контрольного давления масла | |
| Ш9 | 1 | — | Резерв |
| 2 | Р | генератор (кл. 30) ВАЗ 2107 | |
| 3 | — | резерв | |
| 4 | К | габаритный фонарь (правый передний) | |
| 5 | ЖЧ | эл. двигатель очистителя фар правый (конц. выключатель) | |
| 6 | Б | эл. двигатель очистителя фар/правый | |
| 7 | Ч | масса «-« | |
| 8 | З | дальний свет (правый борт) | |
| Ш10 | 1 | Р | генератор (кл. 30) |
| 2 | — | Резерв | |
| 3 | Г | указатель поворотов (передний правый) | |
| 4 | РЧ | датчик износа тормозных накладок | |
| 5 | С | ближний свет (правый борт) | |
| 6 | — | Резерв | |
| 7 | КБ | реле контроля зарядки (кл. 30/51) | |
| 8 | — | Резерв | |
| Ш11 | 1 | — | Резерв |
| 2 | О | клемма Ш11-4 | |
| 3 | О | генератор (кл. 15) | |
| 4 | О | реле зарядки (кл. 86 и 87) | |
| 5 | П | реле стартера (кл. 50) | |
| 6 | СП | пневмоклапан, микропереключатель | |
| 7 | предусмотрено для диагностики | ||
| 8 | — | Резерв | |
| Ш12 | 1 | РБ | датчик уровня топлива ВАЗ 2107 |
| 2 | П | лампы стоп-сигнала | |
| 3 | Б | плафоны салона ВАЗ 2107 | |
| 4 | С | элемент обогрева заднего стекла | |
| 5 | ГЧ | лампа указателя поворотов (заднего левого) | |
| 6 | Г | указатель поворотов (задний правый) | |
| 7 | Г | фонарь заднего хода ВАЗ 2107 | |
| 8 | К | габаритный фонарь (левый задний), освещение номерного знака | |
| Ш13 | 1 | ОЧ | противотуманные фонари |
| 2 | ГП | датчик уровня топлива | |
| 3 | Ж | габаритный фонарь (правый задний), освещение номерного знака | |
| 4 | — | резерв | |
| 5 | — | резерв | |
| 6 | — | резерв | |
| Ш14 | 7 | замок зажигания (кл. 15/2) |
14.4. Предохранители
| ОБЩИЕ СВЕДЕНИЯ |
Расположение блока предохранителей с левой стороны панели приборов
| Расположение предохранителей и электрические цепи, защищаемые предохранителями, приведены на наклейке (показана стрелкой), расположенной с внутренней стороны на крышке блока предохранителей. |
Расположение предохранителей на блоке предохранителей
| № | Потребитель тока | А |
| 1 | Обогреваемые жиклеры омывателей лобового стекла, обогрев наружных зеркал | 5 |
| 2 | Указатели поворота | 10 |
| 3 | Внутреннее освещение | 5 |
| 4 | Освещение номерного знака | 5 |
| 5 | Обогрев сидений, климатическая установка | 7,5 |
| 6 | Центральная блокировка замков | 5 |
| 7 | Фонаря заднего хода | 10 |
| 8 | Телефон | 5 |
| 9 | Блок управления АБС | 5 |
| 10 | Электронные системы двигателя | 10 |
| 11 | Селектор (при автоматической коробки передач) | 5 |
| 12 | Телефон | 7,5 |
| 13 | Сигналы торможения | 10 |
| 14 | Плафоны и светильники для чтения, центральная блокировка замков | 10 |
| 15 | Автоматическая коробка передач | 10 |
| 16 | Стеклоомыватели | 10 |
| 17 | Обогреваемый цилиндр-упор задней двери | 7,5 |
| 18 | Дальний свет правый | 10 |
| 19 | Дальний свет левый | 10 |
| 20 | Ближний свет правый, корректор наклона фар | 10 |
| 21 | Ближний свет левый | 10 |
| 22 | Габаритные и стояночные огни правые | 5 |
| 23 | Габаритные и стояночные огни левые | 5 |
| 24 | Стеклоомыватели | 20 |
| 25 | Вентилятор системы вентиляции, климатическая установка | 25 |
| 26 | Обогрев заднего стекла | 20 |
| 27 | Очиститель заднего стекла | 10 |
| 28 | Топливный насос | 15 |
| 29 | Электронные системы двигателя | 10 |
| 30 | Подъемно-сдвижная панель люка крыши | 20 |
| 31 | Автоматическая коробка передач | 10 |
| 32 | Электронные системы двигателя | 10 |
| 33 | Очистители фар | 20 |
| 34 | Электронные системы двигателя | 10 |
| 35 | “Плюс” продолжительного электропитания прицепа | 30 |
| 36 | противотуманные фонари | 15 |
| 37 | Вывод “S” | 20 |
| 38 | Плафон багажного отделения, центральная блокировка замков | 10 |
| 39 | Аварийная сигнализации | 15 |
| 40 | Звуковой сигнал | 20 |
| 41 | Прикуриватель | 15 |
| 42 | Радиоприемник | 15 |
| 43 | Электронные системы двигателя | 10 |
| 44 | Обогрев сидений | 15 |
Предупреждение
Предохранитель, обозначенный на блоке предохранителей под номером 24, на электрических схемах автомобиля обозначается номером 224, то есть на электрических схемах к номеру предохранителя впереди добавляется цифра 2.
Замена
| ПОРЯДОК ВЫПОЛНЕНИЯ |
| 1. Для замены предохранителей откройте крышку, для чего вставьте отвертку с нижней стороны в паз, который отмечен стрелкой, и нажмите на крышку. |
| 2. Если предохранитель перегорел, значит, проводник, соединяющий контакты предохранителя, разорван. |
| 3. Для того чтобы снять предохранитель, воспользуйтесь пинцетом для извлечения предохранителя из разъема. Достаньте предохранитель из пинцета. Провод внутри предохранителя легко заметен и будет разорван, если предохранитель перегорел. |
| 4. Установите новый предохранитель, рассчитанный на тот же ток. С обратной стороны каждый предохранитель имеет надпись о величине защищаемого тока. Кроме того, цвет предохранителя также соответствует величине защищаемого тока (см. ниже). |
| 5. Установите на место крышку блока предохранителей. |
| 6. Если установленный предохранитель перегорит повторно, проверьте электрическую цепь, защищаемую предохранителем. |
| 7. Ни в коем случае не заменяйте предохранитель проволочной перемычкой, так как может быть серьезно повреждена электрическая цепь автомобиля.Предупреждение Характеристики плавких предохранителей и электрические цепи могут изменяться из года в год. |
| Ток | Цвет |
| 5 | Светло-коричневый |
| 10 | Красный |
| 15 | Синий |
| 20 | Желтый |
| 25 | Белый |
| 30 | Зеленый |
Коробка предохранителей в моторном отсеке на аккумуляторной батарее
| Предохранители | А |
| Вентилятор системы охлаждения, 1-ая ступень | 30 |
| Реле электродвигателя АБС | 30 |
| Главное реле АБС | 30 |
| Металлические предохранители: | |
| Генератор | 150 |
| Бортовая сеть | 110 |
| Вентилятор системы охлаждения 2-ая ступень | 30 |
| Электронные системы двигателя | 50 |
| Предпусковой подогрев дизельного двигателя | 50 |
Автоматы защиты
Все вместе электроприводы стеклоподъемников и люка защищены также автоматом защиты, который в случае перегрузки автоматически выключается (например, при примерзании стекол) и через несколько секунд опять включается.
Электросхема ВАЗ 2101: назначение предохранителей
Электрическая схема автомобиля ВАЗ 2101 (вариант 1)
Электрическая схема автомобиля ВАЗ 2101 (вариант 2)
Всего десять предохранителей в монтажном блоке, все они имеют различный номинал и отвечают за определенные цепи:
| Номер предохранителя | Номинальный ток | Цепи, за которые отвечает |
| F1 | 16 Ампер | Служит для питания плафонов освещения, клаксонов, прикуривателя, стоп-сигналов, а также розетки включения дополнительной лампы. |
| F2 | 8 Ампер | Защищает цепи стеклоочистителя (включая его реле), электрический мотор печки и насос омывателя ветрового стекла. |
| F3 | 8 Ампер | Отвечает за цепь питания левой фары (лампы дальнего света), а также за подачу напряжения на контрольную лампу в приборной панели. |
| F4 | 8 Ампер | То же, что в F3, но только для правой стороны. |
| F5 | 8 Ампер | Цепь ближнего света, левая сторона. |
| F6 | 8 Ампер | Цепь ближнего света правой стороны. |
| F7 | 8 Ампер | Отвечает за подачу питания на контрольку габаритов, лампу в багажнике, габариты (спереди левый и правый сзади), освещение номера и панели приборов (через реостат). |
| F8 | 8 Ампер | Лампа подсветки прикуривателя, освещение подкапотного пространства, а также габаритные огни (правый передний и левый задний). |
| F9 | 8 Ампер | Отвечает за питание ламп давления масла, поворотов, заднего хода, бардачка, уровня бензина, тормозной жидкости и ручника, зарядки, температуры ОЖ. |
| F10 | 8 Ампер | Подает питание на регулятор напряжения и обмотку возбуждения (роторную) генератора ВАЗ 2101. |
Самостоятельная замена предохранителя
При возникновении таких проблем необходимо проверить монтажный блок предохранителей. Чтобы получить к нему доступ, нужно разобрать приборную панель, которая находится с левой стороны от руля.
При произведении ремонта необходимо соблюдать обязательные рекомендации:
первым делом нужно отсоединить клеммы от аккумулятора, чтобы обесточить всю электрическую цепь автомобиля;
нужно быть внимательным при работе с пластмассовыми деталями, которые можно легко повредить.
нельзя производить замену предохранителя с несоответствием обозначению силы тока, также запрещено использовать проволоку вместо перегоревшего защитника – это может привести к возгоранию проводки;
после замены очень важно поставить на место щиток, который прикрывает монтажный блок предохранителей.
Если предохранитель перегорает второй раз подряд, необходимо проверить цепь проводов, приборов, самого блока, генератора или аккумуляторную батарею.
Схема блока предохранителей ВАЗ 2107 (полная электрическая схема)
| № реле/ предохранителя | Обозначения |
| 1 | Блок-фары |
| 2 | Боковые указатели поворота |
| 3 | Аккумуляторная батарея |
| 4 | Реле включения стартера |
| 5 | Электропневмоклапан карбюратора |
| 6 | Микровыключатель карбюратора |
| 7 | Генератор 37.3701 |
| 8 | Моторедукторы очистителей фар* |
| 9 | Датчик включения электродвигателя вентилятора |
| 10 | Электродвигатель вентилятора системы охлаждения двигателя |
| 11 | Звуковые сигналы |
| 12 | Распределитель зажигания |
| 13 | Свечи зажигания |
| 14 | Стартер |
| 15 | Датчик указателя температуры охлаждающей жидкости |
| 16 | Подкапотная лампа |
| 17 | Датчик сигнализатора недостаточного давления масла |
| 18 | Датчик сигнализатора недостаточного уровня тормозной жидкости |
| 19 | Моторедуктор очистителя ветрового стекла |
| 20 | Блок управления электропневмоклапаном карбюратора |
| 21 | Катушка зажигания |
| 22 | Электродвигатель насоса омывателя фар* |
| 23 | Электродвигатель насоса омывателя ветрового стекла |
| 24 | Монтажный блок |
| 25 | Реле очистителя ветрового стекла |
| 26 | Реле аварийной сигнализации и указателей поворота |
| 27 | Выключатель сигнала торможения |
| 28 | Выключатель света заднего хода |
| 29 | Реле зажигания |
| 30 | Выключатель зажигания |
| 31 | Трехрычажный переключатель |
| 32 | Выключатель аварийной сигнализации |
| 33 | Штепсельная розетка для переносной лампы** |
| 34 | Переключатель вентилятора отопителя |
| 35 | Дополнительный резистор электродвигателя отопителя |
| 36 | Лампа сигнализатора включения обогрева заднего стекла |
| 37 | Лампа сигнализатора недостаточного уровня тормозной жидкости |
| 38 | Блок сигнализаторов |
| 39 | Электродвигатель вентилятора отопителя |
| 40 | Лампа освещения вещевого ящика |
| 41 | Выключатели плафонов на стойках передних дверей |
| 42 | Выключатели фонарей сигнализации открытых передних дверей*** |
| 43 | Фонари сигнализации открытых передних дверей*** |
| 44 | Соединительная колодка |
| 45 | Прикуриватель |
| 46 | Часы |
| 47 | Выключатель освещения приборов |
| 48 | Диод для проверки исправности лампы сигнализатора недостаточного уровня тормозной жидкости |
| 49 | Указатель уровня топлива |
| 50 | Лампа сигнализатора резерва топлива |
| 51 | Спидометр |
| 52 | Лампа сигнализатора включения указателей поворота |
| 53 | Лампа сигнализатора прикрытия воздушной заслонки карбюратора |
| 54 | Лампа сигнализатора заряда аккумуляторной батареи |
| 55 | Выключатель сигнализатора прикрытия воздушной заслонки карбюратора |
| 56 | Комбинация приборов |
| 57 | Эконометр |
| 58 | Выключатели плафона на стойках задних дверей |
| 59 | Указатель температуры охлаждающей жидкости |
| 60 | Тахометр |
| 61 | Лампа сигнализатора включения стояночного тормоза |
| 62 | Лампа сигнализатора недостаточного давления масла |
| 63 | Лампа сигнализатора включения дальнего света фар |
| 64 | Лампа сигнализатора включения наружного освещения |
| 65 | Вольтметр |
| 66 | Выключатель сигнализатора включения стояночного тормоза |
| 67 | Выключатель наружного освещения |
| 68 | Выключатель обогрева заднего стекла с лампой подсветки |
| 69 | Выключатель заднего противотуманного света с сигнализатором включения* ** *** |
| 70 | Предохранитель цепи противотуманного света |
| 71 | Плафон**** |
| 72 | Задние фонари |
| 73 | Датчик указателя уровня и резерва топлива |
| 74 | Колодки для подключения к элементу обогрева заднего стекла* |
| 75 | Фонари освещения номерного знака |
Порядок условной нумерации штекеров в колодках:
а — блок-фар, очистителей фар и ветрового стекла, реле очистителя ветрового стекла, блока управления электропневмоклапаном карбюратора;
б — монтажного блока и трехрычажного переключателя;
в — реле аварийной сигнализации и указателей поворота;
г — задних фонарей (нумерация выводов по порядку от края платы);
д — выключателя аварийной сигнализации.
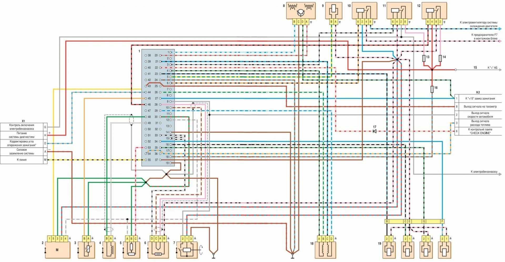
ВАЗ 2107 — схема инжектора (система управления впрыска топлива)

| № реле/ предохранителя | Обозначения |
| 1 | Разъем контроллера |
| 2 | Датчик массового расхода воздуха |
| 3 | Датчик температуры охлаждающей жидкости |
| 4 | Датчик положения коленчатого вала |
| 5 | Датчик положения дроссельной заслонки |
| 6 | Датчик концентрации кислорода |
| 7 | Датчик скорости |
| 8 | Модуль зажигания |
| 9 | Электромагнитный клапан продувки адсорбера |
| 10 | Реле электровентилятора |
| 11 | Реле электробензонасоса |
| 12 | Главное реле |
| 13 | Предохранитель, защищающий силовую цепь реле электробензонасоса |
| 14 | Предохранитель, защищающий силовые цепи главного реле |
| 15 | Плавкая вставка |
| 16 | Предохранитель, защищающий цепь постоянного питания контроллера |
| 17 | Диод |
| 18 | Регулятор холостого хода |
| 19 | Форсунки |
| Х1 | Колодка диагностики |
| Х2 | Колодка соединения с системой электрооборудования автомобиля |
ВАЗ 2107 — схема инжектора (система управления впрыска топлива)

| № реле/ предохранителя | Обозначения |
| 1 | Разъем контроллера |
| 2 | Датчик массового расхода воздуха |
| 3 | Датчик температуры охлаждающей жидкости |
| 4 | Датчик положения коленчатого вала |
| 5 | Датчик положения дроссельной заслонки |
| 6 | Датчик концентрации кислорода |
| 7 | Датчик скорости |
| 8 | Модуль зажигания |
| 9 | Электромагнитный клапан продувки адсорбера |
| 10 | Реле электровентилятора |
| 11 | Реле электробензонасоса |
| 12 | Главное реле |
| 13 | Предохранитель, защищающий силовую цепь реле электробензонасоса |
| 14 | Предохранитель, защищающий силовые цепи главного реле |
| 15 | Плавкая вставка |
| 16 | Предохранитель, защищающий цепь постоянного питания контроллера |
| 17 | Диод |
| 18 | Регулятор холостого хода |
| 19 | Форсунки |
| Х1 | Колодка диагностики |
| Х2 | Колодка соединения с системой электрооборудования автомобиля |
Для чего нужен блок предохранителей в схеме автомобиля?
С помощью блока предохранителей ВАЗ 2101 удается достичь максимальной степени защиты от короткого замыкания. Блок включает в себя несколько плавких элементов, которые в случае возникновения КЗ размыкают ту или иную цепь. Вся электропроводка ВАЗ 2101 поделена на составные части. Поэтому при коротком замыкании, например, в цепи питания прикуривателя, двигатель все равно будет заводиться и вы сможете доехать куда угодно. Все предохранители расположены в одном месте — это позволяет проводить осмотр электропроводки и ее диагностику максимально быстро.
Стоит также обратить внимание на одну особенность построения схемы автомобиля — все освещение разбито на две половины (левую и правую). Шанс того, что сгорят сразу оба предохранителя, 50/50, поэтому, в большинстве случаев ваш автомобиль будет иметь освещение хотя бы с одной стороны
Для ремонта достаточно открыть крышку блока и, воспользовавшись вышеприведенной таблицей, найти нужный элемент и заменить его на аналогичный. Обратите внимание на то, что нельзя ставить предохранители большего или меньшего номинала, так как в первом случае будет страдать электропроводка ВАЗ 2101 (изоляция рассчитана на меньшие токи), а во втором плавкий элемент будет сгорать при малейшей нагрузке.
Официальный сайт автоклуба ВАЗ 2101 в Санкт-Петербурге Архив
плюсы:Более точные.Не плавятся, а отщёлкивают.Не мешают ( у кого рост большой )Выглядят эстетичней+3 предохранителя в стандартном размере блокаа главное будет меньше проблем с электрикой, тк у новых на много лучше контакт и не отогнуться лапки, удерживающие предохранитель.
Нам понадобится:— Блок предохранителей ГАЗ 3110— Клемы типа «мама»— Изолента, термоусадка.— Сами предохранители. В стандартном блоке 10шт. 1 на 16А и 9 на 8А Тут нам понадобится 1 на 20А и 9 по 10А, эти номиналы максимально близки к тем что стояли ( нового образца срабатывают на много точнее ), к выбору номиналов венусь позже.
Вот сам блок.

и вот такая фигня случилась ещё при вытаскивании предохранителя…

благо запасных взял.
Для начала скинем массу с акума.Далее я снял старые предохранители и открутил блок.

Примерил новый блок

С начала чуть не подходил, но при помощи этого чудо- инструмента

всё встало как так и было , будете рихтовать- не переусердствуйте, ушки очень хрупкие. Подогнуть пришлось может 0.5см, так что не критично.
На старом блоке внутри есть перемычки между предохранителями, в этом — нет. И нам надо их сделать.Сделать их надо между 3м и 4м, 5м и 6м, 7м и 8м, 9м и 10м предохранителями. Можете посмотреть на электросхеме, что было всё понятней.Каждый делает перемычки по своему. Кто-то подгибает ушки на блоке. Кто-то напаивает кусок провода. И т.д.Рассмотрим 2 варианта.1) Более популярный. так делал соклубник ChesnoKОн изготовил вот такие «перемычки»

Цитата
изготавливалась очень просто: две «мамы», проводок около 3-4 см длиной, паяльник, припой, конифоль и термотрубка.

2) Вариант как делал яВзял такие клеммы

и при помощи выше упомянутого чудо- инструмента сделал из них это

они и выполнили роль перемычек, лапки на новом блоке рядом, по этому эти отлично встали.
Далее перекидываем провода по 1му, одевая термоусадку на старые провода, т.к
на новом провода гораздо ближе будут и лучше подстраховаться.ВНИМАНИЕ! Это самый ответственный момент. Не перепутайте провода! Лучше перекидывать по 1му и проверить каждый по разу. Если что-то перепутаете это может привести к лишнему геморою потом
Как вариант можно все провода подписать
Если что-то перепутаете это может привести к лишнему геморою потом. Как вариант можно все провода подписать.
Вот все провода на новом месте

Преды заняли своё место

В принципе вся установка, у меня заняла 30-40 минут не торопясь… И изучая проводку. Очень удобно, преды не торчат

а главное есть 3 свободных, лично мне они нужны щас для эл.вентилятора и быть может обогрева текла ( если стекло раздобуду ).
Про номиналы предохранителей.
В старом блоке были 1й — 16А, остальные — 8А.Номиналы в новом ближе всего 8А-10А, 16А-15А.НО ножевые точнее! По этому можно ставить номиналом побольше.По этому вопросу некий МегаВольт с московского форума провёл «научную работу»
Цитата
В цепи ближнего-дальнего света можно втыкать и 10А красные, если только стоят лампы родной мощности, для 90/100Вт ламп — синие на 15А.
А по большому счету лучше найти амперметр до 50Аи вынув предохранитель и подключив вместо него амперметр, включить все потребители, которые сидят на этом предохранителе. Зафиксировать значение тока и поставить предохранитель номиналом на размер больше…
Итого:блок — 220рпредохранители — по 3р./шт где-тотермоусадка — 60р. упаковка
Удачной установки.
Жгут проводов в салоне
Передний жгут проводов, расположенный в моторном отсеке, является основным в системе электрического обеспечения. В салон автомобиля передний пучок проходит через технологическое отверстие с уплотнителем под панелью приборов. Электрическая система передней части соединяется с проводами панели приборов, блоком предохранителей, переключателями и зажиганием. В этой части салона основные электрические цепи защищены предохранителями.
Блок предохранителей расположен слева от руля. За блоком на кронштейне закреплены вспомогательные реле. От исправного функционирования электрических приборов и реле зависит надёжная работа ВАЗ 2101. Плавкие предохранители защищают электрические цепи ВАЗ 2101 от короткого замыкания.

Простые предохранители являются надёжным элементом безопасности при коротком замыкании
Перечень электрических узлов, защищаемых предохранителями:
- Звуковой сигнал, лампы стоп-сигналов, плафоны внутри салона, прикуриватель, розетка переносной лампы (16 А).
- Электродвигатель отопления, реле стеклоочистителя, двигатель омывателя ветрового стекла (8 А).
- Дальний свет левой фары, контрольная лампа дальнего света (8 А).
- Дальний свет правой фары (8 А).
- Ближний свет левой фары (8 А).
- Ближний свет правой фары (8 А).
- Габаритный свет левого подфарника, габаритный свет правого заднего фонаря, контрольная лампа габаритов, лампа подсветки панели приборов, фонарь подсветки номерного знака, лампа освещения внутри багажника (8 А).
- Габаритный свет правого подфарника, габаритный свет левого заднего фонаря, лампа прикуривателя, лампа освещения моторного отсека (8 А).
- Датчик температуры охлаждающей жидкости, датчик уровня топлива и контрольная лампа резерва, лампа давления масла, лампа стояночного тормоза и указатель уровня тормозной жидкости, лампа уровня заряда аккумулятора, указатели поворотов и их контрольная лампа, фонарь освещения заднего хода, лампа вещевого отделения («бардачок») (8 А).
- Генератор (обмотка возбуждения), регулятор напряжения (8 А).
Видео: замена старого блока предохранителей ВАЗ 2101 на современный аналог
Коммутация приборов в салоне выполнена низковольтными проводами с эластичной масло— и бензостойкой изоляцией. Для облегчения поиска неисправностей изоляция проводов выполнена в разной цветовой гамме. Для большего различия на поверхность изоляции наносят спиральные и продольные полоски, чтобы исключить в жгутах наличие двух проводов одинаковой расцветки.
На рулевой колонке расположены контакты переключателей указателя поворотов, ближнего и дальнего света, звукового сигнала. В условиях сборочного цеха контакты этих переключателей смазаны специальной токопроводящей смазкой, удалять которую при ремонте запрещается. Смазка уменьшает трение и предотвращает окисление контактов и вероятное искрение.

При нарушении порядка подключения элементов вероятно дезинформирование участников движения
Номера позиций элементов электрической цепи на схеме подключения указателей поворота:
- Подфарники.
- Боковые указатели поворота.
- Аккумулятор.
- Генератор.
- Замок зажигания.
- Блок предохранителей.
- Реле-прерыватель.
- Сигнализатор включения.
- Переключатель.
- Задние фонари.
Прерывистый сигнал поворотников определяется реле-прерывателем. Соединение с «массой» обеспечивают провода чёрного цвета, соединения с «плюсом» — розовые или оранжевые провода. В салоне автомобиля провода соединяют:
- панель приборов и подсветку индикаторов;
- пучки фар;
- указатели поворота;
- освещение в салоне;
- стеклоочиститель;
- ножной омыватель ветрового стекла.
По левой стороне салоне под ковриками проходит задний жгут проводов. От него отходит нить к выключателю плафона в стойке двери и выключателю лампы стояночного тормоза. Ответвление к правому плафону проходит за задней балкой по полу кузова, там же расположены провода, соединяющие датчик указателя уровня и резерва топлива. Провода в пучке закреплены липкой лентой к полу.





























