Из чего состоит реле стеклоочистителей
Реле дворников имеет вид коробки, окрашенной в темный цвет, к которой подведен провод длиной 15 см. Если приняться за его разборку, снутри можно узреть электронную плату, где находятся составляющие электроники
Их собирают и подсоединяют друг к другу, беря во внимание схему, разработанную конструкторами, эта схема как раз поддерживает реле дворников в работоспособном состоянии
Для наилучшего осознания разберем по частям устройство реле стеклоочистителей:
- Электрическая катушка.
- Микроскопичный контроллер формата ХП37.
- Конденсатор.
- Резистор.
Еще есть несколько резисторов, но они не так важны, как главный, находящийся около контроллера в правом углу устройства снизу. Плата включает подведенные 4 провода, которые производят передачу сигналов от регулятора дворников ВАЗ-2107.
Подключение вентилятора 2108, 2109, 21099

До 1998 года выпуска на автомобилях со старым монтажным блоком предохранителей 17.3722 (пальчиковые предохранители) в цепь вентилятора было включено реле 113.3747. После 1998 года такое реле отсутствует.

Так же до 1998 года применялся датчик включения ТМ-108 (температура замыкания его контактов 99±3ºС, размыкания 94±3ºС), после 1998 года ТМ-108-10 с аналогичными температурными диапазонами или его аналоги разных производителей. Датчик ТМ-108 работает только в паре с реле, усиленный под большой ток ТМ-108-10 может работать как с реле, так и без него.
Схема включения вентилятора охлаждения двигателя на ВАЗ 2109 с монтажным блоком 17.3722

- Электродвигатель вентилятора
- Датчик включения электродвигателя
- Монтажный блок
- Выключатель зажигания
К9 — Реле включения электродвигателя вентилятора. А — К выводу “30” генератора
Схема включения вентилятора охлаждения двигателя на ВАЗ 2109 с монтажным блоком 2114-3722010-60

- Электродвигатель вентилятора
- Датчик 66.3710 включения электродвигателя
- Монтажный блок
А — К выводу “30” генератора
Самая быстрая и бюджетная модернизация — установка кулеров

Штатный отопитель ВАЗ 2105 не всегда справляется с холодной зимней погодой Осуществляемая своими руками доработка печки ВАЗ-2105 не потребует слишком больших трудозатрат и средств, если обладатель авто решит модифицировать штатное оборудование посредством установки кулеров на боковые дефлекторы. Стоит отметить, что усовершенствовать отопительное оборудование ВАЗ-2105 следует абсолютно всем, так как из-за нерациональной конструкции весь поступающий в салон воздух идёт вниз. Благодаря установке кулеров, которыми, как правило, комплектуются ПК, можно настроить поступление воздуха, идущее по сторонам. Специалисты рекомендуют приобретать такие приспособления, которые способны сделать не менее 1500 оборотов за минуту. Несмотря на то что сделанная своими руками доработка печки ВАЗ-2105 не потребует больших затрат и времени, это поможет повысить уровень комфорта.
Порядок разборки блока предохранителей «пятерки»
Неисправности монтажного блока могут возникнуть в любой момент, поэтому автовладельцу следует научиться самостоятельно производить его разборку или замену. Под рукой всегда должна находиться схема предохранительного блока.
При возникновении неполадок в работе какого-либо электрического узла не следует сразу приниматься за ремонт соответствующего электродвигателя. Существует большая вероятность, что причиной поломки является именно предохранительный блок.
Расположение блока предохранителей отличается у автомобилей ВАЗ 2105 старого и нового образца:
- У «пятерки» старого образца внутренний блок предохранителей, находящийся внутри салона — его можно найти непосредственно под панелью приборов рядом с водительской дверью;
- А блок предохранителей ВАЗ 2105 нового образца располагается под капотом рядом с лобовым стеклом.
Для снятия крышки монтажного блока, ее нужно с небольшим усилием потянуть вверх. После этого можно приступать к ревизии предохранительных элементов.
Все предохранители отличаются по основному параметру — току срабатывания. На автомобилях ВАЗ 2105 используются предохранительные элементы, рассчитанные на силу тока от 6 до 20 А. Их следует подбирать в соответствии с мощностью потребления. Ни в коем случае нельзя использовать предохранитель, намного превышающий по параметрам требуемый, так как это может спровоцировать возникновение короткого замыкания электрооборудования.
Установка дополнительного электрооборудования часто вызывает необходимость пересчитать показатель максимального тока предохранителей. Для этого мощность потребителя следует разделить на величину напряжения бортовой сети «пятерки» (12) и подобрать элемент, ток срабатывания которого максимально приближен к полученному числу (в идеале, превышающий его на 20–25%).
Как заменить блок предохранителей ВАЗ 21053/ 21051/ 21055 :
В связи с тем, что основная функция блока предохранителей заключается в защите от электроповреждений более важных деталей автомобиля, он перегорает достаточно часто.
Для его замены следует приобрести новый рабочий блок и специальный накидной ключ на 13 мм.
Замена монтажного блока выполняется в таком порядке:
- Снимаем шурупы, которые закрепляют корпус блока;
- Смещаем колодки, которые подключаются снизу блока;
- Раскручиваем фиксаторы гаечным ключом на 10 мм;
- Снимаем старый блок и устанавливаем на его место новый.
Перед установкой нового блока следует осмотреть старый. Если есть контакты, которые перемкнуты между собой, то же необходимо сделать на новом блоке. После перемыкания контакты следует хорошо закрепить. Работу следует выполнить аккуратно, не перепутав места расположения перемычек.
Для установки предохранителей следует сверяться со схемой, так как при неправильном их размещении возникает высокая вероятность поломки нового блока.
Колодки блока предохранителей одинаковые, и для того чтобы разобраться, какого цвета пучок проводов следует подключить к тому или иному разъему блока, применяют специальную маркировку. Под колодками находится круглая цветовая метка: зеленого, голубого, белого, черного, красного или желтого цветов.
Для обозначения цветов проводов используют буквенные обозначения. Если провод двойного цвета, используют две буквы: первая — это цветовое обозначение провода, вторая — нанесенной на него полосы. Например, ПЧ — красный провод с черной полосой.
Применяются следующие буквенные обозначения цветов: Г — голубой; Ж — желтый; Ч — черный; П — красный; О — оранжевый; Р — розовый; З — зеленый; К — коричневый; С — серый; Б — белый; Ф — фиолетовый.
ВАЗ 2105 и 2107 с инжекторными двигателями
Более современные и экологичные моторы 21067 с распределённым впрыском топлива усложнили электрооборудование автомобилей, что привело к применению дополнительных предохранителей. На новых машинах также было возможно применение центрального замка.
Чуть раньше появились ещё два дополнительных предохранителя в держателях кабельного типа, врезанные в цепи двигателей очистки стёкол фар. Это было связано со случаями таинственной разрядки аккумулятора заклинившими моторедукторами на фары. Новые предохранители располагались рядом с задними корпусами правой и левой фары. Каждый отвечает за свою сторону.
Как произвести замену
Иногда предохранители требуют замены, даже если обороняемая ими схема находится во вполне исправном состоянии. Номинал предохранителя рассчитывается достаточно точно, чтобы в случае увеличения потребляемого тока даже на несколько десятков процентов автомобилю не был нанесён дополнительный ущерб.
Но кратковременное повышение протекающего через предохранитель тока вполне возможно и при штатных ситуациях. Пусковые броски тока электродвигателей, повышенное потребление лампами при разогреве нитей, перегрев корпуса предохранителя из-за плохого контакта в его разъёме, наконец, брак при производстве и увеличенный допуск по номиналу. Иногда это может быть даже естественное старение, а также ошибка при установке.
Изнутри на крышке имеется некая памятка, там указано, где находится каждый прибор и его рабочий ток. Эти данные должны строго соответствовать реальности, иначе возможны вышеуказанные неприятности. Предохранители нового образца обычно выполнены из прозрачного пластика, что позволяет определить их целостность даже визуально. Но не всегда. Порой обрыв глазом рассмотреть не удается. Можно использовать мультиметр в режиме омметра или контрольную лампочку.
Проще всего измерить сопротивление извлечённого предохранителя омметром. Прибор должен показать сопротивление около нуля. Не более чем его же показания при накоротко замкнутых между собой наконечниках щупов. Можно сравнить с имеющимся в запасе заведомо исправным предохранителем.
Определённым удобством является цветовая кодировка номиналов. Но не стоит ей слепо доверять, основное – это число, указанное на торце корпуса. Новая вставка должна быть промаркирована так же, как допускает схема, поскольку вышедшая из строя вставка тоже могла быть подобрана неверно.
Если же и новый предохранитель выходит из строя, дальнейшие замены бессмысленны. Надо искать и устранять неисправность в приборах, панели приборов или самой проводке.
Реле стартера
Для включения стартера служат реле 113.3747-10 или 90.3747-10 с кронштейном на крышке. Реле стартера установлено в моторном отсеке на правом брызговике.
Снимаем с его выводов колодку проводов, ключом «на 10» отворачиваем гайку крепления и меняем реле.
Реле очистителя ветрового стекла
Реле очистителя ветрового стекла (РС-514) предназначено для обеспечения прерывистого режима его работы. Установлено оно под панелью приборов со стороны водителя и прикреплено к кузову двумя винтами.
Поддев отверткой, снимаем левую обивку боковины. Для ее последующей установки потребуются две новые кнопки крепления.
Крестообразной отверткой отворачиваем два самореза крепления реле. Разъем реле находится в приборной панели, рядом с регулятором гидрокорректора фар . К нему можно подобраться снизу приборной панели
Важно не ошибиться с соединительной колодкой
Колодка реле с четырьмя выводами, (щиток приборов для наглядности снят).
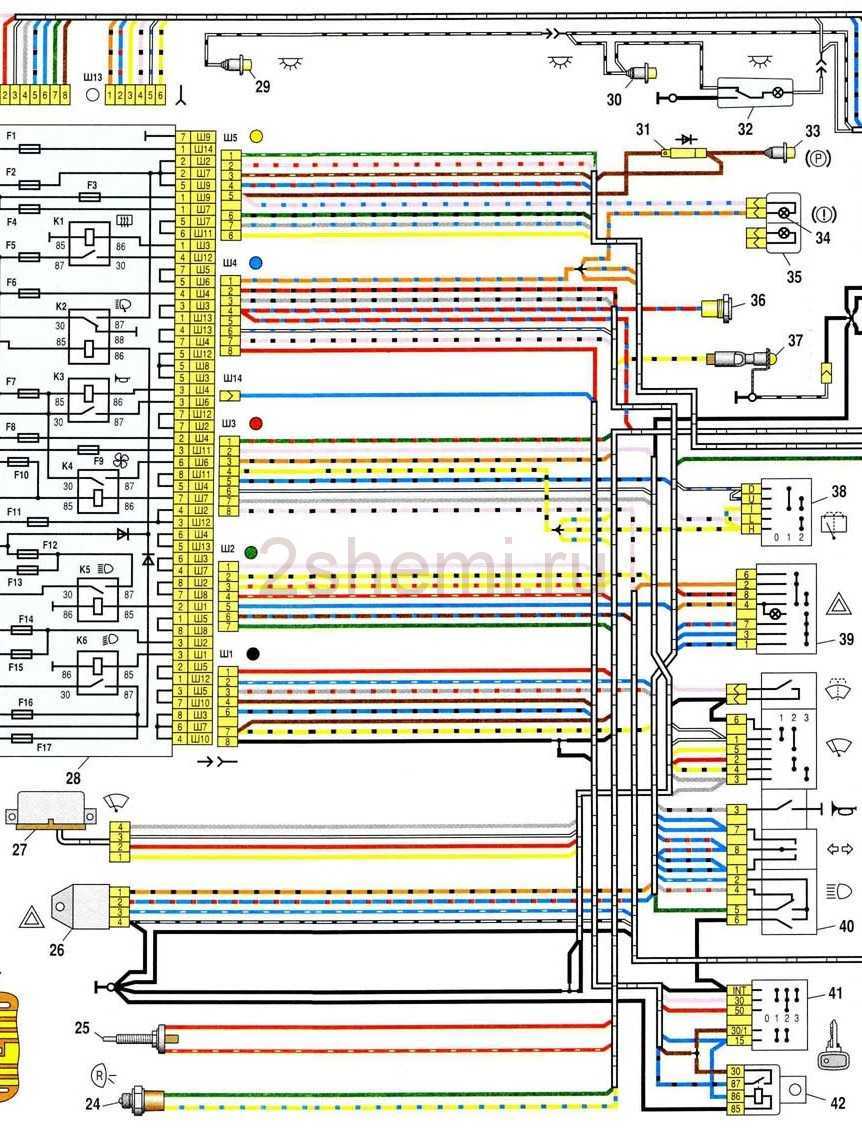
Схема ВАЗ-21043 и ВАЗ-21047 карбюратор



1 – блок-фары;
2 – боковые указатели поворота;
3 – аккумуляторная батарея;
4 – реле включения стартера;
5 – электропневмоклапан карбюратора;
6 – микровыключатель карбюратора;
7 – генератор 37.3701;
8 – моторедукторы очистителей фар*;
9 – электродвигатель вентилятора системы охлаждения двигателя;
10 – датчик включения электродвигателя вентилятора;
11 – звуковые сигналы;
12 – распределитель зажигания;
13 – свечи зажигания;
14 – стартер ВАЗ 21047;
15 – датчик указателя температуры охлаждающей жидкости;
16 – подкапотная лампа;
17 – датчик сигнализатора недостаточного давления масла;
18 – катушка зажигания;
19 – датчик сигнализатора недостаточного уровня тормозной жидкости;
20 – моторедуктор очистителя ветрового стекла;
21 – блок управления электропневмоклапаном карбюратора;
22 – электродвигатель насоса омывателя фар*;
23 – электродвигатель насоса омывателя ветрового стекла;
24 – выключатель света заднего хода;
25 – выключатель сигнала торможения;
26 – реле аварийной сигнализации и указателей поворота;
27 – реле очистителя ветрового стекла;
28 – монтажный блок;
29 – выключатели плафонов на стойках передних дверей;
30 – выключатели плафонов на стойках задних дверей;
31 – диод для проверки исправности лампы сигнализатора недостаточного уровня тормозной жидкости;
32 – плафоны;
33 – выключатель сигнализатора стояночного тормоза;
34 – лампа сигнализатора недостаточного уровня тормозной жидкости;
35 – блок сигнализаторов;
36 – штепсея розетка для переносной лампы**;
37 – лампа освещения вещевого ящика;
38 – переключатель очистителя и омывателя стекла двери задка;
39 – выключатель аварийной сигнализации;
40 – трехрычажный переключатель;
41 – выключатель зажигания;
42 – реле зажигания;
43 – эконометр;
44 – комбинация приборов; 45 – выключатель сигнализатора прикрытия воздушной заслонки карбюратора;
46 – лампа сигнализатора заряда аккумуляторной батареи;
47 – лампа сигнализатора прикрытия воздушной заслонки карбюратора;
48 – лампа сигнализатора включения указателей поворота;
49 – спидометр;
50 – лампа сигнализатора резерва топлива;
51 – указатель уровня топлива;
52 – регулятор освещения приборов;
53 – часы;
54 – прикуриватель;
55 – предохранитель цепи противотуманного света;
56 – электродвигатель вентилятора отопителя;
57 – дополнительный резистор электродвигателя отопителя;
58 – электродвигатель насоса омывателя стекла двери задка;
59 – выключатель заднего противотуманного света с сигнализатором включения;
60 – переключатель вентилятора отопителя;
61 – выключатель обогрева стекла двери задка с сигнализатором включения;
62-переключатель наружного освещения;
63 – вольтметр;
64-лампа сигнализатора включения наружного освещения;
65-лампа сигнализатора включения дальнего света фар;
66 – лампа сигнализатора недостаточного давления масла;
67 – лампа сигнализатора включения стояночного тормоза;
68 – тахометр;
69 – указатель температуры охлаждающей жидкости;
70 – задние фонари;
71 – колодки для подключения к элементу обогрева стекла двери задка;
72 – датчик указателя уровня и резерва топлива;
73 – плафон освещения задней части салона;
74 – фонари освещения номерного знака;
75 – моторедуктор очистителя стекла двери задка.
Электросхема — полный вид:
ПОЧЕМУ ВЫХОДЯТ ИЗ СТРОЯ ПРЕДОХРАНИТЕЛИ
Причин для этого может быть несколько. Начать нужно с банальных случаев, когда в цепь ставится меньший по току прибор. При включении, например, освещения, пусковой ток холодных нитей накала превышает рабочий, поэтому при исправных цепях предохранитель меньшего номинала просто перегорит.
Короткое замыкание в защищаемой цепи, это одна из самых опасных неисправностей электрооборудования. Если в цепи где произошло КЗ стоит предохранитель большего номинала, то вместо него может перегореть дорожка печатной платы монтажного блока. Если виновником перегорания предохранителя стало КЗ в цепи, то перед установкой нового защитного элемента, нужно постараться его устранить.
Dessar194 › Блог › Схема и расположение блока предохранителей на ВАЗ-2107, 2105 и 2104
В данном кратком мануале или ликбезе мы рассмотрим типы блоков предоранителей на семерках, пятерках и четверках, их устройство, расположение, схему, узнаем какой предохранитель за что отвечает и какую именно цепь предохраняет от замыкания, в общем любому владельцу ВАЗ-2107, 04 и 05 рекомендуем добавить в избранное или распечатать и положить в бардачке, пригодится при неполадхах в электросети автомобиля. Ну чтож, поехали — вот так выглядит блок предохранителей нового образца, с флажковыми предохранителями, установленный на ВАЗ-2107: Ранее автомобили ВАЗ-2107 комплектовались блоками предохранителей старого образца, с трубчатыми предохранителями. Вот фото:
Схема у этих двух типов блоков абсолютно идентична, приводим ниже схематическое изображение соединений внутри блока:
Нумерация предохранителей на блоках старого образца по порядку, с лева на право, на блоках нового образца хорошо видна вот на этом фото:
Вот схематичное изображение блока:
Теперь распишем какой предохранитель за что отвечает в ВАЗ-2107, 2105 и 2104, напоминаем, для блоков старого и нового образца нумерация предохранителей и цепи не изменны:
Реле:R1. — Реле включения обогрева заднего стекла.R2. — Реле включения дальнего света фар.R3. — Реле включения ближнего света фар.F1 — F17. — Предохранители автомобиля ВАЗ 2107.1. — Место установки реле включения очистителей и омывателей фар.2. — Перемычка (ранее устанавливалось реле включения звукового сигнала).3. — Перемычка (ранее устанавливалось реле включения электродвигателя вентилятора системы охлаждения). 4. — Пинцет для замены предохранителей.5. — Запасные предохранители.6. — Пинцет для замены релеЭлектрические цепи автомобиля ВАЗ 2107Предохранители:F1 (10А)электродвигатель отопителялампы света заднего ходасигнализатор и реле включения (обмотка реле) обогрева заднего стеклаF2 (10А)электродвигатель стеклоочистителяэлектродвигатель очистителей фарэлектродвигатели насосов омывателей ветрового стекла и фарF3(10А) резервныйF4(10А) резервныйF5(20А) элемент обогрева заднего стекла и реле его включения (контакты)F6 (10А)прикуривательчасыF7 (20А)звуковые сигналыреле сигналовреле (контакты) и электродвигатель вентилятора охлаждения радиатораF8 (10А)выключатель аварийной сигнализации с контрольной лампойреле-прерыватель указателей поворота и аварийной сигнализациилампа контроля указателей поворота (в режиме аварийной сигнализации)указатели поворота (в режиме аварийной сигнализации)F9 (7,5А)лампы задних противотуманных фонарей и их сигнализаторF10 (10А)указатели поворота (в режиме указания поворота)тахометр, вольтметрреле-прерыватель и сигнализатор указателей поворотасистема управления электропневмоклапаномуказатель и сигнализатор резерва топливауказатель температуры охлаждающей жидкостилампа контроля включения стояночного тормозалампа контроля аварийного состояния рабочей тормозной системылампа контроля заряда аккумуляторной батареилампа контроля закрытия воздушной заслонки карбюраторареле электровентилятора (обмотка)термовыключатель электровентилятораобмотка возбуждения генератораF11 (10А)плафон освещения салоналампы сигналов торможениялампа контроля непристегнутого ремня безопасности водителя (если имеется)F12 (7,5А)лампа дальнего света (правая фара)реле стеклоочистителей и омывателей фар (обмотка реле)F13 (10А)лампа дальнего света (левая фара)лампа контроля включения дальнего светаF14 (10А)лампа габаритного освещения (левая блок-фара)лампа габаритного освещения (правый фонарь)лампа фонарей освещения номерного знакаподкапотная лампалампа контроля включения наружного освещенияF15 (20А)лампа габаритного освещения (правая блок-фара)лампа габаритного освещения (левый фонарь)лампы освещения прикуривателя, приборов, бардачка, часовF16 (10А)ближний свет фар (правая блок-фара)реле стеклоочистителей и омывателей фар (обмотка реле)F17 (7,5А)ближний свет фар (левая блок-фара)
Ваз 2107, 2105, 2104 — предохарнители и реле
Ваз 2107 (Лада 2107) заднеприводной седан который выпускался в 1982, 1983, 1984, 1985, 1986, 1987, 1988, 1989, 1990, 1991, 1992, 1993, 1994, 1995, 1996, 1997, 1998, 1999, 2000, 2001, 2002, 2003, 2004, 2005, 2006, 2007, 2008, 2009, 2010, 2011 и 2012 году преимущественно с бензиновыми двигателями (инжектор, карбюратор). Модели Ваз 2105, 2104 собраны на общей платформе с 2107, поэтому и исполнение блоков у них во многом совпадает. В данной публикации вы найдете описание предохранителей и реле Ваз 2107, 2105, 2104 со схемой блока и фото примерами исполнения. Отметим предохранитель отвечающий за прикуриватель. В заключении предложим ознакомится с электрической схемой соединения блока предохранителей.

НЕСКОЛЬКО СЛОВ О НОВОМ ИЗДЕЛИИ
Модернизированный блок полностью совпадает со старым изделием по всем параметрам, схема монтажного блока ваз 2105 нового образца, ничем не отличается от предыдущих выпусков. Главное его отличие заключается в том, что стали применяться предохранители нового образца. На смену цилиндрическим изделиям, пришли ножевые предохранители. У них площадь контакта больше, поэтому повышается их надёжность во время эксплуатации. Они стандартные и применяются на многих современных автомобилях.
Монтажный блок нового образца (для ВАЗ 2105)
На рисунке показан новый блок, где отчётливо видны его отличия от старого изделия. Установка его производится на штатное место старого блока. Разъёмы с проводами подключаются в моторном отсеке с нижней части блока, а вторая часть будет устанавливаться из салона, в районе вещевого ящичка. Перепутать разъёмы невозможно, так как каждый из них снабжён своей цветовой меткой.
Предохранители нового типа для облегчения определения их номинала, маркируются в разные цвета. Так, например, изделия для тока силой 7,5 Ампер окрашиваются в коричневый цвет, красный был присвоен 10 Амперным, а синий цвет принадлежит изделиям с номинальным током 15 Ампер. Самые мощные по току изделия, будут жёлтого цвета. На «пятерках» и «семёрках» применяют изделия номиналом 10 и 20 Ампер.
В торговых сетях продаются монтажные блоки таких производителей как, «Точмаш» и «Авар». Они полностью взаимозаменяемые между собой и старыми изделиями. Стоимость их может быть в пределах от 1800 до 2000 рублей.
ВАЗ 2105 и 2107 с инжекторными двигателями
Более современные и экологичные моторы 21067 с распределённым впрыском топлива усложнили электрооборудование автомобилей, что привело к применению дополнительных предохранителей. На новых машинах также было возможно применение центрального замка.
Чуть раньше появились ещё два дополнительных предохранителя в держателях кабельного типа, врезанные в цепи двигателей очистки стёкол фар. Это было связано со случаями таинственной разрядки аккумулятора заклинившими моторедукторами на фары. Новые предохранители располагались рядом с задними корпусами правой и левой фары. Каждый отвечает за свою сторону.
Реле зажигания и реле аварийной сигнализации и указателей поворота
Снимаем щиток приборов. Оба реле установлены в салоне на передней панели за щитком приборов. Реле зажигания (113.3747-10 или 90.3747-10) и реле аварийной сигнализации и указателей поворота (23.3747 или 231.3747) имеют кронштейн для непосредственного крепления на кузове.
Головкой «на 10» отворачиваем гайку крепления реле. Реле, подлежащее замене, отсоединяем от колодки. Новое реле крепим на место, подложив под гайку провод «массы».
КАК ДЕМОНТИРОВАТЬ (СНЯТИЕ И УСТАНОВКА) БЛОК
Процесс выполнения несложный, и может быть выполнен любым водителем самостоятельно.
Из инструментов необходимы (или то или другое – подходят оба):
- Торцевой ключ
- Головка с длинной надставкой на «10»
Рассмотрим более подробно о том, как снять монтажный блок ВАЗ 2105. Как уже отмечалось ранее, основная рабочая часть блока находится в моторном отсеке, а его крепление к щиту выполняется со стороны салона.
Замена предохранительного блока ВАЗ 2105,будет происходить примерно таким образом:
Нужно открыть капот машины и отключить клеммы от аккумуляторной батареи;
В нижней части блока отключаются разъёмы с проводами. Обратите при этом внимание на их цветовую раскраску. У каждого разъёма она своя;
Далее работа продолжается в салоне машины
Нужно открыть вещевой ящичек и снять его внутренний пластмассовый корпус. Сделать это несложно, нужно вывернуть пару саморезов и он легко вынимается;
После этого, вашему взору предстанет внутренняя часть блока с ответными разъёмами с проводами и болтами крепления;
Снова отключаются разъёмы с проводами, каждый из них имеет свой цвет;
Теперь можно демонтировать старый блок. Для этого торцевым ключом на «10» отвинчивают гайки болтов крепления;
После этого можно вынуть его со стороны моторного отсека, вместе с уплотнительной прокладкой.
Монтаж его производится в обратной последовательности. Резиновую уплотнительную прокладку блока желательно «посадить» на любой герметик. Это перекроет доступ пыли в салон. Подключая разъёмы с проводами, внимательно следите за их цветовой гаммой.
Мы старались, чтобы статья была для Вас максимально полезной!
ЦЕПИ, ЗАЩИЩАЕМЫЕ ПРЕДОХРАНИТЕЛЯМИ
Предохранители ВАЗ 2105 несут ответственность за потребителей электрической энергии и их цепи, причем у всех они разные. Если взглянуть на открытый блок предохранителей сверху со стороны передней части, то в первом ряду расположены реле.
Они отвечают (идём слева и направо) за работу следующего оборудования:
- Включает обогреватель заднего стекла;
- Моторчики омывателей и очистителей фар;
- Подключение звукового сигнала, в некоторых блоках может стоять перемычка;
- В этом месте ставится перемычка для возможности включения электродвигателя вентилятора системы охлаждения;
- Освещение дальним светом;
- Включение ближнего освещения.
Если выходит из строя реле, то его можно заменить другим, так как некоторые из них однотипные. Это относится к «релюшкам» под номерами 1; 5 и 6. Для проверки работоспособности их достаточно переставить местами.

Если продолжать его рассматривать, то в нижнем ряду установлены предохранители.
Как видно из описания, постоянно в работе находятся 15 и 2 резервные предохранители. При проверке следует быть осторожным, так как постоянно подключены к бортовой сети цепи звукового сигнала, лампы торможения, розетка для переносной лампы, освещение в салоне, цепи аварийной сигнализации и освещения.
Блок предохранителей и реле
h21,0,0,0,0—>
Главный блок с предохранителями и реле находится под капотом и может быть выполнен в 2-х вариантах (старого и нового образца). Актуальная схема будет нанесена на крышку блока.
p, blockquote3,0,0,0,0—>
Вариант 1
h31,0,0,0,0—>

Предохранители и реле ВАЗ 2108 2109 21099, 1984 — 2006
p, blockquote4,0,0,0,0—>
Схема
p, blockquote5,0,0,0,0—>p, blockquote6,0,0,0,0—>
Вариант 2
h32,0,0,0,0—>
Устанавливался на автомобили ранних годов выпусков, тут предохранители имеют цилиндрический вид.
p, blockquote7,0,1,0,0—>p, blockquote8,0,0,0,0—>
Схема
p, blockquote9,0,0,0,0—>p, blockquote10,0,0,0,0—>
Описание
h33,0,0,0,0—>
Не работает печка ваз 2109: причины, какой предохранитель
Предохранители
p, blockquote11,0,0,0,0—>
| 1 | |
| 2 | |
| 3 | 8/10А Резервный |
| 4 | 8/10А Резервный |
| 5 | 16/20А Элемент обогрева заднего стекла и реле включения обогрева |
| 6 | 8/10А Прикуриватель Штепсельная розетка для переносной лампы Часы |
| 7 | |
| 8 | |
| 9 | 8/10А Регулятор напряжения генератора |
| 9 | 8/7,5А Лампы задних противотуманных фонарей и их сигнализатор |
| 10 | |
| 11 | |
| 12 | |
| 13 | |
| 14 | |
| 15 | |
| 16 | |
| 17 | 8/10А Ближний свет фар (левая блок-фара) |
| 18 | Запасной |
| 19 | Запасной |
| 20 | Запасной |
| 21 | Запасной |
p, blockquote12,0,0,0,0—>
Реле
p, blockquote13,0,0,0,0—>
| К1 | Реле включения обогрева заднего стекла (904.3747-10 / 2105 -3747210-18, 2107 -3747210-12) |
| К2 | Реле очистителя и омывателя фар (904.3747 / 2105 -3747210-08, 2107 -3747210-02) |
| К3 | Реле включения звуковых сигналов (904.3747-10 / 2105 -3747210-18, 2107 -3747210-12) |
| К4 | Реле включения электро вентилятора охлаждения (с 2000 года не используется) (904.3747-10 / 2105 -3747210-18, 2107 -3747210-12) |
| К5 | Реле включения дальнего света фар (904.3747-10 / 2105 -3747210-18, 2107 -3747210-12) |
| К6 | Реле включения ближнего света фар (904.3747-10 / 2105 -3747210-18, 2107 -3747210-12) |





























