Компоненты системы АБС
Антиблокировочная тормозная система АБС 5.3 состоит из обычной гидравлической тормозной системы и элементов антиблокировки. В состав традиционной тормозной системы входит вакуумный усилитель, главный цилиндр, передние дисковые тормоза, задние барабанные тормоза, трубопроводы и шланги гидравлической системы привода, датчик уровня тормозной жидкости и контрольная лампа тормоза.
В состав системы АБС входит гидравлический блок, контроллер тормозной системы, два предохранителя, четыре датчика скорости колес (по одному на каждом колесе), соединительная электропроводка, контрольная лампа АБС, контрольная лампа системы электронного распределения тормозных усилий (соединенная с лампой стояночного тормоза) и задние дисковые тормоза. См. «Расположение компонентов АБС» в этом разделе.
Гидравлический блок с закрепленным на нем контроллером тормозной системы установлен между расширительным бачком и щитком передка в левой части моторного отсека.
Гидравлический блок состоит из запорных клапанов, двух электромагнитных клапанов для каждого колеса, гидравлического насоса, двух аккумуляторов и двух демпферов. Для предотвращения блокировки колес гидравлический блок регулирует давление жидкости, подаваемой к тормозным механизмам передних и задних колес.
Гидравлический блок и контроллер тормозной системы не подлежат техническому обслуживанию. В случае выхода из строя следует заменить весь блок АБС с контроллером.
Приём, использовавшийся до появления АБС
Опытные водители давно научились противостоять срыву колёс на торможении. Им хорошо известно, что эффектное торможение с юзом и дымом из-под колёс на самом деле неэффективно. Тормозной путь заметно удлиняется. В борьбе за метры жизненного пространства перед остановившимся автомобилем существовали два приёма. Собственно, используются они и сейчас, например, в автоспорте, где АБС запрещена во многих дисциплинах.
Торможение на грани блокировки шин. Технически очень сложный приём, требует хорошей тренированности вестибулярного аппарата. Надо очень тонко улавливать грань скольжения по изменению замедления в нежелательную сторону, когда усилие на педали совсем немного добавилось, а торможение ухудшилось. Ситуация усложняется неравномерностью коэффициента сцепления по всем четырём колёсам. Любое из них может попасть на участок с грязью, льдом или вообще на обочину дороги.
Прерывистое торможение. При обнаружении грани блокирования всё равно педаль надо отпускать, так не лучше ли это сделать заранее, предварительно гарантированно превысив допустимый предел по силе нажатия? И сразу же снова нажать. Подобный приём хорошо известен в радиоэлектронике, где он называется широтно-импульсным модулированием. Причём там он настолько хорошо прижился, что на его основе работают почти все силовые регуляторы. Надо только обеспечить обратную связь.
В описанных способах обратная связь идёт через органы чувств человека, а результат зависит от его способностей и опыта. Естественно, автомобильные инженеры захотели заменить человека автоматикой, которую проще раз и навсегда обучить, а потом лишь тиражировать механизмы и алгоритмы. Тем более что возможности электромеханических устройств по скорости реакции куда лучше, чем у человека. Так и появились первые серийные антиблокировочные системы, известные сейчас под аббревиатурой ABS.
Системы АБС показали высокую эффективность, и существуют области применения, где они стали обязательными. Например, в автобусах и даже в авиации. Попытки остановить тяжёлый авиалайнер колёсными тормозами однозначно приводят к протиранию и взрыву покрышек, после чего катастрофа неизбежна. Торможение на грани, когда колёса всё же проворачиваются, спасает шины, а значит и человеческие жизни. Пилот в ручном режиме так тормозить не может, обратная связь в многотонной машине сведена практически к нулю.
Как проверить Датчик АБС?

В строении АБС присутствуют датчики скорости, они работают исходя из принципа электромагнитной индукции. Катушка со специальным магнитным сердечником фиксируется в редукторе, что находится в ведущем мосте. Зубчатый венец, закрепленный на ступице, имеет свойство вращаться параллельно с колесом. Данное вращение приводит к изменению параметров магнитного поля, ответной реакцией которого становится появление тока. Сила этого тока возрастает в соотношении со скоростью вращения колес. Таким образом, создается сигнал, который передается в систему управления. Одной из причин не исправности может стать обрыв провода. Это можно проверить с помощью специального тестера, пинов и паяльника:
- Пины, что используют для ремонта, необходимо присоединить на разъемы;
- Затем с помощью тестера измерить сопротивления датчика скорости. Предел нормы значения указаны в руководстве, их стремление сопротивление к нулю или бесконечности говорит о наличие замыкания или обрыва цепи;
- После это следует проверить колесо и сопротивление, в исправном датчике эти показатели меняются.
При поломке датчика, следует выяснить, как его снять, а потом отвести специалисту на диагностику, после чего будет понятно можно ли его починить или требуется приобрести новый.
Без системы АБС сегодня не обходится ни одно современное транспортное средство. Особенностью этого устройства является простой принцип его работы и эффективность. Благодаря этому множество водителей могут контролировать торможение автомобиля при возникновении экстренных ситуаций
Поэтому так важно следить за состоянием системы и периодически проверять ее у специалистов
Принципы действия ABS
Модуляция давления
2/2-ходовой электромагнитный клапан (впускной клапан) с двумя гидравлическими подключениями и двумя положениями включения устанавливается между главным тормозным цилиндром и тормозным цилиндром колеса традиционной тормозной системы (рис. «Конструкция ABS» ). Когда клапан открыт (нормальная настройка для стандартного торможения), в тормозном цилиндре колеса может создаваться тормозное давление. Выпускной клапан, тоже 2/2-ходовой электромагнитный, в этот момент закрывается.
Если датчик угловой скорости колеса обнаружит резкое замедление колеса (риск его блокировки), то система предотвратит любое дальнейшее увеличение тормозного давления на данном колесе. Впускной и выпускной клапаны закрываются, и тормозное давление остается постоянным.
Если скорость замедления колеса продолжает расти, то должен открыться выпускной клапан. В результате давление в тормозном цилиндре колеса падает и колесо тормозится менее интенсивно. Тормозная жидкость, устремляющаяся в промежуточный резервуар, откачивается обратно в главный тормозной цилиндр возвратным насосом.
Относительное скольжение колеса
Относительное скольжение колеса возникает тогда, когда скорость vR, с которой центр колеса автомобиля движется в продольном направлении (скорость автомобиля) отличается от линейной скорости вращательного движения колеса в точке контакта с поверхностью дороги vU. Относительное скольжение колеса λ вычисляется следующим образом:
λ =(vU-vR)/vR • 100% .
Согласно этой формуле, в случае блокировки колеса относительное скольжение составит λ = -1.
При первоначальном торможении давление в приводе возрастает; величина относительного скольжения колеса λ увеличивается и в максимальной точке на кривой сцепления с дорогой/скольжения (рис. «Кривая зависимости сцепления с дорогой от скольжения колес» ) достигается граница устойчивого и нестабильного диапазонов качения колес. Начиная с этого момента, любое дальнейшее увеличение давления в приводе или тормозного момента не вызывает какого-либо дальнейшего повышения величины тормозной силы FB (рис. «Силы на затормаживаемом колесе» ). В устойчивом диапазоне скольжение колес в значительной степени представляет собой юз, оно имеет возрастающую тенденцию к пробуксовке в нестабильном диапазоне.
Происходит более или менее резкое падение коэффициента трения μHF, в зависимости от формы кривой сцепления в нестабильном диапазоне. Без ABS результирующий избыточный момент вызывает очень быстрое блокирование колеса при торможении.
АБС: наша страховка от неприятностей
Представьте ситуацию, Вы едете на автомобиле по загородной трассе, наслаждаясь окружающей природой. Впереди на небольшой дистанции движется грузовик, кузов которого забит какими-то коробками и хламом. Внезапно, подпрыгнув на кочке, он теряет одну из коробок, и она падает прямо перед Вашим авто.
Что делать?
Конечно, первая реакция водителя в этой ситуации попытаться затормозить и одновременно объехать препятствие.
И вот, кульминация истории – если ваша машина оборудована АБС, то совершить подобный манёвр довольно легко, но если этой системы нет, то тогда вполне вероятно, что от резкого удара по педали тормоза колёса заблокируются, и автомобиль превратится в неуправляемый снаряд, а это сулит неприятной встречей с выпавшей коробкой.
Как Вы уже поняли, ABS не просто полезная опция, а просто таки необходимая система, от которой зависит безопасность водителя и всех кто находится в авто.
Помимо того, что антиблокировочная система помогает сохранить контроль над транспортным средством в ситуациях похожих на описанную выше, она также значительно сокращает тормозной путь, улучшает манёвренность в сложных погодных условиях и даже помогает сэкономить резину.
Система электронного распределения тормозных усилий (EBD)
Логическим продолжением основного алгоритма антиблокировочной системы является система электронного распределения тормозных усилий, которая работает в диапазоне, пока недоступном для АБС.
Электронное распределение тормозных усилий обеспечивает точный контроль за проскальзыванием задних колес относительно передних. При обнаружении проскальзывания впускные клапаны привода тормозных механизмов задних колес переключаются в режим удержания давления для предотвращения его дальнейшего роста, таким образом, электроника выполняет функцию снижения давления в тормозных механизмах задних колес.

Что такое АБС в автомобиле простыми словами
ABS на английском языке означает Anti-Lock Breaking System. Это система безопасности, предназначенная для выполнения 3 основных задач:
- предотвращает блокировку колес при торможении;
- обеспечивает тягу на поворотах при нажатии на педаль тормоза;
- уменьшает тормозной путь.
ABS наиболее эффективна при прохождении поворотов в сложных дорожных условиях (например, при сильном дожде или снегопаде). Система разработана таким образом, чтобы исключить необходимость так называемого импульсного торможения и распределить тормозное усилие в тормозной системе так, чтобы ни одно колесо не блокировалось.

Поэтому она способна поддерживать степень проскальзывания каждого колеса в пределах от 10 до 40% (полная блокировка происходит при 100%-ной степени проскальзывания): только в этом случае водитель может скорректировать траекторию, если ему придется нажать на педаль тормоза в повороте. Постоянный контроль сцепления с дорогой также полезен при торможении на прямой дороге. Блокировка колес на сухом асфальте приведет к повреждению шины, а на мокром – к увеличению тормозного пути почти в два раза.
Автомобиль с заблокированными колесами на повороте скользит прямо. ABS предназначена для предотвращения этого и поддержания оптимального уровня проскальзывания каждого колеса (10-40%), давая водителю возможность скорректировать траекторию движения.
ABS – это настолько популярная техническая новинка, что о ней слышал практически каждый водитель. Неудивительно: она начала внедряться еще до Второй мировой войны, а в самолетах ее стали использовать в 1950-х годах. В качестве стандартного оборудования в легковом автомобиле она впервые появилась в 1978 году на борту Mercedes W116, а 3 года спустя – в грузовиках немецкой марки. Затем она стала использоваться на мотоциклах и автобусах, а позднее АБС стали оснащать и остальные автомобили.

Что такое ABS?
ABS представляет собой систему, что предотвращает блокировку колес при торможении транспортного средства. В автомобилях без этой системы при нажатии тормоза происходит блокировка колес, которая приводит к скольжению транспортного средства по поверхности. А АБС система направлена на решение этой проблемы, она ослабляет давление, благодаря этому колеса начинают вращаться. Таким образом, даже в ситуации, когда педаль тормоза будет постоянно нажата, процесс блокировки и разблокировки колес будет непрерывно осуществляться, и может происходить несколько раз в секунду.
На сегодняшний день в ABS системах используется такой же принцип, как и в первых разработках. Передовой автомобильной компанией в этой области была Mersedes. Их разработки с механическими датчиками были изменены, после многочисленных опытов и испытаний на замену к ним пришли бесконтактные датчики. Эта разработка позволила быстрее передавать информацию в блок управления автомобиля, именно ее принцип и используют современные компании.
История и эволюция системы ABS
Первые работы в направлении решения задачи блокировки колёс начались примерно с 1920-х годов. Тогда остро стояла проблема снижения эффективности тормозов после их блокировки на железнодорожных машинах, помимо этого заблокированные колёсные пары увеличивали шансы схода вагонов с рельс, а на колёсных ободах образовывалась выработка. Для решения проблемы применялись специальные электрические системы, регулирующие ток в тяговых электромоторах, работающих в режиме генератора при торможении. Примерно в то же время первые рабочие системы АБС производства Avions Voisin начали устанавливать в шасси самолётов.

Шасси самолёта
В 1936 году компания Bosch впервые запатентовала антиблокировочную тормозную систему для автомобиля, но не смогла её реализовать из-за отсутствия необходимой электроники. В 1971 году благодаря развитию полупроводниковых технологий компании удалось собрать первые образцы АБС, но они работали не так, как ожидалось. Параллельно немецкий инженер Гейнц Либер работал над системой ABS в компании Teldix GmbH. Позже он перешел в Daimler-Benz на позицию главы отдела электрики и электроники и в 1970 году немецкий концерн сообщил о создании рабочей антиблокировочной системы под названием ABS 2.
Минусом разработанной системы была низкая надёжность электронных компонентов, поэтому по заказу Daimler-Benz были привлечены опытные инженеры Bosch, которые и довели АБС до ума. С середины 1970-х годов антиблокировочная система опционально устанавливалась на представительские немецкие машины (её стоимость тогда составляла 10% от цены авто), а с 1978 года – штатно применялась в автомобилях Mercedes Benz S-Class W116 и BMW 7 Seriers E23.

Как менялся вес гидроблока системы ABS Bosch с развитием технологий
На сегодня ABS – обязательная опция автомобиля, но это лишь базовая система в плане безопасности. Обеспечить прямолинейное и равномерное движение автомобиля по поверхностям с неоднородным сцеплением, а также контролировать курсовую устойчивость в поворотах она неспособна. Это более сложные задачи, и для их решения придуманы более совершенные системы. Например, EBD (система распределения тормозных усилий) или ESP (электронная система стабилизации).

Модуль системы АБС
КАБИНЕТ ТЕРАПЕВТА
У ABS есть лампа-индикатор отказа. Предусмотрено и считывание кодов неисправностей. Можно также отслеживать параметры элементов и управлять некоторыми из них — например, клапанами и насосом модуля ABS. Лучше всего использовать дилерское диагностическое оборудование. Система достаточно надежна и включает в себя не слишком много элементов. Большая часть неисправностей ABS связана с внешними воздействиями.
Ошибки модуля управления.
Чаще всего это внутренние электронные неисправности модуля. Иногда такие ошибки носят случайный характер, то есть после удаления больше не возникают. Если же ошибки не удаляются или возникают повторно, модуль управления подлежит замене: ремонт не предусмотрен.
Ошибки датчиков скорости колес.
Другие типы ошибок.
Модуль ABS связан по CAN-шине с другими модулями управления. Часть ошибок может иметь отношение к самой цепи связи. К ABS относится и датчик педали тормоза. Иногда лампу ошибки зажигают другие модули. Либо она реагирует на неисправности, даже не связанные напрямую с ABS.
ABS – это антиблокировочная система тормозов. Из названия сразу становится понятным ее предназначение. Но как же она работает?
Для чего нужна ABS
Каждый водитель знает, что во время торможения рано или поздно может наступить момент, когда колеса перестают вращаться и автомобиль начинает идти юзом. Такая ситуация опасна тем, что машина становится неуправляемой. Колеса, которые не вращаются, даже если их повернуть рулем, не смогут изменить траекторию движения автомобиля.
Блокировка колеса возникает тогда, когда сила торможения превышает коэффициент сцепления шины с дорогой. Этот момент возникает каждый раз в разное время и на льду наступит гораздо раньше, чем на сухом асфальте. Поэтому торможение во время гололеда (да еще экстренное!) превращается в весьма сложное задание.
Чтобы облегчить вождение автомобиля в сложных погодных условиях, была разработана антиблокировочная система тормозов.
Как работает ABS

Принцип работы антиблокировочной системы весьма прост – она способна обнаруживать блокировку одного или нескольких колес и, когда это происходит, «отключает» тормоза. Это равносильно тому, как если бы Вы отпустили педаль тормоза. Когда колесо снова начинает вращаться, ABS регистрирует начало вращения и вновь «включает» торможение…
Главная «фишка» всех этих действий в том, что ABS отключает и включает тормоза до 30 раз в секунду! Во время работы системы педаль тормоза дрожит под ногой, а на некоторых автомобилях слышно стрекотание работающих клапанов. При этом колеса продолжают вращаться, автомобиль не теряет управление, а торможение происходит с максимальной эффективностью.
Устройство ABS

Антиблокировочная система тормозов имеет в своем составе весьма скромное количество крупных модулей. В их число входят датчики вращения колес, блок клапанов и управляющий блок. Все.
Датчики вращения служат для определения вращения колеса. Если вращения нет, но автомобиль движется, значит, колесо заблокировано. Сигнал с датчика приходит в управляющий блок, а он включает соответствующий клапан. Клапан перекрывает соответствующую тормозную магистраль, отключая тем самым тормоза. Соответственно, когда колесо начинает вращаться, сигнал идет по той же цепочке, но команда от управляющего блока отключает клапан. Подача тормозной жидкости возобновляется и торможение продолжается.
Антиблокировочные системы делятся на три вида:
1) Одноканальные. Простейшие ABS, способные управлять блокировкой и торможением только на всех колесах сразу. Малоэффективны в случаях, когда колеса разных бортов едут по разным покрытиям (классическая ситуация: под левыми колесами асфальт, а под правыми – лед).
2) Двухканальные. Работают с двумя тормозными контурами по отдельности. Если контуры распределены по бортам, то вращение колес будет регулироваться более эффективно, чем при одноканальной ABS
3) Многоканальные. Воздействуют на каждое колесо индивидуально. Такие ABS наиболее эффективны, поскольку способны управлять любым колесом именно так, как нужно в данный момент времени. Торможение будет отличным, даже если под всеми колесами будут совершенно разные покрытия.
Управляющий блок ABS имеет встроенную систему самодиагностики. Опрос датчиков и определение работоспособности системы обязательно происходит после включения зажигания. В это время на панели приборов обязан светиться специальный указатель. После нескольких секунд он так же обязан погаснуть. Если указатель продолжает светиться, значит, в ABS присутствует неисправность. Эксплуатировать автомобиль с неработающей антиблокировочной системой крайне нежелательно – нужно провести диагностику и ремонт.
И всё же ABS не панацея
Специалисты считают, что наличие в автомобиле ABS создает у водителя иллюзию безопасности, в результате чего он не учитывает, что ABS не создает сцепления с дорогой – это прерогатива протектора и размеров пятна контакта покрышек колес. Да, ABS предотвратит блокировку тормозов и позволит сохранить контроль над курсовой устойчивостью и поворачиваемостью, но она не гарантирует уменьшения тормозного пути. Когда речь идет о сухих и нескользких дорогах, бывает как раз наоборот – тормозной путь оказывается больше, чем у обычного автомобиля, но понимание этого приходит, к сожалению, слишком поздно.
Другой вопрос – могут ли ABS всегда достоверно распознавать ситуацию? Помнится, журналисты World Off Road во время испытаний внедорожников моделировали неудачный въезд на холм: потеря сцепления на полпути вверх, сильное нажатие на педаль тормоза, чтобы удержать машину на склоне, включение задней передачи – и мягкий спуск с горы, используя торможение двигателем. Все шло нормально, пока не пришел черед Ford Explorer, а затем и Mitsubishi Pajero, оснащенных ABS. Джипы упрямо скатывались с холма, несмотря на то, что испытатели выжимали педаль тормоза до упора: система воспринимала небольшое скольжение вниз на сыпучем склоне и резкое нажатие на тормоз в этот момент как команду разблокировать колеса. В результате и Ford, и Mitsubishi не могли удержаться на склоне без применения “ручника”. Нетрудно представить, чем чревата подобная ситуация в реальной жизни, если склон достаточно длинный, коллизия приключилась ближе к вершине, водитель растерялся (или не действует стояночный тормоз), а сзади уже пристроилась какая-нибудь машина.
Словом, как бы ни была хороша ABS в плане улучшения активной безопасности автомобиля, главным по-прежнему остается водитель, который обязан критически осмысливать дорожную ситуацию и реальные возможности своего “железного друга”.
Принцип работы
Работа антиблокировочной системы основывается на законах физики, в основном на законе трения. Из физики 7-го класса известно, что сопротивление трения покоя больше, чем сопротивления трения скольжения. Исходя из этого делаем вывод: тормозной путь вращающихся колес меньше идущих «юзом». Но грань удержания колес в крутящемся положении, особенно при неравномерном покрытии, настолько мала, что даже опытные водители иногда с этим не справляются. А АБС с легкостью выполняет поставленное задание. Как же она работает?
Как только водитель до отказа выжал педаль тормоза, он почувствует характерный звук «трещотки» и пульсацию исходящую от педали, значит АБС заработал. Теперь процессом торможения руководит не водитель, а ЭБУ системы. Датчики считывают скорость вращения колес и давление в тормозной магистрали.
Компьютер рассчитывает необходимую скорость замедления вращения для данной ситуации и передает команду модулятору для перекрытия того или иного тормозного контура. При совпадении скорости замедления с проектной доступ жидкости к тормозному контуру возобновляется. Данная операция для каждого контура проделывается от нескольких до 18-20 раз в секунду, не допуская блокировки колес.
Водителю остается только продолжать маневрировать в условиях идеального торможения, в то время как замедлением автомобиля занимается АБС.
Полезна ли ABS?
Прежде всего, ABS работает молниеносно. Благодаря бдительным датчикам она постоянно контролирует скорость вращения всех колес и немедленно реагирует на увеличение заноса. Это позволяет безопасно проходить сложные повороты, а на прямой дороге (также сухой, с разной степенью сцепления) значительно уменьшает тормозной путь. Некоторые эксперты подсчитали, что автомобиль без ABS будет тормозить на мокром асфальте на 45 м дальше, чем автомобиль с ABS! При отсутствии осадков различия находятся в пределах нескольких метров.
В некоторых ситуациях ABS увеличивает тормозной путь, например, при наличии рыхлого слоя (снег, песок, листья) на поверхности с хорошим сцеплением. На автомобиле без АБС заблокированные колеса прорываются через рыхлый слой и происходит увеличение тормозного усилия, если система работает, автомобиль находится на слое с меньшим сцеплением дольше.
ПРИНЦИП РАБОТЫ АБС
Работает ABS по системе трех циклов:
- 1-й цикл — увеличение давления (нажатие на педаль тормоза). Процесс торможения происходит при нормальном давлении, впускные клапана в открытом состоянии, выпускные закрыты. При интенсивном замедлении колеса впускной клапан закрывается и система переходит в следующий цикл;
- 2-й цикл — удержание давления. Здесь главный тормозной цилиндр не участвует в работе, весь процесс на себя берет ABS.Исполнительное устройство блока ABS поддерживает стабильное давление между тормозным суппортом. Блок управления продолжает контролировать вращение колес, и при уменьшении скорости система “стравливает” давлением через открытый выпускной клапан;
- 3-й цикл — сброс давления. Выпускной клапан находится в открытом положении, жидкость поступает в гидроаккумуляторы, после обратно в бачок ГТЦ. Если скорость вращения колеса повышается, что выпускной клапан закрывается — процесс повторяется с 1 цикла снова.
Цикл работы ABS продолжается пока не завершится торможение, длительность 6 циклов 1 секунда.
Почему не работает?
Как и все неисправности, возникшие в автомобиле, нарушение АБС вычисляется по приборной панели отдельным значком. Чаще всего на индикаторе указывается английское название ABS.
ABS практически не требует от водителя ухода, тем не менее иногда могут возникнуть следующие неисправности:
- разрыв в проводке или электрической цепи;
- слишком сильное загрязнение на модуляторах, нарушение работоспособности из-за механического воздействия, естественный износ элементов;
- механическое повреждение на ступице колеса, повлекшее поломку элементов АБС;
- нарушение работоспособности электронного блока управления.
Просто так выскакивать уведомление о сбое выскакивать не будет. Водителю лучше всего заехать в ближайший автосервис и провести диагностику автомобиля. Иногда значок может засветиться, когда транспорт находится в движении — это явный повод обратиться за помощью к автомеханикам. Если водитель имеет знания и навыки работы с устройством автомобиля, то можно попробовать самостоятельно решить проблему. Поездка в автосервис в любом случае потребует денежных средств и некоторое время, есть вероятность, что проблема не слишком серьёзная и решается без дополнительного оборудования. Для начала нужно внешне осмотреть все элементы из которых состоит антиблокировочная система. Возможно дело в механических повреждениях и какой-то элемент требует замены. Иногда модуляторы и датчики могут сильно загрязниться, их работоспособность уменьшается или они вовсе не функционируют. В этом случае их нужно хорошо промыть и прочистить, после чего они заработают. Далее можно проверить электронный блок управления. Если в нём большое количество воды или другой жидкости, то ему может требоваться замена. Перед выполнением процедуры с электроникой, водителя рекомендуется отключить аккумуляторную батарею. Это делается в целях безопасности.
В некоторых случаях может перегореть предохранитель, отвечающий за контроль передачи электроэнергии. Заменить его не составит труда даже неопытному автовладельцу. Главное поставить такой же предохранитель по силе тока. Отыскать их можно под капотом машины, чаще всего они маркируются специальными обозначениями. Рекомендуется проверить сразу все установленные предохранители, так как возможно подскок электроэнергии спровоцировал перегореть и другие.
При наличии подъёмного устройства или ремонтной ямы, можно проверить провода, места соединения, датчики на ступицах колёс. Есть небольшая вероятность, что провода случайно отцепились или протёрлись. Заменить самостоятельно будет проблематично.
Принцип работы ABS
Функционирование АБС построено на взаимодействии датчиков и электронного блока управления. Вот как оно происходит.
- Если вращение колеса становится слишком медленным, ЭБУ на основе сведений, полученных с датчика, на короткое время открывает клапан гидравлического блока. В результате давление тормозной жидкости уменьшается и колесо начинает вращаться несколько быстрее.
- Если датчик показывает, что колесо вращается слишком быстро, блок управления повышает давление тормозной жидкости, уменьшая просвет клапана.
АБС в большинстве случаев не реагирует на плавное снижение скорости во время торможения – система начинает работать только при ее резком изменении. Также на АБС передается информация о разнице в скорости вращения разных колес. Она также учитывает это в своей работе.
ЭБУ запрашивает информацию с датчиков несколько раз в секунду. Иногда из-за этого можно ощутить легкую вибрацию педали тормоза. Такая частота необходима для наиболее эффективного регулирования процесса торможения.
Клапанов, с помощью которых изменяется давление тормозной жидкости, может быть от 1 до 4:
- если клапан 1, то он регулирует торможение только одной оси;
- если клапана 2, то каждый отвечает за свою ось;
- если клапана 3, то 2 из них отвечают за ведущие колеса, а 1 за оставшуюся ось;
- при наличии 4 клапанов каждый из них регулирует торможение своего колеса.
Система электронного распределения тормозных усилий (EBD)
Логическим продолжением основного алгоритма антиблокировочной системы является система электронного распределения тормозных усилий, которая работает в диапазоне, пока недоступном для АБС.
Электронное распределение тормозных усилий обеспечивает точный контроль за проскальзыванием задних колес относительно передних. При обнаружении проскальзывания впускные клапаны привода тормозных механизмов задних колес переключаются в режим удержания давления для предотвращения его дальнейшего роста, таким образом, электроника выполняет функцию снижения давления в тормозных механизмах задних колес.
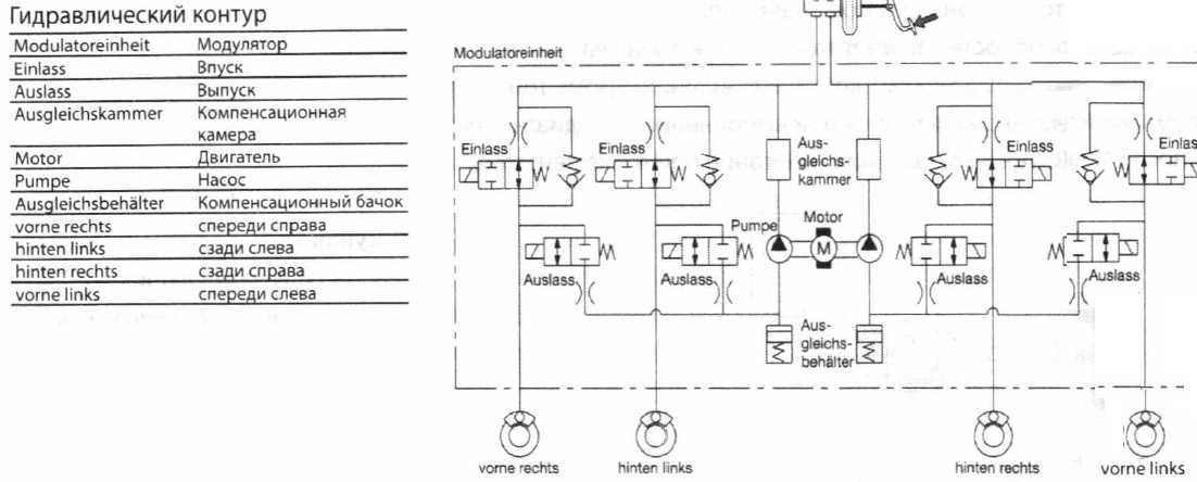
Закрытая система с 2/2-ходовыми электромагнитными клапанами
После выхода разных законодательных положений по защите патентных прав многие производители все чаще стали использовать антиблокировочную закрытую систему с 2/2-ходовыми электромагнитными клапанами, которая сочетает преимущества обеих описанных выше систем: быстрая точная модуляция тормозного усилия 2/2-ходовыми электромагнитными клапанами, отвечающими за впуск и выпуск на каждом колесном тормозном цилиндре, и отсутствие потери тормозной жидкости из участка гидравлического контура, нагруженного тормозным усилием, в результате ABS-регулирования.
На рисунке представлен гидравлический контур закрытой 4-канальной антиблокировочной системы с разделением контуров тормозного привода по диагонали при помощи 2/2-ходовых электромагнитных клапанов.

Принцип включения электромагнитных клапанов для увеличения, удержания и уменьшения тормозного усилия при ABS-регулировании такой же, как и в описанной выше системе.
Стандартное положение или повышение тормозного усилия: в обесточенном состоянии все впускные клапаны открыты, все выпускные клапаны закрыты. Тормозное усилие главного тормозного цилиндра при нажатии на педаль тормоза может беспрепятственно воздействовать на колесный и тормозной цилиндр.
Удержание тормозного усилия: впускной клапан закрывается (подается питание), выпускной клапан в обесточенном положении остается закрытым. Давление тормозной жидкости в соответствующем цилиндре остается постоянным.
Уменьшение тормозного усилия: впускной клапан остается закрытым (подается питание), выпускной клапан открывается (подается питание). Тормозное усилие может быть уменьшено путем сброса давления через выпускной клапан в компенсационный бачок.
Насос обратной подачи включается, когда на одном из колесных тормозных цилиндрах должно быть уменьшено тормозное усилие. В результате тормозная жидкость из компенсационного бачка через компенсационную камеру возвращается в главный тормозной цилиндр. Насос отключается только в том случае, когда регулирования больше не требуется.
При ABS-регулировании выполняется точная модуляция тормозного усилия путем кратковременного включения и отключения электромагнитных клапанов, вследствие чего тормозное усилие увеличивается или уменьшается постепенно. Процесс регулирования колесного тормозного цилиндра так как он происходит в действительности, представлен на рисунке.

Впускной клапан закрывается (подача питания) для удержания тормозного усилия и предотвращения его дальнейшего увеличения, поскольку скорость вращения колеса становится гораздо меньше скорости движения. Поскольку скорость вращения колеса продолжает падать, кратковременно открывается выпускной клапан (подача питания) для незначительного снижения тормозного усилия. Включается двигатель насоса. В результате незначительного тормозного усилия и снижения тормозного действия скорость вращения колеса снова приближается к скорости движения автомобиля. Тормозное усилие снова может быть увеличено. Для этого впускной клапан кратковременно открывается (обесточенное состояние). На представленном примере сразу же после этого впускной клапан еще раз кратковременно открывается, так как тормозное усилие может увеличиваться дальше. Затем снова кратковременно открывается выпускной клапан и т.д.
Возможность точной модуляции тормозного усилия часто используется и для работы электронного распределителя тормозных сил (EBV). Он включается перед системой ABS, когда при легком торможении появляется слишком сильное замедление задних колес. На рисунке представлен рабочий диапазон электронного распределителя тормозных сил.

При помощи электроники системы ABS распределение тормозных сил может точно подстраиваться под разную нагрузку автомобиля для обеспечения максимальной степени его устойчивости в любых условиях. Механический распределитель тормозных сил и редукционный клапан для задних тормозов в данном случае излишни и могут не устанавливаться.




























