Рекомендации по замене предохранителей
Неисправность предохранителя можно определить двумя способами: визуальный и с помощью измерительных приборов (например, мультиметра). Проверку исправности визуальным методом можно производить, если неисправность появилась в пути. В стационарных условиях для контроля целостности предохранителей лучше использовать мультиметр, переключив его режим на «прозвонку». В некоторых случаях предохранители имеют микротрещину, незаметную невооруженным глазом.
Если это, например, стеклоочиститель (дворники), возможно, электропривод стал подклинивать, либо износился вал щеток. Также возможной причиной перегорания предохранителей является замыкание электропроводки. Если после установки нового предохранителя (обязательно такого же номинала!!!), он через короткое время вновь выйдет из строя, ни в коем случае нельзя использовать «жучок» или другие типы закороток. Это может привести к воспламенению электропроводки и пожару.
Если под рукой нет исправного предохранителя, можно достать его из другого гнезда, отключив некритическое устройство, например, обогреватель заднего стекла, звуковой сигнал, прикуриватель и др. Допускается превышение номинала предохранителя не более 20%.
Схема и обозначение предохранителей на Honda Accord 7
На автомобилях Accord 7-й генерации использовались предохранители стандартного ножевого типа.
Значение номинала указано на торцевой части корпуса, выполненного из прозрачной пластмассы. Для изготовления вставок используется пластик разных цветов (для быстрой идентификации перемычек по допустимой силе тока).
В приборной доске
В салоне автомобиля находились плавкие вставки:
- цепей питания катушек зажигания;
- дневных ходовых огней (использовались на ряде рынков сбыта);
- штатной магнитолы со встроенным радиоприемником и усилителем звука;
- плафонов подсветки в салоне (включая перчаточный ящик);
- сигналов движения на передаче заднего хода;
- блокировки дверей (центральный замок относился к базовому оборудованию);
- прикуривателя (на части машин устанавливалась розетка);
- датчика, определяющего наличие человека на пассажирском кресле спереди;
- системы очистки ветрового стекла;
- противотуманного сигнала в задней светотехнике;
- электрического привода передних кресел с разделением по сторонам (опция);
- подогрева сидений водителя и переднего пассажира (не предлагался на ряде рынков);
- контроллера адаптивного рулевого управления;
- бензонасоса (номинал зависел от типа помпы);
- системы подачи жидкости на ветровое стекло;
- подушек безопасности и натяжных пиротехнических устройств для ремней передних сидений;
- электрических моторов стекол в дверях (отдельных цепей для каждого привода);
- привода люка в крыше кузова (предлагался как опция);
- цепей зажигания;
- линии питания системы поддержания заданной скорости.
При затруднениях с определением назначения вставки необходимо воспользоваться заводской инструкцией по эксплуатации. Если документация не помогла, придется проверять линии питания тестовым прибором. На крышке модуля имеются только пиктограммы, которые не всегда позволяют быстро идентифицировать назначение предохранителя (номинал на заглушке не наносился). Часть ячеек в коробках не использовались, отдельных гнезд для хранения резервных плавких вставок не было.
В салоне устанавливались реле:
- датчика качества смеси;
- компонентов управления работой системы впрыска бензина;
- диагностической колодки;
- управления работой зажигания и стартера мотора;
- прерывания подачи питания к лампам указателей направления поворота;
- электрических двигателей стекол в дверях;
- дополнительных устройств.

Блок в моторном отсеке.
В моторном отсеке
В двигательном отсеке автомобилей находились перемычки:
- головного освещения (раздельно для нитей ближнего и дальнего света в левой и правой фарах);
- системы обогрева стекла в задней части кузова;
- габаритного освещения;
- сигнализаторов движения задним ходом;
- цепей питания контроллеров;
- электрического вентилятора на теплообменнике кондиционера;
- головных противотуманных фар;
- крыльчатки на радиаторе системы охлаждения двигателя;
- помпы для подачи жидкости на фары (опция);
- клаксона и ламп, сигнализирующих о нажатии на педаль тормоза;
- системы поддержания заданной скорости (ставилась по заказу);
- курсовой стабилизации траектории движения;
- крыльчатки климатической установки;
- общей цепи питания приводов стекол в дверях.
В моторном блоке располагались разгрузочные реле:
- включения муфты компрессора климатической установки;
- вентиляторов системы охлаждения двигателя или кондиционирования воздуха в салоне;
- системы обогрева стекла в задней части кузова.
Для замены неисправной перемычки необходимо:
- заглушить двигатель и найти место установки вставки (например, по неработающему электрическому оборудованию);
- вынуть вставку штатным съемником и установить новый предохранитель;
- если защиту выбивает сразу при подаче питания, проверить целостность изоляции проводки.
Не допускается применение самодельных перемычек из толстой проволоки, выдерживающей большую силу тока. При нарушении правила возможно возгорание изоляции и автомобиля.
Где расположены блоки предохранителей на Honda Accord 7
Автомобили Honda Accord 7-й генерации выпускались с 2002 по 2008 гг. и оснащались бензиновыми двигателями. Дизельная модификация поставлялась ограниченными партиями.
На машинах ставилась механическая или автоматическая коробка передач, существовали версии с полным приводом (в базовом оснащении ведущими были передние колеса).
Все авто имели электрическую сеть напряжением 12 В с использованием в качестве отрицательного провода кузова. Источниками питания служили батарея (емкость зависела от рынка сбыта и двигателя) и генератор на моторе.
В пассажирском салоне
Для установки части предохранителей на Хонде Аккорд 7-го поколения использовалась коробка, смонтированная под нижней обшивкой стойки кузова в ногах водителя.
Для доступа к блоку достаточно поддеть пальцем крышку за выемку и потянуть с усилием вбок и вперед. Заглушка оснащена пластиковыми планками для надежного удержания в посадочном гнезде.

Расположение блоков в салоне.
В двигательном отсеке
Коробка силовых перемычек находится в левой части отсека ближе к моторному щиту. На крышке имеются подвижные фиксаторы, препятствующие случайному снятию кожуха. Распиновка перемычек и реле зависит от уровня оснащения. Ряд опций предлагался только на внутреннем рынке Японии и был недоступен для покупателей в Европе или Северной Америке.
Предохранители на Accord 7
В процессе эксплуатации автомобиля Хонда Аккорд 7 возможны ситуации отказа работы электрооборудования автомобиля.
Для защиты электроцепей от повышенных токов, предотвращения коротких замыканий проводки в электрической схеме любого автомобиля предусмотрены предохранители по цепям питания основных электрических устройств автомобиля. В случае, если отказал какой-либо электрический узел или устройство автомобиля, в первую очередь следует проверить предохранители, обслуживающие этот блок.
В Honda Accord 7 установлены два блока:
- в салоне;
- в под капотном пространстве.
Салонный блок
Для доступа к салонному блоку необходимо демонтировать быстросъемную панель.

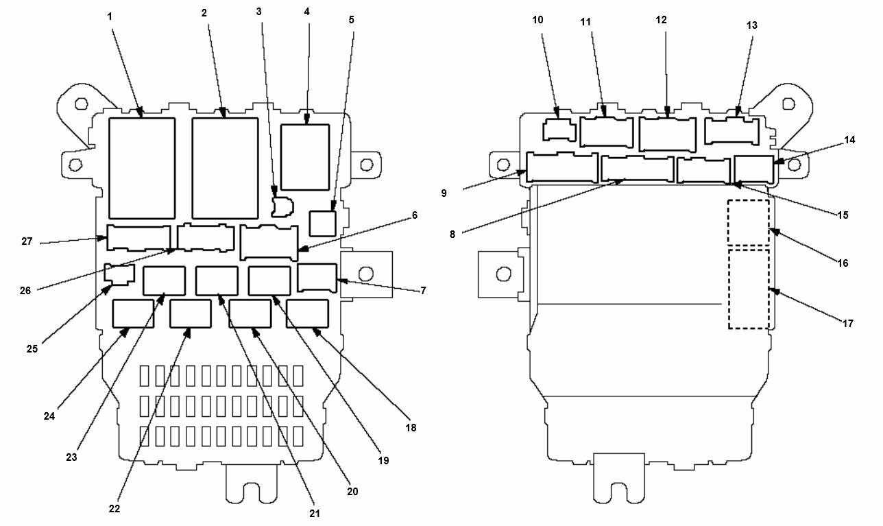
После этого откроется панель предохранителей. Это лишь часть салонного блока. Если произвести дальнейший демонтаж панелей, можно извлечь плату предохранителей и реле, внешний вид которой показан на рисунке.

На быстросъемной крышке имеются обозначения основных предохранителей в виде пиктограмм. Пиктограммы в виде справочника с буквой «i» обозначают, что для точной расшифровки назначения предохранителей, установленных на данной позиции, следует воспользоваться техническим описанием данной модели автомобиля.

Ниже приведена расшифровка пиктограмм и назначение предохранителей согласно номерам позиций.
Таблица 1. Расшифровка предохранителей.
| Номер | Назначение | 
|---|---|
| 1 | Стабилизаторы напряжения (для определенных моделей) | 
| 2 | Система зажигания | 
| 3 | Дневной свет | 
| 4 | Не исп. | 
| 5 | Магнитола | 
| 6 | Плафон салонный | 
| 7 | Задний свет | 
| 8 | Центральный замок | 
| 9 | Разъем прикуривателя | 
| 10 | Не исп. | 
| 11 | Предохранитель дворников | 
| 12 | Противотуманка задняя | 
| 13 | Привод пассажирского сиденья (угол) | 
| 14 | Привод водительского сиденья (смещение) | 
| 15 | Подогрев сидений | 
| 16 | Привод водительского сиденья (угол) | 
| 17 | Привод пассажирского сиденья (смещение) | 
| 18 | ACG | 
| 19 | Насос топливный (бензонасос) | 
| 20 | Омыватель стекла (цепи питания реле стеклоочистителя relay cleaner cont – 22 в таблице 2) | 
| 21 | Счетчик | 
| 22 | Подушки безопасности | 
| 23 | Блок управления двигателем | 
| 24 | Стеклоподъемник задний левый | 
| 25 | Стеклоподъемник задний правый | 
| 26 | Стеклоподъемник передний правый | 
| 27 | Стеклоподъемник передний левый | 
| 28 | Привод люка | 
| 29 | OP 1 | 
| 30 | HAC | 
| 31 | OP 2 | 
| 32 | ACC (круиз-контроль) | 
| 33 | HAC OP | 


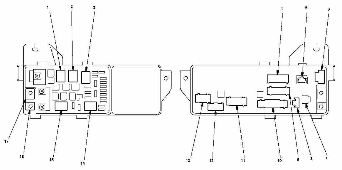
Блок предохранителей в подкапотном пространстве
Под капотом находится второй блок. Для доступа к нему необходимо демонтировать крышку, как показано на рисунке.

Обозначение реле и разъемов.

На оборотной части крышки предохранителей имеется расшифровка назначения в виде пиктограмм.

В таблице 2 приведена расшифровка пиктограмм и назначение предохранителей согласно позициям.
Таблица 2. Расшифровка предохранителей подкапотного пространства
| Номер | Назначение | 
|---|---|
| 1 | Ближний свет левый фонарь | 
| 2 | Обогреватель стекла багажника (некоторые модели) | 
| 3 | Дальний свет левый фонарь | 
| 4 | Габариты | 
| 5 | Дальний свет правая фонарь | 
| 6 | Ближний свет правый фонарь | 
| 7 | Фара заднего хода | 
| 8 | Блок управления двигателя | 
| 9 | Вентилятор радиатора кондиционера | 
| 10 | Передние противотуманки | 
| 11 | Вентилятор радиатора охлаждения двигателя | 
| 12 | Насос омывателя передних фонарей | 
| 13 | Стопы, клаксон | 
| 14 | Обогреватель стекла багажника | 
| 15 | Круиз-контроль, задний ход | 
| 16 | Свет аварийный | 
| 17 | Насос системы VSA (устойчивость курсовая) | 
| 18 | VSA блок | 
| 19 | Не исп.(запасн.) | 
| 20 | Не исп.(запасн.) | 
| 21 | Вентилятор печки | 
| 22 | АКБ | 
| 23 | Стеклоподъемник (основной предохранитель) | 

Рекомендации по замене предохранителей
Неисправность предохранителя можно определить двумя способами: визуальный и с помощью измерительных приборов (например, мультиметра). Проверку исправности визуальным методом можно производить, если неисправность появилась в пути. В стационарных условиях для контроля целостности предохранителей лучше использовать мультиметр, переключив его режим на «прозвонку». В некоторых случаях предохранители имеют микротрещину, незаметную невооруженным глазом.
Если это, например, стеклоочиститель (дворники), возможно, электропривод стал подклинивать, либо износился вал щеток. Также возможной причиной перегорания предохранителей является замыкание электропроводки. Если после установки нового предохранителя (обязательно такого же номинала. ), он через короткое время вновь выйдет из строя, ни в коем случае нельзя использовать «жучок» или другие типы закороток. Это может привести к воспламенению электропроводки и пожару.
Если под рукой нет исправного предохранителя, можно достать его из другого гнезда, отключив некритическое устройство, например, обогреватель заднего стекла, звуковой сигнал, прикуриватель и др. Допускается превышение номинала предохранителя не более 20%.
Блоки под капотом
Расположение
Общая схема расположения блоков

Назначение
- Блок предохранителей и реле
- M/T: Блок управления двигателем (ECM)A/T: Блок управления двигателем и коробкой передач (PCM)
- Блок управления и модулятор давления VSA
Блок предохранителей и реле
Под капотом главный блок предохранителей и реле находится с левой стороны. Так же закрыт защитной крышкой.

Схема с крышки блока

Схема

Расшифровка
| 1.1 | 120A 3.5L: Аккумуляторная батарея | 
| 100A 2.4L: Аккумуляторная батарея | |
| 1.2 | 40A Предохранители (блок предохранителей в салоне №2): № 7, 8, 9, 10, 11, 12, 13 | 
| 60A Активный круиз-контроль: Предохранители (блок предохранителей в салоне №2): № 7, 8, 9, 10, 11, 12, 13 | |
| 2.1 | 70A Блок управления электроусилителем рулевого управления (ESP) | 
| 2.2 | 40A Блок управления и модулятор давления VSA | 
| 2.3 | 30A Блок управления и модулятор давления VSA | 
| 2.4 | 40A Предохранители (блок предохранителей в салоне №2): № 15, 17, 18, 19 | 
| 2.5 | – | 
| 2.6 | – | 
| 3.1 | 50A Замок зажигания | 
| 3.2 | 40A 2.4L (LX-S, LX-P PZEV, LX (’11-’12)): Предохранители (блок предохранителей в салоне №1): № 18, 19, 20, 21, 22, 23, 24, 25 | 
| 3.3 | 30A Предохранители (блок предохранителей в салоне №2): № 1, 2, 3, 4 | 
| 3.4 | 60A 3.5L: 2.4L (except ↑): Предохранители (блок предохранителей в салоне №1): № 18, 19, 20, 21, 22, 23, 24, 25 | 
| 3.5 | 30A Предохранители (блок предохранителей в салоне №1): № 26, 27, 28, 29, 30 | 
| 3.6 | 30A 3.5L: Реле вентилятора системы охлаждения, вентилятор системы охлаждения | 
| 30A 2.4L: Вентилятор кондиционера, реле вентилятора кондиционера | |
| 3.7 | 30A Передний стеклоочиститель и омыватель | 
| 3.8 | 30A 3.5L: Реле вентилятора кондиционера, вентилятор кондиционера | 
| 30A 2.4L: Реле вентилятора системы охлаждения, вентилятор системы охлаждения | |
| 4 | 40A Реле обогрева заднего стекла | 
| 5 | 20A 2.4L: Дополнительный вентилятор системы охлаждения двигателя | 
| 6 | – | 
| 7 | – | 
| 8 | 40A Отопитель, реле отопителя | 
| 9 | 15A Аварийная сигнализация, блок кузовной электроники со стороны водителя (MICU) | 
| 10 | 20A Лампы стоп-сигнала, датчик положения педали тормоза, блок кузовной электроники со стороны водителя (MICU), блок управления двигателем (ECM/PCM), дополнительный стоп-сигнал, реле звукового сигнала, звуковой сигнал | 
| 10A Активный круиз-контроль, переключатель установки дистанции, звуковой сигнал, реле сирены противоугонной системы | |
| 11 | 30A Омыватель фар | 
| 12 | 15A Активный круиз-контроль, лампы стоп-сигнала, датчик положения педали тормоза, блок управления и модулятор давления VSA | 
| 13 | 15A Реле катушек зажигания, катушки зажигания | 
| 14 | 15A 3.5L: Дополнительное реле блока управления двигателем, система улавливания паров бензина (EVAP), датчики соотношения воздух/топливо (A/F), подогреваемые датчики кислорода (HO2S), предохранитель (блок предохранителей в моторном отсеке): № 21 | 
| 15A 2.4L: Дополнительное реле блока управления двигателем, датчик соотношения воздух/топливо (A/F), блок управления двигателем (ECM/PCM) | |
| 15 | 10A Аудиосистема, центральный дисплей, диагностический разъем (DLC), лампы в дверях, блок кузовной электроники со стороны водителя (MICU) (VBU), система активного шумоподавления, микрофон, комбинация приборов, блок управления системой громкой связи (HandsFreeLink), блок управления иммобилайзером, блок управления навигацией, дисплей, блок кузовной электроники со стороны пассажира (MICU) (VBU), электропривод сидений, блок управления стеклоподъемниками, адаптивный круиз-контроль, датчик дождя и датчик освещенности | 
| 16 | 7,5A Освещение салона, освещение багажного отсека, подсветка зеркал в солнцезащитных козырьках, подсветка замка зажигания, блок дистанционного управления воротами, лампы в дверях | 
| 17 | 15A Датчик положения коленчатого вала (CKP), датчик положения распредвала (CMP), блок управления двигателем (ECM/PCM) (IGP), реле дроссельной заслонки (ETCS), форсунки, датчик массового расхода воздуха (MAF), реле №1 блока управления двигателем (PGM-FI), реле №2 блока управления двигателем (PGM-FI) (топливный насос) | 
| 18 | 15A Реле дроссельной заслонки (ETCS), блок управления двигателем (ECM/PCM) | 
| 19 | 7,5A 3.5L: Блок управления двигателем (ECM/PCM) (VBUM) | 
| 20 | 7,5A Муфта компрессора кондиционера, реле муфты компрессора кондиционера | 
| 21 | 7,5A 3.5L: Реле вентилятора системы охлаждения двигателя | 
| 7,5A 2.4L: Реле вентилятора кондиционера | |
| Реле | |
| R1 | Отопитель | 
| R2 | Звуковой сигнал | 
| R3 | Блок управления двигателем (PGM-FI №1) | 
| R4 | Блок управления двигателем (PGM-FI Sub) | 
| R5 | Катушки зажигания | 
| R6 | Дроссельная заслонка (ETCS) | 
| R7 | – | 
| R8 | Обогрев заднего стекла | 
Нашли ошибку или есть что добавить – пишите в комментарии.

 
            



























