Ремонт и обслуживание KIA Spectra в Нижнем Новгороде, стоимость работ

Kia Spectra 1.6 101л.с. S6D ДвигательТрансмиссияПодвескаГлушительТормозаОхлаждениеКондиционерЭлектрикаТО ГБЦ переборкаГБЦ прокладка — заменаГРМ ремень — заменаДвигатель — заменаДвигатель с перестановкой навесного — заменаДвигатель — ремонтДиагностика двигателя — подключение сканераПрокладка клапанной крышки — заменаРемень сервисный — заменаРолик паразитный сервисного ремня — замена
Киа Спектра – переднеприводный седан класса «С», который производился с 2000 по 2011г. южнокорейской компанией Kia Motors. С 1993 по 2000 год седан носил имя KIA Sephia, выпускался на платформе маздовской Familia. Затем автомобиль получил новый дизайн, ориентированный на американский рынок, серию бензиновых моторов, а также имя KIA Spectra.
С 2004 года на автозаводе в Ижевске начат выпуск седанов с двигателем S6D (бензиновый серии DOHC, 16-ти клапанный 4-х цилиндровый, объемом 1.6 л, генерирующий мощность 101л.с.) Двигатель сочетался с 5-ти ступенчатой МКПП или 4-х диапазонным автоматом Айсин. Новая модель KIA Spectra для российского рынка выпускалась до 2011 года. В США производство автомобилей велось до 2004 года, машина производилась в кузове седан и хэтчбек. С 2006 года модель прошла модернизацию и вышла на мировые рынки под именем KIA Cerato.
Типичные неполадки
Двигатель, модификация японского силового агрегата, отличается долговечностью и надежностью. Своевременное обслуживание позволяет эксплуатировать его без особых проблем до 200 тыс. км пробега. После 60 тыс. км следует менять ремень ГРМ, обрыв которого приводит к загибанию клапанов.
Часто при холодном запуске двигателя появляется характерный стук, который после прогрева силового агрегата пропадает и более не возобновляется. Грохот убирается применением синтетического масла, регулярным контролем его уровня, а также профилактики утечек.
У двигателя при пробеге к 100 тыс. км может выявиться неровная, некорректная работа, с «троением» или периодическим плаваньем оборотов. В таком случае не стоит расстраиваться – чаще всего это связано с неисправностью катушек зажигания, по одной на два цилиндра.
Автоматическая КПП является необслуживаемой, но лучше следить за уровнем масла и проверять наличие протечек. Есть проблемы с четкостью переключения передач, которые решаются перепрошивкой электронного блока управления. МКПП таких недостатков не имеет, но к 70 тыс. км пробега происходит износ диска сцепления, который должен быть заменен.
Независимая подвеска – впереди типа МакФерсон, сзади многорычажка, нареканий водителей не вызывает. Шаровые опоры эксплуатируются до 130 тыс. км и более и меняются вместе с рычагом. К 100 тыс. км пробега начинают гудеть ступичные подшипники. Они заменяются в комплекте со ступицей.
Дополнительные опции
Уже в базовой комплектации KIA Spectra имеет достойный уровень оснащения — центральный замок, электростеклоподъемники, полноразмерная запаска, ГУР, кондиционер, две фронтальные подушки безопасности. Автоматическая КПП была доступна лишь в максимальных версиях и устанавливалась опционно.
Высшие уровни комплектаций включали подлокотник, управление режимами стеклоочистителя, панорамным люком в крыше с электроприводом. Комфорт обеспечивали системы круиз-контроля, подогрева кресел и воздуховоды к ногам задних пассажиров. Кресло водителя имело регулировки, поясничную поддержку. Салон выполнен с высоким качеством отделки, имеет кожаные сидения, достаточно пространства для удобной посадки и путешествия на заднем ряду.
Причины следить за своевременной заменой ремня
Ремень ГРМ обеспечивает сообщение между коленчатым и распределительными валами, тем самым приводя автомобиль в движение. Узел Этот очень важен, и недооценивать его значение нельзя. Синхронизация валов – вот его непосредственная задача. Синхронизация пропадет, если ремень будет оборван. А это вполне может произойти, если за ним не следить и не менять его вовремя. Из-за обрыва станет неизбежной встреча клапанов с поршнями. Это обязательно приведет к тому, что клапана загнуться. Поршни тоже получат большие повреждения. Пострадают и цилиндры, и втулки клапанов. Ремонт после этого понадобится капитальный, и стоить он будет недешево.
А вот какие факторы обязательно будут способствовать выходу привода из строя:
- ремень эксплуатировался после получения явных признаков износа;
- автомобиль эксплуатировался неправильно;
- изделие было низкого качества;
- на поверхности были масляные пятна.
Если ремень оборвется, то завести автомобиль уже не получится. Будет очень хорошо, если после этого, придется только заменить саму передачу, вполне возможен серьезный ремонт. Производитель рекомендует совершать замену передачи после 60 000 км. Его рекомендациям, конечно, нужно следовать, но не забывайте производить диагностические процедуры после 30 000 км.
Если во время осмотра на поверхности ремня будут обнаружены трещины или вздутия, его необходимо менять. Также замены становится необходимой в случае, если на ремне будут обнаружены масляные разводы. В этом случае вместе с ремнем придется заменить и сальники. Ведь если этого не сделать, то масло будет капать и на новый ремень, а резина разрушается от действия масла. Также ремень необходимо заменить, если его торцы расслоятся, а поверхность потреплется.
Вместе с ремнем обязательно поменяйте и ролики, ведь они могут выйти из строя еще до того, как вы снова будете менять ремень, и тогда придется разбирать машину именно из-за роликов. Стоит проверить и водяной насос. При наличии люфта его также следует поменять.
Менять ременную передачу ГРМ можно и, приподняв автомобиль домкратом, но лучше производить данную процедуру на эстакаде. А еще вам обязательно нужно поискать помощника. Он вам тем более понадобится, если процедуру вы будете производить в первый раз.
Как заменить ремень ГРМ на Киа Спектра?
Одним из самых слабых мест в двигателе Kia Spectra является ремень ГРМ. Если выявлены признаки сильного износа или явного повреждения ремня газораспределительного механизма, то необходимо незамедлительно устранить этот дефект. Если замена ГРМ Киа Спектра (имеется ввиду ремня) будет отлаживаться раз за разом, то этот момент может привести к существенным поломкам газораспределительного механизма. Известны случаи, когда растянутый ремень, перескочив на несколько зубьев в неудачный момент, гнул клапана цилиндров.

Диагностика ремня ГРМ
Конечно, наилучшим способом диагностики состояния ремня является его визуальный осмотр. Многие автомобилисты проводят плановые осмотры всех элементов ГРМ по прошествии 20 000 (км). То есть, разбирается газораспределительный механизм на Киа Спектра, ремень ГРМ изучается наряду со звездочками, натяжными роликами и клапанами.
Если же авто новое или после капремонта, то самостоятельно влазить под капот, само собой, нельзя. В таких случаях состояние ремня определяется по звуку работы двигателя:
- Слышны постукивания (вероятней всего оторванная часть ремня бьется о кожух)
- Слышен визг или гул (натяжные ролики пробуксовывают или подклинивают под действием изношенного ремня)
- Двигатель заводится нехотя, с большим трудом
Выявив характерную неполадку в Киа Спектра, замена ремня ГРМ должна производиться сразу, без отлагательств.
Помимо всего прочего, производители Kia Spectra настоятельно рекомендуют проводить смену этого элемента не реже 45 000 (км). Рабочий же ресурс хорошего фирменного ремня составляет в районе 60 000 (км).
Материал по теме: Как отрегулировать клапана на ВАЗ 2105?

Что понадобится для ремонта?
- Набор рожковых ключей
- Набор накидных ключей
- Набор отверток
- Домкрат
- Новый ремень ГРМ
Совет по поводу покупки нового ремня ГРМ
Обязательно и непременно обращаем внимание на дату его изготовления. Многие продавцы идут на хитрость и торгуют приобретенными за бесценок просроченными комплектующими
Итак, как проводится замена ремня ГРМ на Киа Спектра?
Материал по теме: Как самостоятельно заменить масло в коробке передач Ваз 2114

Процесс ремонта
- Ставим машину на ровном и сухом месте. Желательно поставить под колеса упоры (башмаки)
- Открываем капот и откидываем клеммы от аккумулятора
- Откручиваем верхнюю крышку защиты двигателя

Снимаем защитные крышки ГРМ (верхнюю и среднюю)

Перед тем, как браться за ремень ГРМ Киа Спектра, ослабляем натяг на ремне насоса гидроусилителя руля. Это делается регулировкой натяжного болта. Снимаем ремень насоса ГУР

Ослабляем крепеж шкива водяной помпы, а также ослабляем болт под генератором

- Снимаем генераторный ремень
- Приподнимаем район переднего правого колеса домкратом и снимаем колесо
- Снимаем внешний защитный кожух

- Демонтируем нижнюю защитную крышку ГРМ
- Вывинчиваем крепеж на шкиве коленвала. Чтобы он не прокручивался, задействуем 5-ую передачу

Заглядываем в капот и выставляем положение приводных звездочек ремня ГРМ по меткам. На одном зубчатом колесе буква «I», а на другом буква «E» (как на фото). На корпусе двигателя (рядом с зубчатыми колесами) тоже есть метки в виде рисок. Метки на колесах и корпусе должны совпасть. Правильно выставив приводную систему Kia Spectra, замена ремня ГРМ проводится дальше.

Снимаем изношенный ремень и ставим на его место новый
Обратите внимание на стрелку, указывающую направление вращения ремня. То есть, на ремне есть указатель рекомендуемого направления вращения
Направление стрелки должно совпадать с направлением вращения зубчатых колес. Многие автомобилисты не обращают на этот момент внимание, в результате чего ремень вместо положенных 60 000 (км) отрабатывает всего 20 000 (км).
Обратите внимание, что Киа Спектра 2.0 имеет увеличенный где-то на 10 (мм) ремень, чем у Киа Спектра 1.6. Проводим сбор элементов двигателя в обратной последовательности
Заводим авто и делаем пробный заезд. Обращаем внимание на звук работы двигателя, посторонних шумов быть не должно
Проводим сбор элементов двигателя в обратной последовательности. Заводим авто и делаем пробный заезд
Обращаем внимание на звук работы двигателя, посторонних шумов быть не должно
Правильно проведя техническое обслуживание Киа Спектра, замена ремня ГРМ считается успешно выполненной.
Для большего понимания сути этой работы, вот видео с подробной инструкцией, как проводится замена ГРМ Киа Спектра:
Классификация ГРМ
На современные двигатели устанавливают разные типы газораспределительных механизмов и различаются они по следующим признакам:
- по месту распредвала — снизу или сверху;
- по количеству распредвалов — 1 (SOHC) или 2 (DOHC);
- по числу клапанов — их может быть от трёх до пяти;
- по виду привода — цепной, зубчато-ремённый, шестерёнчатый.
Наиболее частое размещение вала — верхнее, оно же и самое эффективное. Клапаны открываются и закрываются благодаря рычагам привода, что даёт возможность производить двигатели меньшей массы и проще спроектированными.
Двигатели оснащаются различными типами ГРМ, что напрямую зависит от характеристик мотора, а точнее, от места установки коленвала, распредвала и открывающих/закрывающих клапанов.
При нахождении ГРМ в верхней части распредвал устанавливается в головку цилиндра там же, где и сами клапаны. Они закрываются и открываются с помощью рычагов от распределительного вала. Привод запускается от коленвала через роликовые цепи или ремни зубчатые.
Высокая надёжность и относительная бесшумность двигателя достигается именно верхним размещением распределительного вала. Это снижает вес мотора и силу инерции открывающихся/закрывающихся клапанов.
Цепной и зубчато-ремённый вид распредвала также характеризуется тихой работой газораспределительного механизма.
Распределительный вал размещается рядом с коленвалом в отсек с цилиндром. Такое расположение ГРМ называется нижним. Клапаны закрываются и открываются от распредвала сквозь толкатели. С помощью шестерёнок коленвала запускается привод коленчатого вала. Вся система двигателя и газораспределительный механизм становятся немного сложнее при таком размещении (нижнем) распредвала. Силы инерции возрастают. Количество распределительных валов и клапанов в газораспределительном механизме зависит от типа двигателя. Чем их больше, тем качественнее и равномернее происходит наполнение цилиндров, а также очистка газов на выходе. Мощность двигателя и крутящий момент возрастают в разы.
Имеется разновидность газораспределительного механизма, где клапаны располагаются смешанно. Он так и называется — смешанный. Клапаны открытия располагаются в блочной головке, идентично верхнему виду. А клапаны закрытия соответствуют нижнему. Такое размещение характеризуется более мощными показателями, чем у первых двух. Область применения была многие годы назад как в Советском Союзе, так и за рубежом. Далеко не многие заводы производили моторы с таким газораспределительным механизмом, поэтому чаще всего автолюбители, среди которых большинство были гонщики, переделывали «нижний» ГРМ в смешанный, добиваясь максимума мощности и скорости для участия в гонках.
Замена помпы на автомобиле KIA Spectra
Большинство специалистов не рекомендуют менять помпу самостоятельно. Однако опытные автовладельцы делают это своими руками без особых проблем.
Статья в тему: МКПП — механическая коробка переключения передач
Расположение
На автомобиле KIA Spectra помпа расположена около головки блока цилиндров.

Помпа KIA Spectra расположена в не очень удобном для демонтажа месте
Для обеспечения доступа к насосу необходимо снять ремни генератора и ГРМ.

Перед заменой посадочное место для помпы рекомендуется тщательно очистить
Услуги автосервиса
В фирменных магазинах оригинальная помпа не может стоить дешевле 3 тыс. руб. Аналоги же можно приобрести за гораздо меньшую сумму — от 1 тыс. руб.
Стоимость услуг автосервиса при замене механизма без снятия ГРМ оценивается от 2 тыс. руб., а со снятием ГРМ — от 4,5 тыс. руб. При этом даётся трёхмесячная гарантия. Все работы занимают не более 2–3 часов.
Слив тосола
При замене рекомендуется полностью обновить охлаждающую жидкость новый насос не сможет корректно работать со старой ОЖ. Жидкость сливается в ёмкость объёмом не менее 5 литров. Свежий тосол заливается в объёме, равном объёму слитой ОЖ.
Необходимые инструменты
Для замены понадобятся следующие инструменты:
- комплект гаечных ключей;
- торцовая головка с удлинённым воротком;
Для выкручивания глубоко расположенных болтов необходима торцовая головка с удлинённым воротком
- набор отвёрток;
- пассатижи;
-
инструменты для снятия ремней (наборы для установки, фиксатор распредвалов);
Ремни демонтируются с помощью специального инструмента
- универсальная монтировка;
С помощью универсальной монтировки снимается шкив помпы
Замена помпы без снятия ГРМ
Для того чтобы заменить водяной насос, не снимая ГРМ, необходимо выполнить следующие действия.
- Снимается колесо, откручивается защита двигателя и отсоединяется пластиковый подкрылок.
Для доступа к насосу необходимо снять защиту двигателя
- Снимаются ремни с генератора и гидроусилителя руля. При снятии ремня генератора ослабляются два болта — болт крепления к натяжной планке и болт крепления к кронштейну двигателя. Натяжение ремней уменьшается вращением регулировочного натяжителя.
- С двигателя снимается крышка, закрывающая ремень ГРМ.
При замене помпы снимается защита с ремня ГРМ
- Сливается тосол. Если работы проводятся на тёплом двигателе, следует использовать защитные средства.
- С помощью монтировки снимается шкив водяного насоса. Для этого потребуется помощник. Автомобиль ставится на пятую передачу, помощник зажимает педаль тормоза. Для того чтобы шкив не проворачивался, монтировка одним концом упирается в гайку шкива, другим — в кузов. Снимается болт крепления шкива и сам шкив.
Шкив водяного насоса снимается с помощью монтировки
- Извлекается помпа.
- Устанавливается новое устройство с прокладкой.
- Сборка производится в обратном порядке.
Статья в тему: Чистка карбюратора на машине без снятия
Перед снятием ремней рекомендуется сделать фото с различным положением распредвалов. Если встать перед капотом, метка I левого шкива распредвала должна быть на одном уровне с меткой E правого распредвала. Для того чтобы корректно выставить распредвалы, следует провернуть коленвал на один оборот.

При установке ремней метки распредвалов должны стоять на одном уровне
Менять насос на автомобилях KIA Spectra, в которых предусмотрен демонтаж ГРМ, крайне сложно. В этом случае целесообразно сразу обратиться в автосервис.
Строй-Техника.ру
Строительные машины и оборудование, справочник
Категория:
Устройство автомобиля
Публикация:
Механизмы газораспределения и взаимодействие их деталей
Читать далее:
Детали газораспределительного механизма
Механизмы газораспределения и взаимодействие их деталей
Четырехтактные автомобильные двигатели имеют клапанные механизмы газораспределения, в которых впуск горючей смеси и выпуск отработавших газов происходит при помощи впускных и выпускных клапанов. В двухтактных двигателях газораспределение осуществлено при помощи шатунно-кривошипного механизма или смешанной системы.
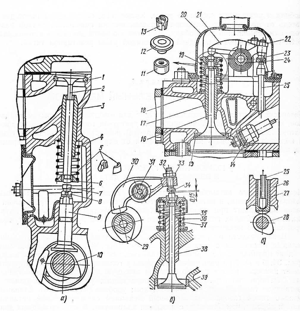
В зависимости от расположения клапанов различают газораспределительные механизмы с нижними клапанами, расположенными в блоке цилиндров, и с верхними клапанами, размещенными в головке блока. При размещении клапанов в головке блока камера сгорания имеет наиболее рациональную форму и меньшую поверхность теплоотдачи, что благоприятно отражается на рабочем цикле: улучшается наполнение цилиндров горючей смесью или воздухом; удобнее регулировать клапаны. Однако такой газораспределительный механизм сложнее, более металлоемок и дороже, чем механизм с нижними клапанами. В карбюраторных двигателях применяют оба газораспределительных механизма, а в дизелях только механизм с верхними клапанами.
На большинстве автомобильных двигателей распределительные валы установлены в блоке цилиндров — нижнее расположение вала. Распределительные валы устанавливают и на головках блока — верхнее расположение вала (двигатели автомобилей «Москвич-2140», «Жигули» и др.). В этом случае газораспределительный механизм проще, но имеет довольно сложный цепной привод. Обычно газораспределительный механизм приводится в движение от коленчатого вала через соответствующие шестерни. При вращении распределительного вала кулачок набегает на толкатель, который поднимается вверх и регулировочным болтом нажимает на стержень клапана. Головка клапана отходит от седла, и цилиндр соединяется с впускным или выпускным трубопроводом. Пружина клапана сжимается. После наполнения или очистки цилиндра кулачок выходит из-под толкателя, и клапан под действием пружины опускается на седло. Клапан передвигается в направляющей втулке, запрессованной в блок цилиндров. Пружина одним концом опирается на тарелку, соединенную с клапаном при помощи сухарей, а другим — в кольцевую проточку блока цилиндров. Положение регулировочного болта в толкателе фиксируется контргайкой (двигатели автомобилей ЗИЛ-130К и ГАЗ-52-04).
Рекламные предложения на основе ваших интересов:
Во время такта сжатия и рабочего хода клапан неподвижен и под действием пружины плотно прижат к седлу. При вращении распределительного вала кулачок набегает на толкатель и поднимает его вместе со штангой вверх. Штанга поворачивает на оси коромысло, которое нажимает на стержень клапана. Вследствие этого клапан опускается вниз и цилиндр двигателя соединяется с впускным или выпускным трубопроводом. При дальнейшем вращении распределительного вала кулачок выходит из-под толкателя, и клапанный механизм под действием пружины возвращается в первоначальное положение. Толкатель, перемещающийся в отверстии блока цилиндров, опускается вниз. В короткое плечо коромысла ввернут регулировочный винт имеющий контргайку. Клапан с пружиной соединяется при помощи тарелки и сухарей. Под нижний конец пружины установлена опорная шайба.

Рис. 1. Газораспределительные механизмы:
а — нижним расположением клапанов и распределительного вала; б — с верхним расположением клапанов и нижним расположением распределительного вала; в — с верхним расположением клапанов и распределительного вала; 1, 15 и 39 — седла клапанов; 2, 16 и 35 — клапаны; 3, 17 и 38 — направляющие втулки; 4 и 19 — пружины; 5 и 13 — сухари; 6 и 12 — тарелки пружин клапанов; 7 — регулировочный болт; 8, 22 и 33 — контргайки; 9 а 27 — толкатели; 10, 28 и 29 — кулачки распределительных валов; 11 — маслоотражательный колпачок клапана; 14 — свеча зажигания; 18 — опорная шайба; 20 — крышка головки блока; 21 и 30 — коромысла; 23 и 32 — регулировочные винты; 24 и 31 — оси коромысел; 25 — штанга; 26 — блок цилиндров; 34 — наконечник; 35 — внешняя пружина; 37 — внутренняя пружина
При вращении распределительного вала, установленного на головке блока (рис. 1, в), кулачок набегает на плечо коромысла, и оно поворачивается на оси. Наконечник регулировочного винта нажимает на стержень клапана, пружины сжимаются, и клапан открывается. После выхода кулачка из-под коромысла клапан под действием пружин плотно садится на седло.
Подробнее о газораспределительном механизме
Поскольку распредвал работает в тандеме еще с несколькими узлами, автоконструкторы задумались и над их модернизацией. Предпосылки к этому появились еще в 80-х годах: конструкция валов и их установка казалась решенной проблемой.
Сегодня чаще всего встречаются двигатели со следующими системами, по которым меняются фазы газораспределения:
- Система Valvetronic – разработка компании BMW . Суть в том, что подъем клапанов регулируется вместе с изменением того положения, которое имеют оси вращения коромысел;
- Система VTEC – разработана компанией Honda . Фазы регулируются за счет использования двух кулачков;
- Система VVT-I – разработка компании Toyota . Фазы регулируются по мере того, что вал проворачивается относительно приводной звезды.
Встречаются и другие варианты. Как правило, автопроизводители могут использовать различные ГРМ даже в одной линейке транспорта. Эксперименты не прекращаются до сих пор: инженеры добиваются высокой экологичности двигателя, достижения максимальной мощности, малого расхода топлива.
Стоит полагать, что в ДВС будущего или не будет клапанного механизма, или клапана будут открываться при помощи пневматически х или магнитных толкателей. В разработке новых систем преуспели Volkswagen, Honda и Mitsubishi.
Будто сошел со страниц фантастического романа оппозитный двигатель от EcoMotors . Он компактный и экономичный, однако, интересен не этими качествами. В нем нет ни одного клапана. Экспериментальный образец может развить максимальную мощность в 325 л.с.
Устройство газораспределительного механизма
ГРМ состоит из распределительного вала, толкателей, клапанов, коромысла, штанги и привода.
При подготовке схемы использованы материалы Volkswagen
Распределительный вал
Распредвал обеспечивает своевременное закрытие или открытие клапанов ГРМ в соответствии с последовательностью работы цилиндров двигателя и фазами распределения газов в механизме. Распределительный вал изготавливается из высокопрочной стали (с дополнительным закаливанием) или отливается из чугуна. Вал оснащен опорными шейками и кулачками. При этом форма кулачков оказывает влияние на рабочие фазы распределения газов, частоту и продолжительность работы клапанов.
На торце распределительного вала закреплена звездочка цепного привода. Вал монтируется в корпусе подшипников, который закреплен на головке цилиндров. Для предотвращения осевых смещений распредвал используется упорный фланец, который подсоединен к торцевой части корпуса подшипников.
Толкатели
Толкатели – это детали ГРМ, основным назначение которых является передача усилий от кулачков распредвала к штангам. Для изготовления толкателей применяется высокопрочная сталь или чугун.
Выделяют три вида толкателей – грибовидные, роликовые и цилиндрические. Движение толкателей может происходить как по направляющим в блоке цилиндров, так и в небольших корпусах, прикрепленных к цилиндровому блоку.
Клапаны
Клапаны предназначены для обеспечения подачи ТВС в цилиндры двигателя и вывода отработанных газов.
Конструкция клапана состоит из стержня и плоской головки. Клапанная головка имеет плоскую кромку, скошенную под углом в 45 градусов. При этом диаметр головки клапана впуска значительно больше, чем у клапана выпуска, поскольку объем газов, выводимых из камеры сгорания, превышает объем ТВС.
Клапаны ГРМ устанавливаются в головке цилиндрового блока, при этом место их соединения также имеет конусную форму и называется седлом.
Впускные клапаны изготавливаются из стали, с хромистым покрытием, а выпускные клапаны – из жаропрочной стали. Для изготовления седел клапанов применяется жаропрочный чугун.
Клапанный стержень выполнен в форме цилиндра, в верхней части оснащен специальной канавкой для фиксации клапанной пружины.
Движение стержней клапанов осуществляется исключительно по направляющим втулкам, выполненным из чугуна или стали. Сами направляющие соединены с головкой блока цилиндров.
Для того чтобы предотвратить попадание масла в камеру, между клапанным стержнем и направляющей втулкой устанавливается уплотняющий колпак, выполненное из маслостойкой резины.
Каждый клапан оснащен внутренней и наружной пружинами. Крепление пружин происходит при помощи шайб, тарелки и сухаря.
Открытие клапанов производится за счет привода, который передает усилие от распредвала на клапан.
Современные автомобильные двигатели, чаще всего используемые для серийных автомобилей, оснащены двумя клапанами впуска и двумя клапанами выпуска, установленные на каждом цилиндре.
Штанги
Штанги предназначены для передачи действий от толкателей к коромыслам. Данные детали могут быть представлены в форме полых цилиндрических стержней со стальными наконечниками.
Штанги изготавливаются из износостойкого алюминиевого сплава, соединяются с одной стороны с коромыслом, с другой – с толкателем.
Коромысло
Коромысло осуществляет передачу усилия от штанги к впускным/выпускным клапанам. Коромысло имеет вид рычага с двумя плечами, который размещен на оси. При этом одно плечо (возле клапана) имеет большую длину, чем другое (возле штанги).
Коромысла изготавливаются из прочной стали и устанавливаются на специальных втулках на оси, закрепленной на головке цилиндров. Между самим коромыслом и осью располагается втулка, предназначенная для уменьшения трения между ними.
Привод распредвала
Распредвал движется от коленвала при помощи привода, который обеспечивает его вращательные движения. Скорость, при которой вращается распредвал в 2 раза меньше, чем скорость вращения коленвала.
Таким образом, за два вращательных движения коленвала распределительный вал совершит только одно вращение, обеспечивая по одному открытию впускного и выпускного клапана за один рабочий цикл.
Kia Spectra
Автомобиль Kia Spectra был представлен в 2000-ом году, он пришел на смену предшествующей марки Kia Sephia. В Корее модель производилась под брендом «Ментор» в 1999-2000-х годах, а до 2004 года выпускалась в Америке. Следует заметить, что для американского рынка машина поставлялась в двух кузовах:
- пятидверный хэтчбек;
- четырехдверный седан.
Корейская марка Kia Spectra на ижевском автозаводе выпускалась с 2005 по 2011 год, и только в кузове седан. В 2009 году выпуск «Спектра» в Ижевске прекратился, но, чтобы выполнить все свои обязательства перед корейской был вынужден выпустить небольшую партию автомобилей летом 2011 года.
Замена ремня ГРМ самостоятельно
Все работы можно выполнить самому. Процесс поэтапно:
- Снять крышку двигателя, открутив 4 гайки.
- Удалить крепеж с кожуха газораспределительного механизма.
- Снять ремни с водяного насоса и гидроусилителя руля.
- Убрать генераторный ремень, шкив, ведущий к водяному насосу.
- Приподнять переднее правое колесо домкратом.
- Открутить защиту двигателя, расположенную справа.
- Застопорить силовой агрегат, поставив рычаг коробки на 5-ю передачу. Нажать на тормоз и сорвать болт шкива коленвала. Теперь его можно снять.
- Ослабить крепежный болт у левого ролика. Снять правый.
- Плоскогубцами удалить пружину, расположенную возле левого натяжного ролика.
- Когда ослабнет натяжение передаточного обода, его можно убрать.
- Выставить на «Киа Спектра» метки ГРМ (16 клапанов), проворачивая коленвал пока значения «I» (на одном зубчатом колесе) и «E» (на другом) не займут положение сверху и не совпадут с аналогичными метками кожуха ГРМ.
- Поставить новый ремень с учетом направления вращения (на самом ободе есть указатель). Чтобы совпали зубцы, можно вращать коленвал. Но при натяжении кожуха проворачивать шкивы нельзя.
- Заменить ролики.
- Когда передаточный обод ляжет на все шкивы, даже при незначительном вращении коленвала роликовые пружины автоматически натягивают ремень.
- Еще раз проверить, совпадают ли на «Киа Спектра» метки ГРМ (16 клапанов). Если сбились установочные значки, снять ремень и набросить его заново.
После этого собрать автомобиль, повторив действия в обратном порядке.
Ременная передача – расходник. Ее замену рекомендуется производить в зависимости от износа, но не позднее, чем через 50-60 тыс.км. Поставить запчасти можно самостоятельно, сэкономив на услугах сервисного центра.
Комплекты ГРМ
Ремень ГРМ с натяжными роликами для Киа Спектра производят различные фирмы, наиболее известными производителями являются:
- ASHUKI;
- NIPPARTS;
- NPS;
- SKF;
- BАNDO;
- DAYCO;
- Gates;
- BOSCH;
По отзывам наиболее надежной является продукция компании BАNDO (Япония), также хорошо себя зарекомендовала фирма Gates. Несколько худшими по качеству считаются ремни Contitech и DAYCO.
Двигатель S6D 1,6 л устанавливался и на другие модели автомобилей Kia и Hyundai, поэтому комплект ГРМ также подойдет на Kia Carens/ Sephia /Shuma/Rio, Hyundai Accent.





























