Не работают повороты ВАЗ (переднеприводных)
На сайте рассматривались схемы подключения указателей поворотов и поиск неисправности в различных схемах. Здесь рассмотрим поиск неисправности в случае, когда не работают повороты ВАЗ переднеприводных моделей.
Проверка исправности реле поворотов
И так рассмотрим, что делать, если не работают повороты ВАЗ с передним приводом, кроме 2170 Приора. Работа и поиск неисправности которой рассматривалось в статье «Реле поворотов Приора».
Для начала убедитесь в том, что работают измерительные приборы и контрольные ламы на панели приборов. Если они не работают, то проверьте исправность предохранителя.
ЭТО ИНТЕРЕСНО: Снять блок предохранителей ваз 2107
При исправности приборов включите кнопку аварийной сигнализации, и проверить мигание всех ламп в указателях поворотов. Это позволит разделить схему на две части и ускорить поиск неисправности.
Если аварийная сигнализация при включении не работает, то необходимо проверить исправность реле поворотов и аварийной сигнализации и наличие питания на его выводе 49. Обозначение выводов нанесено на нижнюю часть реле, рядом с контактными ножками.
Извлекаем реле, имеющее на верхней части корпуса обозначение в виде треугольника, из монтажного блока, и в освободившемся гнезде при помощи контрольной лапы проверит наличие плюса на выводе 49.
Подключаем контрольную лампу к массе или минусу аккумуляторной батареи, а вторым концом косаемся вывода 49, при включенной кнопке аварийной сигнализации, включать зажигание не нужно.
Если плюс на выводе есть, то медным проводом соединить выводы 49 и 49А. При исправности соединительных проводов и разъёмов должны загореть все лампы указателей поворотов. Это говорит о том, что неисправно реле поворотов и световой сигнализации.
Если лампы не загорят, а плюс на выводе 49 есть, то возможно есть короткое замыкание в цепи сигнальных ламп и сгорел предохранитель. Короткое замыкание так же может стать причиной выхода из строя реле.
В этом случае проверьте исправность предохранителя, а при его перегорании устраните короткое замыкание в цепи сигнальных ламп.
Проверка кнопки аварийной сигнализации
Если аварийная сигнализация работает, значит, реле поворотов и аварийной сигнализации исправно, а неисправность может быть в кнопке аварийной сигнализации. Для начала проверьте плюс, как описано ранее на выводе 49 реле, при выключенной кнопке аварийной сигнализации и включенном зажигании.
Если плюса нет, то необходимо проверить исправность кнопки аварийной сигнализации. Для этого надо извлечь кнопку из гнезда, поддев её тонкой отвёрткой или снять козырёк панели приборов.
В контактном разъёме кнопки проверить контрольной лампой наличие питания на выводе 2 (нумерация выводов на кнопке около контактов) при включенном зажигании. При отсутствии питания устранить обрыв провода от панели приборов до кнопки.
Если сигнальные лампы не загорят, то, не убирая перемычки с колодки кнопки аварийной сигнализации, соедините медным проводом в гнезде реле выводы 49 и 49А, после чего проверьте питание на выводе 49А переключателя поворотов. Для этого снимаем кожух рулевой колонки и соединительный разъём с переключателя поворотов.
Так же можно снять и сам переключатель, для определения номеров выводов, которые нанесены на нижнюю его часть рядом с контактными ножками. Сделать это не сложно, сжав фиксаторы с боков переключателя и вытянув его в сторону. При исправности цепи от реле до переключателя контрольная лампа начнёт гореть.
Если контрольная лампа негорит, то устраните обрыв в проводе от монтажного блока до разъёма указателя поворотов.
При включении поворотов перегарает предохранитель
Ещё одна неисправность указателей поворотов, это перегорание предохранителя при включении указателей одного из бортов. Для быстрого определения неисправности включите аварийную сигнализацию.
Сигнальная лампа в цепи, которой есть короткое замыкание, гореть не будет или будет гореть в полнакала. Признаком короткого замыкания в цепи сигнальных ламп может служить жужжание реле поворотов при включении указателей.
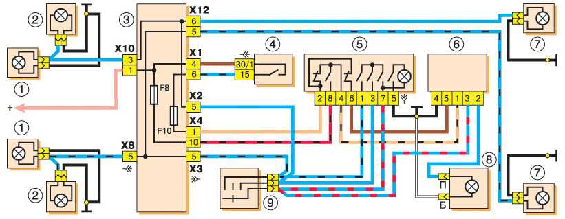
Для облегчения поиска неисправностей, когда не работают указатели поворотов ВАЗ, воспользуйтесь выкладками схем приведённые ниже.
Схема подключения указателей поворотов и аварийной сигнализации ВАЗ 2109
admin 22/06/2014«Если Вы заметили ошибку в тексте, пожалуйста выделите это место мышкой и нажмите CTRL+ENTER» «Если статья была Вам полезна, поделитесь ссылкой на неё в соцсетях»
Почему не работают поворотники?

Изначально необходимо обозначить, что подразумевается под понятием «корректная работа»» оптических элементов:
- частота мигания сигнала составляет 60 раз в минуту;
- при заведенной машине оптика всегда работает стабильно;
- после переключения рычага управления вниз/вверх следует включение поворотника с нужной стороны.
Отклонения от перечисленных параметров означают сбои в работе указателей поворота, вызывать которые могут различные факторы.
Причины неполадок
Перечень причин неисправностей незначительно меняется в зависимости от схемы построения поворотной системы и может включать:
- Перегорание ламп и предохранителей.
- Выход из строя реле.
- Повреждения проводки.
- Поломку индикаторов на панели приборов.
- Сбой в электронном блоке управления (актуально лишь для машин, выпущенных в последнее десятилетие);
- Неисправность выключателя.
У каждой из перечисленных технических проблем имеются собственные характерные признаки, по которым можно точно или примерно определить поломку.
Неисправности: виды и способы решения
Неполадки, связанные с поворотной системой, бывают следующие:
- Поворотники горят, не моргая. Этот сбой зачастую исправляется несильным стуком по реле. Но если не помогло, то остается только заменить реле. Мигание по-прежнему отсутствует? Значит необходимо поменять предохранительный блок или сам предохранитель, если его сопротивление отличается от номинального.
- Работает только один поворотник. Причина неисправности кроется однозначно не в реле, поскольку в этом случае характерно сбойное функционирование обоих указателей поворотов. В порядке очередности стоит прибегнуть сначала к замене лампочки, аналогичной по мощности и размерам (текущая могла сгореть). Потом перейти к осмотру плафона. На нем имеются следы окисления? Нужно очистить контакты. Снова неудача? Значит проблема в проводке — некрепко припаян провод к патрону.
- Поворотники вовсе не функционируют. Решить проблему можно уже упомянутым стуком по реле, либо заменой его или предохранителей. Также неполадка может заключаться в повреждении рычага включения/выключения указателей, ремонтироватькоторый нецелесообразно и проще заменить новым. Если в авто установлен блок управления, то неисправным может оказаться он, конкретные варианты исправления определяются после диагностики в автосервисе.
- Мигание с повышенной частотой. Автомобиль таким образом может сигнализировать о том, что одна из ламп перегорела, либо имеется короткое замыкание в проводке. Если устранить неполадку сменой лампочки не вышло, то нужно проверить электропроводку.
- Мигание с пониженной частотой. Может быть спровоцировано плохим контактом лампочек, выходом из строя одной из них или обрывом проводки. При этом провода рекомендуется проверять в последнюю очередь, так как они реже всего выступают источником неисправности.
Также иногда водители встречаются с«щелкающим» реле. Данная неполадка не влияет на функционал поворотников, но тоже доставляет дискомфорт. Звук, похожий на щелчок, возникает из-за окислившихся контактов реле или его брака. Проблема решается очисткой контактов или заменой релейного элемента.

Альтернативные методы взаимодействия с участниками движения
Правилами ПДД предусматривается езда без исправных указателей поворотов, но намерения должны демонстрироваться определенными жестами. Если собираетесь свернуть налево, то нужно вытянуть левую руку в сторону от водительского окна. При правомповороте необходимо высунуть левую руку, но уже согнутую под прямым углом. Торможение обозначается поднятой вверх рукой. Наряду с этим рекомендуется включить аварийный сигнал и держаться поближе к обочине.
Езда без рабочих поворотников и жестов законодательно запрещена, нарушение наказывается штрафами. Однако, если водитель указывает направлениес помощью жестикуляции, как описано выше,то сотрудники ГИБДД не имеют права выписывать штрафы.
ВАЖНО! Рекомендуется не затягивать с устранением неполадок поворотных указателей, так как передвижение без них значительно повышает вероятность возникновения аварийных ситуаций на дороге. Источник
Источник
Не работают поворотники на ВАЗ 2109, 2114, 2115
Нередко водители сталкиваются с такой проблемой, что поворотники по определенным причинам не работают. В этой статье будут рассмотрены причины подобных неполадок на примере автомобилей производства ВАЗ: 2108, 2109, 21099, 2113, 2115. Каждая из этих машин причисляется к семейству САМАРА, поэтому обладает схожей электроникой.Практически во всех случаях ремонт указателей – несложная работа. Самое главное при этом – определить основную причину неисправности.Заголовок 2: Указатели поворотов не мигаютЕсли не работают поворотники на ВАЗ 2114 — точнее, не мигают — то причина поломки заключается в реле указателей.
Чтобы исправить эту неполадку, в большинстве случаев достаточно постучать по реле либо произвести его замену. Причиной этого, как правило, является плохой контакт или попадание внутрь большого количества воды. Если даже после замены они не функционируют должным образом, то стоит осмотреть контакты и блок предохранителей.Если не работают поворотники ВАЗ 2114, то стоит знать: реле располагается в блоке. Оно обозначено пометкой К2. Обязательно требуется проверить предохранитель F12, а также осмотреть его контакты с самим блоком. Причина поломки может скрываться также в аварийной кнопке или в переключателе.
Не включаются указатели поворотов
Если не работают поворотники ВАЗ 2109 или перестал функционировать один из них, то причин может быть несколько. Каждую из них рекомендуется рассмотреть в отдельности:1. Первым делом требуется проверить лампу на предмет работоспособности. При необходимости её потребуется заменить на новую;2. Затем следует проверить, работают ли контакты соединений
Особое внимание рекомендуется уделять соединениям блока, переключателей, и в последнюю очередь самих указателей;3. Посмотрите, исправны ли включатели;4. Проверьте работоспособность реле, проведите замену их и предохранителей
В случае, когда не работают поворотники и аварийка ВАЗ 2114, то причина этого практически всегда скрывается в реле.Заголовок 2: Как поступить, если поворотник не выключается?Если при поворотах рулем указатели не выключаются самостоятельно, то требуется менять сам выключатель.Заголовок 2: Быстрое миганиеЕсли они моргают слишком быстро, то причиной является перегоревшая лампочка. Стоит их осмотреть и при необходимости заменить. Другим фактором частого моргания может быть окисление фишек, расположенных на фонарях заднего света. Гораздо реже виной такого мигания становится непригодность дорожек, расположенных в дополнительном блоке
Проверьте работоспособность реле, проведите замену их и предохранителей. В случае, когда не работают поворотники и аварийка ВАЗ 2114, то причина этого практически всегда скрывается в реле.Заголовок 2: Как поступить, если поворотник не выключается?Если при поворотах рулем указатели не выключаются самостоятельно, то требуется менять сам выключатель.Заголовок 2: Быстрое миганиеЕсли они моргают слишком быстро, то причиной является перегоревшая лампочка. Стоит их осмотреть и при необходимости заменить. Другим фактором частого моргания может быть окисление фишек, расположенных на фонарях заднего света. Гораздо реже виной такого мигания становится непригодность дорожек, расположенных в дополнительном блоке.
Неяркое горение
Если не работают поворотники на ВАЗ 2115 или лампочки тускло горят, то требуется:1. Проверить лампочки на соответствие их мощности;2. Зачистить массу.Заголовок 2: Щелчок реле поворотниковЕсли вы столкнулись с частыми щелчками указателей, то проблему стоит искать в дополнительном блоке, даже точнее – в контактах реле. Они могли со временем окислиться и прийти в негодное состояние, либо просто неплотно прилегать. Возможно, реле оказалось бракованным. В таком случае рекомендуется установить заводское реле.
Схема
На картинке изображено схематичное расположение реле указателей поворотов.

Место, где располагается красный крестик, указывает, что для оптимального функционирования светодиодов здесь требуется оборвать цепь. Если вам требуется оригинальная цепь, то этой пометке красного цвета не нужно уделять внимания.
Замыкает поворотник
Если не работают указатели поворота ВАЗ 2115, то стоит внимательно осмотреть заднюю фару. Одно из наиболее уязвимых мест каждого авто – плата задней фары. Проблема также может скрываться в окислении контактов, которое произошло вследствие коррозии. Из-за этого перегорает и предохранитель, что ведет к замыканию поворотников.
Назначение устройства
Изначально следует отметить, что повороты функционируют не так, как прочие световые приборы на автомобиле. Они работают в прерывистом режиме, что обеспечивается посредством такого изделия, как реле(прерыватель) поворотов ВАЗ-2107.
Следует также отметить и тот факт, что помимо прерывистого режима работы, реле поворотов издают звуковые сигналы в виде щелчков, которые помогают водителю. По этим щелчкам водитель понимает, что устройство функционирует в данный момент.
Помимо того, что прерыватель отвечает за функционирование световой сигнализации, необходимой для маневров, так он еще и позволяет им работать в режиме аварийки. На ВАЗ-2107 применяется электронное реле, частота мигания ламп которого зависит от настройки электронной схемы. Выше представлено фото современного электронного реле поворотов, которое используется на автомобилях ВАЗ-2107.
Диагностика неисправностей поворотников
Если однажды поворотники перестают функционировать, то это говорит о том, что пришло время провести диагностику автомобиля. Для этого нет необходимости ехать на СТО, а можно выполнить все в домашних условиях. О том, что механизм перестал функционировать, говорят следующие признаки:
- При включении поворотники горят, но при этом не происходит их мерцание. Такой вид поломки связан непосредственно с выходом из строя реле. Для исправления неисправности требуется заменить прерыватель.
- Ускоренное или замедленное мерцание поворотников. Ускоренное мерцание говорит о том, что перегорела спираль одной из ламп. Медленное мерцание свидетельствует о том, что в схеме подключена минимум одна лампа большей мощности, чем рекомендуется. Многие автомобилисты с появлением современных светодиодных ламп стремятся установить их на авто. При установке светодиодных ламп в поворотники наблюдается слишком быстрое их мерцание, это связано с их низкой потребляемой мощностью.
- Устройства вовсе не функционируют. Причина может заключаться в неисправности реле, предохранителя, подрулевого переключателя или кнопки включения аварийки. Схема подключения выполнена так, что питание поворотников проходит через кнопку включения аварийки. Если кнопка неисправна, то и повороты не будут функционировать.

Для наглядности представим схему указателей поворотов и аварийки для семерки. В нее входят:
- блок-фары с лампочками указателей поворота;
- указатели поворота расположенные на передних крыльях авто(боковые);
- монтажный блок;
- замок зажигания;
- кнопка аварийки;
- рассматриваемое реле;
- лампочки поворотников расположенные в задних фонарях;
- лампочка на панели приборов, сигнализирующая о включении поворотов;
- подрулевой переключатель.
Где найти реле на ВАЗ-2107
Где же находится устройство, отвечающее за прерывистое функционирование сигнала поворотов? Располагаться релюшка может в двух местах на ВАЗ-2107: в монтажном блоке пли за приборной панелью.
В карбюраторных «семерках» изделие находится за приборной панелью в салоне автомобиля, а в инжекторных – на монтажном блоке, который находится под капотом. Конструктивно прерыватель представляет собой коробочку с контактами снаружи. Изделие не подлежит ремонту, поэтому при выходе из строя требуется осуществить его замену.
Особенности замены прерывателя
Если обнаружено, что реле поворотов вышло из строя, то требуется осуществить его замену. Изделие, находящееся в монтажном блоке требуется поддеть и демонтировать. Если оно неисправно, в чем обязательно требуется убедиться, то вместо него следует установить новое. Так осуществляется замена для инжекторных “семерок”. Выполнить же замену на карбюраторных «семерках» намного сложнее. Процесс замены выглядит так:
- Нужно снять приборную панель, поддев ее при помощи отвертки.
- После этого пробуем вытянуть ее на незначительное расстояние, если имеется такая возможность. Если длина проводов не позволяет вывести панель на некоторое расстояние, то соединения следует разъединить.
- Отвинтить трос привода спидометра.
- Найти визуально реле, и отсоединить от него контактные провода.
- Также от него отсоединяем «массу» после чего устройство демонтируем.
- Вместо старого прерывателя поворотов следует установить новое реле.
- В завершении собрать и подключить все демонтированные детали в порядке обратном снятию.
Подводя итог, следует отметить, что прерыватель является одним из важнейших узлов каждого автомобиля, и необходимо следить за его исправностью. От него напрямую зависит безопасность дорожного движения.
голоса
Рейтинг статьи
Где находится реле поворотов на ВАЗ 2114 расположение, замена и ремонт
Действующие нормы ПДД предписывают автоводителям перед совершением любого маневра уведомлять других участников движения посредством включения соответствующего поворотного сигнала. За исправную работу этих сигнальных ламп отвечает специальное реле-прерыватель указателей поворота, аварийки и фар.
Это устройство должно работать без перебоев, обеспечивая своевременное предупреждение других водителей о смене направления движения транспортного средства, а если возникают неполадки – их нужно незамедлительно устранять.

Неполадки, связанные с работой поворотников на ваз 2114: основные причины
Основной причиной, по которой указатели поворота перестают работать или работают не корректно, является поломка реле поворотов ваз 2114. Однако встречаются ситуации, которые должны натолкнуть на мысль, что неполадки вызваны проблемами с другими элементами.
К примеру:
- перегоревшая/вышедшая из строя одна или несколько лампочек дадут о себе знать излишне учащенным миганием при включении поворотного сигнала;
- проблемы с переключателем, контактами либо проводкой нужно искать в том случае, если лампы поворота не работают при включении, а сигнал «аварийки» функционирует исправно;
- окисление проводов контактной группы непосредственно в фаре либо на подходах к ней проявляется нестабильной работой поворотных сигналов.
Перед тем, как приступать к ремонту, следует выявить реальную причину и лишь потом приступать к ее устранению
Важно знать, где находится реле поворотов на ваз 2114, поскольку замена именно этого устройства в большинстве случаев решает проблему
Реле поворотников ваз 2114: где находится
Реле поворотников ваз 2114 представляет собой электронный элемент, который расположен в монтажном блоке. Такое реле (как правило, электромагнитного типа) отвечает за бесперебойную работу указателей поворота, а также за мигание поворотников при включенной «аварийке». Устройство имеет сразу несколько контактов, что делает возможным управление различными электроцепями.
Чтобы отыскать под капотом ВАЗ 2114 реле поворотников, нужно обратить внимание на блок, расположенный с водительской стороны практически под лобовым стеклом. Такой блок представляет собой коробку темного цвета, внутри которой расположены всевозможные реле и предохранители. Среди них нужно найти устройство, имеющее маркировку К2
Это и будет реле поворотников
Среди них нужно найти устройство, имеющее маркировку К2. Это и будет реле поворотников.
Как осуществляется замена реле поворотников на ваз 2114
Признаком того, что следует менять реле, является ситуация, когда одновременно вышли из строя сигналы аварийной остановки и поворотники.

Заменить устройство довольно просто. Для этого последовательно выполняются следующие действия:
- Открывается капот.
- Под ним следует найти монтажный блок, в котором и расположено реле (справа непосредственно над водительской стойкой амортизатора).
- Открывается монтажный блок (снять защитную крышку можно путем отщелкивания 2-ух боковых защелок).
- Для того чтобы с легкостью извлечь реле с маркировкой К2 (реле поворотников) из монтажного блока, лучше воспользоваться специально предусмотренным для этих целей пластиковым пинцетом (он лежит в самом блоке).
- После этого на место вышедшего из строя реле поворотников устанавливается новое. Его располагают в посадочном месте так, чтобы металлические контакты (3 шт.) были заведены в гнездо.
- Установив новое реле в монтажный блок, нужно проверить, работают ли поворотники в нужном режиме. Если все в порядке – можно закрывать крышку блока и закрывать капот.
Как устранять другие причины поломки поворотников
Существует еще несколько неисправностей, которые приводят к некорректной работе поворотных сигналов, а именно:
- поворотник не выключается автоматически при повороте руля – потребуется замена выключателя;
- сигнал поворота моргает очень быстро – скорей всего перегорела одна из ламп (нужно будет проверить и, при необходимости, заменить на новую), однако причиной может быть окисление дорожек внутри монтажного блока либо окисление фишки в задних фонарях;
- поворотники горят очень тускло – потребуется зачистка массы на поворотниках а также проверка установленных ламп на соответствие их мощности требуемым показателям;
- появление щелкающих звуков при включении сигнала поворота – причиной может быть бракованное реле или в контактах реле (они могут окислиться либо просто неплотно прилегать).
Как видно из приведенной выше информации, устранять любую из причин поломки реле поворотников на ваз 2114 не сложно
Важно выполнять это своевременно, тогда любая поездка будет безопасной, как для Вас, так и для других участников движения
Реле поворотников ВАЗ — диагностика и замена своими руками

Поворотники являются, пожалуй, очень важной частью любого транспортного средства. Выполнение маневров на дороге становится довольно опасной задачей если поворотники не работают. За правильную работу указателей поворотов отвечает реле поворотников и аварийной сигнализации ВАЗ 2107
Данное устройство применяется на всех автомобилях классического семейства. Рассмотрим, для чего нужно реле поворотников, как определяется неисправность реле и как выполняется его замена?
Назначение реле поворотников и аварийной сигнализации

Все знают, что указатели поворотов и аварийная сигнализация в процессе своей работы моргают
Это необходимо для того, чтобы привлечь внимание остальных участников движения. Мерцание ламп невозможно спутать с каким-либо другим сигналом, подаваемым с помощью световых приборов
За это явление отвечает небольшое устройство под названием реле указателей поворота.
Помимо мерцания поворотников, реле обеспечивает еще одну функцию – создание необходимого звукового сигнала (щелчка), который говорит о том, что указатели поворота находятся в работе.
На «Жигулях» применялось два типа реле, которые отличаются как по своему устройству, так и по принципу действия.
- Первый тип представляет собой реле электромагнитного типа, которое крепится в подкапотном пространстве автомобиля. Основой для работы электромагнитного теплового реле служит специальная струна из нихрома, которая, нагреваясь и остывая, замыкает и размыкает цепь указателей поворота. Данные типы реле применялись на ранних моделях «классического» семейства: ВАЗ 2101-2102 и ВАЗ 2103.
- Второй тип реле стал применяться на автомобилях ВАЗ 2106 и выше. Он представляет собой электронную схему, построенную на полупроводниковых элементах схемы. Помимо полупроводников, в состав реле входит еще и электромагнит, который выполняет функции замыкания и размыкания. Частота срабатывания электромагнита (или мерцания ламп) достигается с помощью «ключа», или специальной электронной схемы.
Диагностика неисправности реле указателей поворотов ВАЗ 2107

Если в один прекрасный день поворотники прекратили свою работу. Настало время проверить, что же случилось и по возможности заменить неисправную часть схемы. О неисправностях реле поворотников можно узнать по некоторым признакам:
- Поворотники горят, но не мерцают. Это прямо указывает на поломку реле, а точнее, его электромагнитной части. В этом случае, электромагнит замкнулся в одном из положениях и не может вернуться в исходное состояние.
- Поворотники моргают слишком быстро или слишком медленно. Такое может случиться, но не только по вине реле указателей поворота. Иногда скорость мерцания ламп может меняться, если в поворотниках применяются лампы не той мощности, что положена заводом-изготовителем. Тем не менее, установка нового реле в качестве проверки не помешает.
- Поворотники не работают совсем. Это означает, что не моргают лампы указателей поворота, лампа на приборной панели и отсутствуют соответствующие щелчки реле. Однако, как и во втором случае, неисправность не всегда касается реле указателей поворота. Порой, причина заключается в неисправности кнопки аварийной сигнализации.
Замена реле поворотников и аварийной сигнализации (+ Видео)
После обнаружения любых из перечисленных неисправностей, обязательно следует замена реле указателей поворота.
В зависимости от модификации (карбюратор или инжектор), расположение реле-прерывателя может заметно отличаться. Карбюраторные автомобили ВАЗ 2107 подразумевают монтаж реле за приборной панелью в салоне автомобиля.
Однако, начиная с инжекторного двигателя, реле может располагаться в монтажном блоке в подкапотном пространстве.

Для того, чтобы снять реле, находящееся в монтажном блоке – достаточно просто поддеть его и потянуть вверх. После этого, на его место устанавливается новый элемент.

В случае с реле, находящимся за панелью дела обстоят намного сложнее. Перед снятием реле необходимо поддеть приборную панель с помощью отвертки и снять ее.
Если позволяет длина проводов, то можно оттянуть ее на некоторое расстояние, но если они слишком короткие, рекомендуется вытащить штекеры и открутить трос привода спидометра. Панель отложите в сторону, а от реле отсоедините контактные провода. Теперь открутите «массу» от прерывателя и снимите его.
На место старого реле установите новое и вставьте в него контактные провода. После этого, проведите сборку приборной панели и установите ее на штатное место. На этом замена реле поворотников завершена.
Это все, что необходимо знать о реле поворотников.





























