Тюнинг Шкода Рапид своими руками
Автомобиль Skoda Rapid комплектуется силовой установкой, позволяющей уверенно чувствовать себя в дорожном потоке и имеет элегантный, стильный внешний вид.
Его основные узлы и системы спроектированы без существенных конструкторских недостатков, поэтому машина обеспечивает автовладельцу комфортное и безопасное перемещение.
Несмотря на это каждый хозяин желает, чтобы его авто выделялось в дорожном потоке и было лучше чем у других. Поэтому владельцы прибегают к тюнингу, стайлингу и усовершенствуют Шкода Рапид на свой вкус.

Повышение комфорта вождения автомобиля
Во время дождливой погоды видимость через боковые окна значительно ухудшается. Для недопущения этого на автомобиль устанавливаются дефлекторы боковых окон. Помимо улучшения обзора смонтированные накладки предотвращают заливание дождя внутрь салона.
Наиболее их эффект проявляется при высокой скорости движения автомобиля. Стоимость дефлекторов боковых окон напрямую зависит от качества используемых при изготовлении материалов. Цена находиться в приделах от 500 до 2000 рублей. Выполнить монтаж своими руками не составит труда так как наладки обладают специальными креплениями.

Для повышения комфорта и безопасности существует различный тюнинг для защиты фронтальной части от воды и грязи. Дефлекторы монтируются перед капотом, над передними фарами. Они препятствуют рассеиванию дождя по лобовухе.
При этом дополнительно защищают стекло от ударов мелких камней и налипания мушек. По этой причине среди автовладельцев дефлекторы получили название мухобойки. Их стоимость находиться в пределах от 400 до 5000 рублей.
Аэрография, шелкография и тейпография
Нанесения изображения на автомобиль значительно изменяет его внешний вид, не ухудшая эксплуатационные характеристики. Стоимость такого стайлинга от 1 до 25 тыс. рублей. Наиболее популярными местами для рисунков на Рапид Шкода являются:
- капот,
- передние и задние двери,
- крылья,
- крыша,
- лючок бензобака,
- передний и задний бампер.

Помимо декоративной функции нанесение изображения на автомобиль имеет и практический смысл. Во-первых, среди злоумышленников авто с индивидуальными чертами не пользуются популярностью.
Поэтому риск угона авто с шелкографией, тейпографией и аэрографией минимален. При нанесении рисунка в большинстве случаев повышается стойкость лакокрасочного покрытия, что уменьшает появление коррозии на кузове.
Покрытие жидкой резиной
Покрытие жидкой резиной не так давно пришло в мир тюнинга. Его стоимость от 5 до 30 тыс. рублей. Данный способ модернизации имеет массу достоинств, главными из которых являются:
- хорошая адгезия,
- сохранение первоначальных свойств в широком диапазоне температур,
- беспроблемный демонтаж в случае необходимости,
- стойкость к ультрафиолетовым лучам,
- широкий набор цветов,
- защита от влаги,
- отсутствие влияния агрессивными химическими соединениями, например, тормозной жидкость, моющими средствами, моторным или трансмиссионным маслом,
- защита лакокрасочного покрытия от сколов и царапин,
- отсутствие запаха даже при нагреве,
- высокая износоустойчивость.

Тюнинг подвески
Для подстройки автомобиля под конкретные дорожные условия автоладельцы выполняют тюнинг подвески. Наиболее популярные варианты с их достоинствами и недостатками приведены в таблице ниже.
Таблица Тюнинг подвески Skoda Rapid
Honda Accord › Logbook › Перепаиваем подсветку кнопок на руле и в подрулевых лепестках
Салют всем! Сегодня я расскажу о перепаивании подсветки кнопоко на руле и подсветке лепестков кпп!
Ездил я и вроде ни чего не напрягало особенно в подсветке на руле, но тут я вспомнил, что у Камри я сделал белые кнопки на руле и решил, что у Хонды надо сделать то же самое!

Приступаем к работе:

снимаем аирбэг, отсоединив заранее минусовую клему от АКБ, вынимаем платки и начинаем паять!


Спаяли и идем проверять:


Тут мне пришла в голову мысль о том, что надо перепаять и подсветку подрулевых переключателей скоростей! для них я выбрал КРАСНЫЙ цвет!


Паять пришлось на весу, не снимая платы и это было совсем неудобно.
Паяем и все собираем и получаем вот такую красоту:


Вот и все на сегодня!Ждите следующих записей, они будут не менее интересными!
Источник
Принципы организации архитектурного освещения фасадов
Подсветка фасадов зданий, как самостоятельное направление светового дизайна с использованием различных визуальных эффектов, способна полностью изменить экстерьер и пропорции здания. Оригинальное световое решение, кроме чисто функционального назначения и обеспечения эффектного экстерьера в темное время суток, имеет и маркетинговое значение. Архитектурное освещение фасадов — обязательная информационно-имиджевая составляющая объектов коммерческой недвижимости, многочисленных развлекательных центров, ресторанов и баров, чья деятельность приходится в основном на вечерние и ночные часы.
Для проектирования подсветки существуют специальные приемы в зависимости от типа и расположения строения. Для дома, вписанного в единый ансамбль уличной застройки, используются совершенно другие приемы, чем для загородной виллы.
Подсветка фасада коттеджа может быть решена в едином ключе с комплексным освещением участка и акцентированием наиболее эффектных частей ландшафтного дизайна.

Например, внешний вид небольшого загородного дома с простым пространственным архитектурным решением может быть серьезно улучшен локальной подсветкой входа или светодиодной лентой, размещенной по карнизу. Для более объемных зданий используются как светодиодные прожекторы, так и светодиодные линейки и ленты. Эластичность и гибкость такого способа подсветки позволяет создать объемные картины с различными визуальными эффектами.
3 Тонировка оптики Рапид
Сегодня существует масса аксессуаров, способных сделать Шкоду гораздо эффектнее. Несмотря на это, тюнинг фар авто путем нанесения тонировки не перестает пользоваться популярностью. Помимо самой пленки, для работы нам потребуется:
- бытовой распылитель;
- канцелярский нож;
- малярный скотч;
- отвертки для снятия фар.
Тюнинг фар Rapid тонировочной пленкой
Демонтируем оптику Шкода, тщательно очищаем и обезжириваем ее поверхность. Как только фары высохли, берем аксессуар для тонировки и отделяем пленку от ее клейкой основы. Обрызгиваем фары Рапид мыльным раствором и начинаем нанесение пленки. После того, как аксессуар идеально встал на оптику, из-под тонировки необходимо выгнать пузыри воздуха. Для этого можно воспользоваться маленьким шпателем.
В конце обрезаем лишние куски тонировки и устанавливаем оптику Skoda на место. Можно пойти другим путем и просто спрятать оставшиеся части тонировки позади фары.
Communities › Светодиодный Тюнинг › Blog › Пересвет салона Acura TSX ( Хонда Аккорд 7 ). Часть 7. Подсветка кнопок руля.
Доброго времени, клубни!
Пришло время завершить изменение подсветки салона с серо-зеленой на белую. Дошли руки и до кнопок руля.Как обычно — снимаем подушку, откручиваем блоки кнопок, приносим их домой,


Их у меня три — голосовое управление, музыка и круиз.Начал с кнопок голосового управления.Разбираем блок, добираемся до платы.

На плате, кстати, есть разметка полярности на светодиоды. Смотрим разъем на плате и видим, что на подсветку приходят отдельные 2 конца. По дорожкам: на плюсе висит диод и резисторы такого номинала, что не удивительно, что светодиодов не было видно, минус идет напрямую.Достаю светодиодную ленту 5050 вырезаю пару светодиодов и выпаиваю с левых плат два микрорезистора 510 Ом.Так как 5050 шире штатных дербаню пластик корпуса – чтобы можно было их установить.Выпаиваю штатные светодиоды вместе с подставками, меняю сгоревший диод на плате на рабочий, меняю резисторы на 510 Ом. Подключаю питание – светят знатно.

Далее кнопки музыки и круиза.Разбираем до плат, видим, что аналогично – 2 конца, диод, резистор общий и по резистору на каждом светике.

Использую ленту 3528 – выпаиваю с нее — 6 светодиодов и 8 сопротивлений 150 Ом.

Переношу родной диод на плате в другое место по дорожке – перерезав её, на место выпаянного диода впаиваю резистор 150 Ом (общий), выпаиваю резисторы у каждого светодиода и родные светики, впаиваю 3528 и резисторы 150 Ом.


Итого имеем: по дорожке «+»: диод, далее гасящий резистор 150 и параллельное подключение светодиодов с 150 Ом на каждый светодиод. «-» идет напрямую. Все по закону Ома и по Феншуй!



Колхозить пришлось только место под диоды, остальное все менялось в штатные места.Заодно зашкурил и полирнул пластик накладок кнопок – получилось отлично даже красить не пришлось.


Перед тем, как собирать рекомендую пройтись шкуркой 1200 по металлическим наконечникам резинок кнопок – ибо у меня после установки в руль перестала работать кнопка переключения трека назад – лечится очисткой металла от окисления.
Собираем все взад, подключаю к разъему 12В – все кнопки отлично светятся.
Устанавливаем все в авто, параллельно проверяя и подсветку и функционал кнопок.





На этом проект Пересвета салона сезона 2016 года считаю для себя закрытым.
На ближайшее будущее:1) Осталось желание переподключить дополнительно установленные подсветки ног и нескольких ящиков с текущего подключения к подсветке одного из ящиков (без штатной регулировки яркости) на подключение к подсветке АКПП (которая подключена к штатной регулировке яркости). Ибо все лампы накаливания по схеме (схемы штатной подсветки здесь) были заменены на светодиоды, но были добавлены ленты в ноги, что по общей мощности соразмерно. Но лениво снова все дербанить)2) Настроить управление регулировкой яркости подсветки салона (т.е.силовым транзистором в приборной панели) под светодиоды, ибо регулирования по напряжению как для ламп недостаточно для светодиодов, что приводит к свечению на минимуме в 30-50% мощности вместо 10-20%, но это уже другая история-когда снова полезу в панель приборов.
Источник
Правильное светодиодное освещение
Во внутреннем пространстве квартиры можно использовать точечные светильники, ленточное освещение, светодиодные люстры, создавать декоративную подсветку отдельных предметов интерьера. Монтаж изделий, характеристики блока питания, выбор схемы компоновки источников света могут отличаться, в зависимости от помещения, конструкции устройств и места установки приборов.
Главным правилом организации освещения квартиры является гармоничное расположение светильников с учетом габаритов помещения. Для маленьких комнат устанавливают небольшие светодиодные приборы, в квартирах средних габаритов можно использовать светильники разной конструкции, формы и размеров, а в больших помещениях уместны крупные лампы, люстры, бра, торшеры в сочетании с мелкими акцентными деталями.
Тюнинг внешнего вида

Другое название внешнего тюнинга – это стайлинг. Если переводить на наш язык, то это значит стилизация. Изменения вида сразу становятся заметны окружающим людям и относится к числу самых эффектных. В данном случае не ведется речь о механических переделках. Чаще всего добавляется аэрография, разного рода подсветки, тонировка, спойлеры и другое. Все это в комплексе придает машине неповторимый вид. Кроме необычной внешности тюнинг способен оказать пользу при использовании автомобиля. Например, ксеноновые фары увеличивают видимость в пути при поездке в ночное время суток, а легкосплавные диски делают меньше нагрузку на работающий двигатель и трансмиссию, что позволяет экономить бензин. Аэродинамические обвесы могут повысить управляемость машины.
Доработки внутри

Тюнинг относится к внутреннему убранству. В него входит смена панели спереди, установка спортивного рулевого колеса и сидений, обтяжка сидений и салона натуральной кожей, плюс добавление разных полок и выдвижного стола, что отлично поможет тем, кто путешествует на дальние расстояния. В переделки салона включают установку аудиосистемы, мониторов, шумоизоляции и сигнализации. Для придания уникальности некоторая часть автовладельцев вставляет неоновые и светодиодные полосы
Тем, кто любят спортивный стиль важно знать, что внутренние доработки отличаются от остальных. Чтобы усилить управляемость, придется расстаться с комфортом
Тюнинг будет направлен на получение схожести со спорткаром. Тюнинг направлен на снижение веса автомобиля, что позволяет улучшить механические показатели.
Чаще всего механические доработки имеют всего два вида:
- моторной части;
- ходовой части.
Двигатель

В моторе тюнинг направлен на получение большего количества мощности, что приводит к увеличенной мощности при большой скорости. Время разгона становится меньше, а мотор приобретает динамичность. В доработки входит использование определенного метода улучшения работы мотора или сразу все. Для повышения крутящего момента на коленвале делается расточка цилиндра под поршень большего размера. Если двигатель турбированный, то скорость увеличивается путем получения большего наддува. Поэтому обороты становятся больше, а также давление. Однако нужно отдельно отметить пределы, которые значатся в БУ, поскольку при избытке блок управления будет мешать его работе.
Осторожные доработки в двигателе
Когда крутящий момент исправить на высокие обороты и вставить распределительный вал в двигатель, без труда можно лишится их на низкой скорости. Можно добиться плохого продува. Однако с повышением оборотов, если цилиндры хорошо наполняются, увеличивается вращающий момент, что поможет добиться увеличения мощности мотора. Для регулировки неправильной работы необходима настройка передаточных чисел в трансмиссии. Все выполнить нелегко, но в результате тюнинг сделает машину с настоящим гоночным характером.
Ходовая

Создатели при выполнении подвески прикладывают силы для получения максимального комфорта при поездке. Но не каждому автолюбителю нравится такая езда. Чтобы получить динамические достижения, придется принести в жертву удобство. Доработки имеют широкий ассортимент. К примеру, амортизаторы сменяются на более жесткие. Чаще всего они газонаполненные и есть возможность их регулировки. Определенные, особенно дорогостоящие амортизаторы регулируют в самом салоне, взяв с собой специальное оборудование. Также выполняется замена пружин подвески, а чтобы уменьшить наклон машины на поворотах, необходимы жесткие стабилизаторы поперечной устойчивости. При выборе колес выбор останавливают на низкопрофильных спортивных шинах. В дополнение идут кованые диски. Если выбирать литые диски, то существует вероятность расколоть их на высокой скорости.
Смелый тюнинг ходовой части
Случается, что решаются на полную замену подвески. Но эту работу можно отнести к числу особенно сложных и дорогих. На динамику машины больше всего влияет трансмиссия. И на первом месте стоит коробка переключения переда. Если правильным образом отрегулировать передаточные числа, то машина станет шустрее и без других доработок.
На сцеплении тоже следует заострить внимание. Главная работа сводится к передаче мощности от двигателя к трансмиссии, уменьшении рывков при переключении скоростей и резком наборе скорости
Чтобы увеличить мощность, работу выполняют два ведущих колеса.
Виды света
Виды освещения в интерьере могут быть самыми разнообразными, в зависимости от стилистики и дизайна помещения. Если отталкиваться от выполняемых функций, то светильники бывают:
- функциональными;
- декоративными.
Функциональные — это те, которые выполняют свою непосредственную задачу давать свет. Сюда можно отнести потолочные люстры, торшеры на рабочем месте, прикроватные бра.
Декоративное освещение интерьера играет роль дополнительной подсветки и нужно для придания особенной атмосферы в квартире. Рассмотрим основные типы декоративной подсветки.
Отражённый свет. В плафонах светильников устанавливаются отражатели, которые рассеивают луч по всей площади помещения. Если подобный светильник выполняет функцию основного, то вдоль стен в потолке устанавливают софиты. Можно использовать как локальное освещение в торшерах и ночниках.
Направленный луч. Установка направленных светильников позволяет визуально менять площадь комнаты. Концентрированные световые лучи способны выделить отдельные элементы интерьера. Если комната оформлена в скандинавском стиле с преобладанием светлых тонов и минимализмом в мебели, то с помощью направленных лучей можно зрительно расширить пространство. Для этого по периметру потолка устанавливают карнизы с осветительными приборами, лучи которых направлены на стены. Если направить поток света вверх, то можно визуально поднять потолки.
Точечный свет — универсальное дизайнерское решение
С помощью него можно выделить оригинальный объект интерьера, акцентировать внимание на значимых предметах. Точечные матовые светильники часто используют в помещениях в стиле лофт
Кроме того, ими удобно зонировать пространство, подсвечивать коридоры и дорожки.
Холодный свет. Идеален для рабочих помещений, кабинета. Создаёт атмосферу собранности, работоспособности, способствует концентрации внимания. Чаще всего его используют в стиле минимализм, в комнатах с белыми стенами и/или элементами металла.

Нижняя подсветка. Осветительные приборы размещаются в полу и могут использоваться в качестве ночного света, рассеивая полную темноту и создавая полумрак. Кроме этого, подобное необычное освещение способно создать атмосферу загадочности, романтичности, таинственности. Играя цветом, комнату можно преображать до неузнаваемости. Синие оттенки могут придавать нотки мистичности. Розовая подсветка создаёт романтический настрой и хорошо подойдёт для спальни.
Светильники играют важную роль в оформлении внутреннего пространства. Их выбор должен быть взвешенным и продуманным, а освещение должно выполнять комплексные функции подсветки, акцентирования и создания необходимой атмосферы.
Электрическое специальное освещение зрелищных учреждений
Остановимся боле подробно на освещении зрелищных учреждений. Если брать все учреждения данного типа, то придётся говорить про освещение:
- Цирков;
- Кинотеатров;
- Театров;
- Стадионов;
- Плавательных бассейнов;
- Теннисных кортов;
- Ипподромов;
- Боксёрских рингов;
- Борцовских арен;
- Музеев;
- Зоопарков;
- Террариумов;
- Дельфинариев;
- Океанариумов;
- Концертных залов;
- Дискотек и ночных клубов.
Согласитесь, слишком большой, хотя и не полный, список для одной статьи. Однако освещение всех подобных освещений объединят одно: они нормируются разделом 7, ПУЭ, главой 7.2. В главе 60 пунктов с объяснениями, которые касаются:
- Областям применения специального освещения;
- Электроснабжению;
- Нормам и правилам освещения;
- Силовому оборудованию;
- Прокладке кабелей;
- Защитным мерам безопасности.
Виды подсветок автомобиля
Итак, вы решили выделить свою «ласточку» среди массы подобных ярким световым обрамлением. Тут-то рынок тюнинга предоставит вам массу вариантов. Основных видов подсветок, используемых в авто, всего два: неоновая и светодиодная.
- Неоновая подсветка в своей основе имеет лампы, заполненные инертным газом — неоном. Благодаря своей инертности он абсолютно безопасен — не нагревается, не взрывается и не вступает в химические реакции с другими веществами. Эти лампы помещены в специальные трубки, защищающие их от повреждений и воздействия окружающей среды.
Неоновые трубки бывают различных цветов и размеров
Неоновые лампы светят не направленно, поэтому в комплекте к ним всегда идут рассеиватели — обычная фольга или зеркало. Неоновые трубки выпускаются различных цветов и диаметров. Также в магазинах вы можете встретить «гибкий» неон — тонкие эластичные трубки, которые чаще всего используют для подсветки салона автомобиля либо фар.
За установку среднего комплекта неоновой подсветки на своё авто владельцу придётся выложить в среднем пару тысяч рублей.
Из минусов можно отметить сравнительно недолгий период эксплуатации, а также монохромность. Создать переливы и игру цвета с неоновой подсветкой не удастся. Чтобы изменить цвет, придётся полностью менять трубки.
- Второй вид подсветки — светодиодная. Она представляет собой ленту диодов, заключённую в силикон, который выполняет защитную функцию. Среди плюсов — большая прочность и долговечность, возможность установки многоцветной подсветки, мигания. В дорогих комплектах идёт оборудование, подстраивающее цвета под звуковые колебания. Большим минусом является цена. Светодиоды дороже неонового аналога.
Как рассчитать
Для различных классов помещений, существуют различные нормы освещенности, обеспечивающие комфортное нахождение и выполнение определенного вида работ, определяющих класс данного помещения.
Нормы освещенности приведены в справочной технической литературе, освещенность измеряется в Люксах (Лк). Основываясь на этой величине, выполняются расчеты освещенности внутри помещений.
Зная норму освещенности, можно определить требуемую освещенность в помещении, для это следует воспользоваться формулой: Ф = Е х S х К, где
Ф – величина требуемой освещенности в конкретно взятом помещении;
Е – удельная освещенность для помещения, в котором выполняется расчет;
S – площадь помещения;
К – коэффициент запаса (для светодиодного освещения равен 1,1).
Определив освещенность помещения, измеряемую в Люксах, и зная, что 1 Лк = 1 Лм, можно определить требуемый световой поток, который должны испускать светодиодные лампы.
Как правило, величина светового потока указана на упаковке светодиодной лампы или светильника, оснащенного подобными источниками света, поэтому для определения их количества, необходимо полученное значение требуемой освещенности «Ф», разделить на величину светового потока конкретной лампы или светильника.
Если вдруг, по какой-то причине, нет под руками упаковки, а на корпусе лампы указанное значение светового потока написано не разборчиво, то можно воспользоваться приблизительным расчетом. Для его выполнения, можно найти в сети интернет или технической литературе, данные по светодиодным лампам, и взять их технические показатели: значение светового потока и мощность. Разделив одно значение на другое, получится величина, характеризующая светоотдачу, измеряемую в Люменах на Ватт.
Зная эту величину, можно определить количество ламп, требующихся для создания требуемой освещенности.
Архитектурный светодизайн фасадов зданий: концептуальные принципы
Архитектурный светодинамический дизайн является одним из наиболее эффективных и часто применяемых способов преображения строительных объектов, исторических памятников и частных домов, а также ведущим средством формирования позитивного имиджа компаний, что в значительной степени способствует акцентуации художественно ценных фрагментов сооружения и созданию узнаваемого лица города в более глобальном смысле. Резкий импульс декоративно-эстетическая подсветка фасадов зданий получила с появлением и развитием полупроводниковых технологий.
Светодиодные устройства различных конструкций, типов и технических характеристик объединяют общие достоинства, к которым, несомненно, следует причислить относительно малый вес, стилевую гибкость, универсальность, низкое электропотребление, экологическую безопасность, высокий индекс цветопередачи, визуально привлекательно свечение и пр. Появление на рынке подобных осветительных приборов существенно расширило границы дизайнерских возможностей в сфере декорирования разнообразных архитектурных объектов, частных владений, общественных зданий и монументальных комплексов.
Современные способы декоративного освещения фасадов зданий
В отличии от обычного уличного освещения, архитектурная подсветка обладает более обширными возможностями и специфическими технологическими моментами, наличие которых обусловлено необходимостью добиться максимально выразительных художественно-оптических эффектов. Грамотно подобранный и надлежащим образом размещенный в освещаемом пространстве состав светодиодного оборудования позволяет не только правильно расставить акценты, но и выделить сооружение из окружающей местности, тем самым повысив его архитектурно-художественную ценность, туристическую привлекательность или стоимость объекта недвижимости.
Сегодня существуют различные способы декоративной подсветки фасадов зданий. Одним из наиболее часто используемых дизайнерами экстерьеров является общее освещение заливающего типа. Это еще и самый простой способ повышения визуальной привлекательности объекта в темное время суток, поскольку мягкое светодиодное излучение позволяет выделить здание на фоне других элементов городской застройки. Зонально-локальная подсветка подчеркивает отдельные эстетически удачные фрагменты или его уникальные особенности и оригинальные дизайнерские решения. Кроме того, применяются силуэтно-контурные способы визуализации, фоновые и динамические акценты. К наиболее инновационным трендам относится проецируемые графические изображения, фото- и мультимедийные LED-фасады, а также комбинированные решения.
Используемое оборудование
В настоящее время номенклатура полупроводниковых устройств, предназначенных для светодинамического дизайна фасадов зданий или оптимально подходящих для него чрезвычайно разнообразна. Для реализации каждого из вышеприведенных способов визуализации строительно-архитектурных объектов применяются различные виды оборудования или их сочетание
Учитывая то, что фасадное освещение в большинстве случаев носит камерный характер и выступает эффективным инструментом подчеркивания фактурных особенностей поверхности или выделения ее отдельных фрагментов, например, барельефа или лепного орнамента, важно правильно выбрать тип светильников, способных наиболее полно раскрыть эти моменты
В зависимости от стоящих перед дизайнером задач используются точечные источники светодиодного излучения, встраиваемые приборы, устройства направленного света на поворотных кронштейнах, гибкие ленты и многое другое. Для достижения максимального художественного эффекта такое оборудование часто оснащается специальными оптическими элементами, изменяющими физические и визуальные характеристики генерируемого электромагнитного излучения.
Общее искусственное освещение

Общее освещение привлекает для своей реализации стандартные осветительные приборы и оборудование. Характерной особенностью общепринятого взаимного расположения осветительных приборов в этом случае является стремление полномасштабно охватить пространство для жилья и работы. Для выполнения этой цели используются приборы одного типа. Рельефно это прослеживается, рассматривая освещение домашней конфигурации.
Как правило, основную роль здесь выполняют лампы накаливания. Но заметна все увеличивающаяся тенденция применения ламп с энергосбережением и приборов на светодиодной базе. Воплощение в жизнь этого вида освещения происходит благодаря размещению осветительных приборов сверху, но бывают и отклонения от принятого порядка.
Acura TSX › Logbook › Пересвет салона Acura TSX ( Хонда Аккорд 7 ). Часть 3. Подсветка ГУ — руководство по установке.
Доброго времени, клубни!
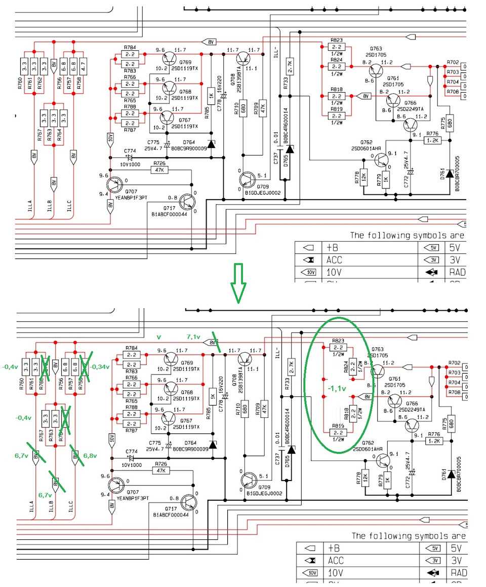
После подсветки кнопок стеклоподъемников настало время заняться самым интересным занятием, а именно сменой подсветки кнопок ГУ. Но не просто одних светодиодов на другие, а ламп накаливания на диоды.В очередной раз снимаем ГУ, разбираем его до плат кнопок, выпаиваем лампы, изучаем мануал и узнаем, что за подсветку кнопок ГУ отвечают выходы ILL A, ILL B, ILL C (схемы здесь). Где А – это подсветка верхних боковых от экрана кнопок 4 слева и 4 справа, B — это верх над щелью CD – 8 ламп и С – 4 лампы под щелью CD.Итого, мы имеем 20 ламп подсветки кнопок ГУ.

По контактам на разъеме CN661 (см. распиновку) отмечаем на платах полярность для светодиодов.


Дербаним светодиодную ленту 3528 вынимаем с нее 20 диодов и 20 резисторов 150 Ом каждый…Итак, нам нужно вместо 1 лампы припаять светик и резистор… Видел как парни колхозят связку буквой П или как то еще – я решил перерезать дорожки для резистора либо далеко, если есть возможность либо рядом если дорожка короткая.

Так и надежнее и холоднее)После припайки очередного светодиода и резистора – проверяем свечение всей цепочки.Сделали центральную плату – перешли на боковые. Там аналогично, только места поменьше.

Припаяли все диоды – проверили свечение, настало время посчитать закон Ома.

Так как мы использовали резисторы 150 Ом с ленты и 3528 светики – наше потребление напряжения по всем трем концам 6,95V (расчет на фото), а приходит по схеме 8V.

Далее идем по схеме где формируется 8 вольт и легко преобразуем их в 6,7-6,8V (расчет V на фото схемы),

убрав по одному микрорезистору, а мощные переведя из параллельного соединение в последовательное (см. фото платы) ибо ламп уже нет и мощность такая не нужна.

Теперь у нас все по феншуй. И резисторы не будут гореть как раньше от ламп и свет правильный и знатный.

После праведных дел с лампами – добираемся до нижней полоски – подсветки ящиков, выпаиваем (убираем) 2 синих светодиода по краям и 2 понижающих резистора к ним, вырезаем пластиковую перегородку, припаиваем ленту (синюю) возвращаем все взад и радуемся свету… который можно увидеть только подключив задний разъем к ГУ, т.е. в машине…)

Собрав ГУ, несем в авто, подключаем, вводим коды нави и аудио, включаем габариты – и радуемся… ибо эта камасутра стоила того!)



Кстати, после замены ламп на диоды изменилось выключение подсветки ГУ. Если раньше она выключалась совместно с выключением габаритов, то теперь стала гаснуть через секунду после выключения габаритов (см. видео)…
Источник
Естественное освещение
Это свет, исходящий от солнца в дневное время. Показатели могут различаться в зависимости от региона, облачности, расположения строений и деревьев рядом со зданием. Выделяются такие виды освещения:
- Боковое. Попадает в помещения через оконные проемы, которые могут находиться как с одной, так и с двух или более сторон, все зависит от особенностей здания. При проектировании строений определяют оптимальные размеры окон, чтобы обеспечить нормальное проникновение естественного света. Учитывается и то, что южная и восточная сторона освещаются намного лучше западной и северной.
-
Верхнее. В жилых домах реализуется за счет установки мансардных окон, которые встроены в кровлю. Нередко используются купольные и другие подобные конструкции в оранжереях или бассейнах. В производственных помещениях применяют так называемые фонари – надстройки на крыше с окнами с двух сторон. Подходят для зданий большого размера, в которых свет из окон плохо проникает вглубь цехов или складов.
- Комбинированное. Это сочетание верхнего и бокового освещения, которое позволяет добиться лучшего результата. Но такой вариант самый сложный в реализации и использовать его можно не всегда.
Коэффициент естественной освещенности – показатель, который используют при проверке. Измерения проводят специальным оборудованием.
Сколько нужно светильников для коридора
Дать однозначный ответ на вопрос нельзя, ведь следует учитывать габариты и архитектурную форму прихожей. Даже длинный и узкий коридор можно превратить в настоящее произведение искусства, правильно обустроив световое оформление. При грамотном освещении помещение будет смотреться ничем не хуже просторной прихожей частного дома.
Не стоит ограничивать систему освещения одной или двумя потолочными люстрами. В комнате должны быть как минимум два разных источника света! Помимо точечных устройств, на потолке, можно установить бра, направленые на входную зону или полку с ключами. Более просторные прихожие могут быть дополнены торшерами, предназначенными для направленного освещения журнальных столиков, кресел или диванов.
Практически в любом помещении есть зеркало. Этот элемент интерьера может использоваться как инструмент для визуального увеличения узкого пространства.

Что такое дизайн освещения?
Дизайн освещения имеет три составляющих: общий дизайн освещения, световая архитектура и светодизайн.
Общее освещение – это так называемый световой фон
При его создании важно учитывать, что свет должен быть комфортным. Более того его яркость и «температура» освещения зависят от назначения той или иной комнаты. Например, в детской и в рабочем кабинете свет может быть интенсивней, чем в спальне или в ванной комнате
Например, в детской и в рабочем кабинете свет может быть интенсивней, чем в спальне или в ванной комнате.
Световая архитектура — подчёркивает концептуальную направленность дизайна помещения, освещает ниши, рабочие поверхности, создает эффект «парящего потолка». В некоторых стилях без проработки этой составляющей не обойтись, например, хай-тек предполагает выделение светом некоторых элементов.
Светодизайн в интерьере – это понятие, которое характеризует светильники как элемент декора, подчёркивающий индивидуальность их владельца. Разнообразие и доступность современных осветительных приборов создают благородную почву для их использования в дизайне интерьера, следуя последним веяниям моды и преобразуя его до неузнаваемости.

Разновидности архитектурного освещения
Современный светодизайн включает в себя несколько разновидностей подсветки зданий:

Заливающая. Она представляет собой множество светильников для подсветки фасадов, которые располагаются на расстоянии 1,5 м друг от друга. В результате этого всё архитектурное строение утопает в теплых красках.
Опытные дизайнеры применяют эту технику в дополнении с основным светом. Заливающая подсветка устанавливается в нижней или верхней части фасада. Она является главной изюминкой архитектурного дизайна.

Локальная. Такую разновидность светового оформления используют для выделения отдельных элементов здания.
Скрытая. Она делится на три вида: силуэтная, контурная и цветодинамика. Первый тип применяют для придания мягкого силуэта всему дому. Она красиво подчеркивает дизайн архитектурного строения на фоне других построек.

Контурная добавляет изящности отдельным линиям. Для этого используют светодиодную ленту или точечные светильники.

Третий вариант представляет собой комбинированную подсветку, которую применяют для создания световой тени в умеренном количестве. На фото скрытой подсветки фасадов изображено идеальное сочетание фасада постройки с прилегающим ландшафтом.

Тюнинг задних фонарей на Honda Accord 7
Разворачиваем фару тыльной стороной к себе и вынимаем уплотнитель. Далее отпиливает плафон с помощью бормашины или болгарки. Достаем содержимое и снимаем все лампочки.
После этого можно начать выбирать свет. Существуют лампочки, выполняющие разные функции:
- Противотуманки.
- Для подсветки номера.
- Лампы сигнала поворота.
Можно отдельно заменить любой элемент светотехники, выровнять края плафона (они точно будут неровными после срезки), тщательно протереть фонарь изнутри и установить его. Если лень все это деталь, есть другой вариант – купить альтернативный тюнинг в сборке. Кстати, многие продают б/у оптику в идеальном состоянии – это вариант для тех, кто хочет сэкономить.
https://youtube.com/watch?v=nZ3F0dGdDRk





























